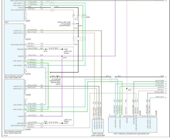
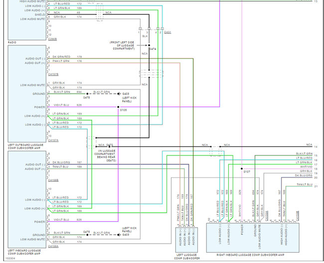
I installed an aftermarket head unit in my car listed above gt. I can't get the wiring right without popping a fuse or the amps and subs not coming on. Due to someone before me cutting into all the wiring. Now I'm all confused. And the RCA plugs have no idea where those go either. Please help
Jun 20, 2024 at 6:33 AM



