Low beam Headlamp Inoperable Troubleshooting?

2017 FORD FUSION HYBRID
100,000 MILES
Avatar
C H O R D D
  • MEMBER
  • 1 POST
Hello,

We have the car listed above SE. Just noticed copilot low beam headlight is out. We replaced the whiter and brighter bulb we just installed in September, still nothing.

Replaced overheated socket (when new bulb didn't work, we next thought the socket had overheated by the way it looks, see attached picture), still nothing.

Now totally perplexed!

Research shows some fuse panels having a fuse for each light, so 4 fuses, one for each low beam and one for each high beam. Our owner manual does not list any fuses for headlights at all.

Can anyone who is super familiar with internal electrical system give us (seniors) any ideas of what to try next before we take it in to a repair shop and have them rape us for something computer related?

We are living on very little, and I drive most days and nights delivering food, so I need both lights working, never thought it would blossom into such a major ordeal. Just like the rear-view mirror that can no longer be tightened via a set screw, now you have to replace entire gosh darned mirror. What are humans doing to one another, grin?!?!

Hoping for some positive feedback today.

Danke Schön...Merci...Thank you

Best

Mrs. D
Apr 19, 2023 at 10:29 AM
Advertisement
Avatar
STRAILER
  • CERTIFIED EXPERT
  • 53,854 POSTS
I don't see the picture. With the socket overheated I would say the BCM has gone out, which is what controls the headlights, but you should check all fuses first with the systems on.

https://www.2carpros.com/articles/how-to-check-a-car-fuse

We can confirm the BCM failure by doing a CAN scan. You can get a CAN scanner (Controller Area Network) which will work on most cars from Amazon.

Here is a video to show you how:

https://youtu.be/u-4syLc-ifQ

and

https://www.2carpros.com/articles/can-scan-controller-area-network-easy

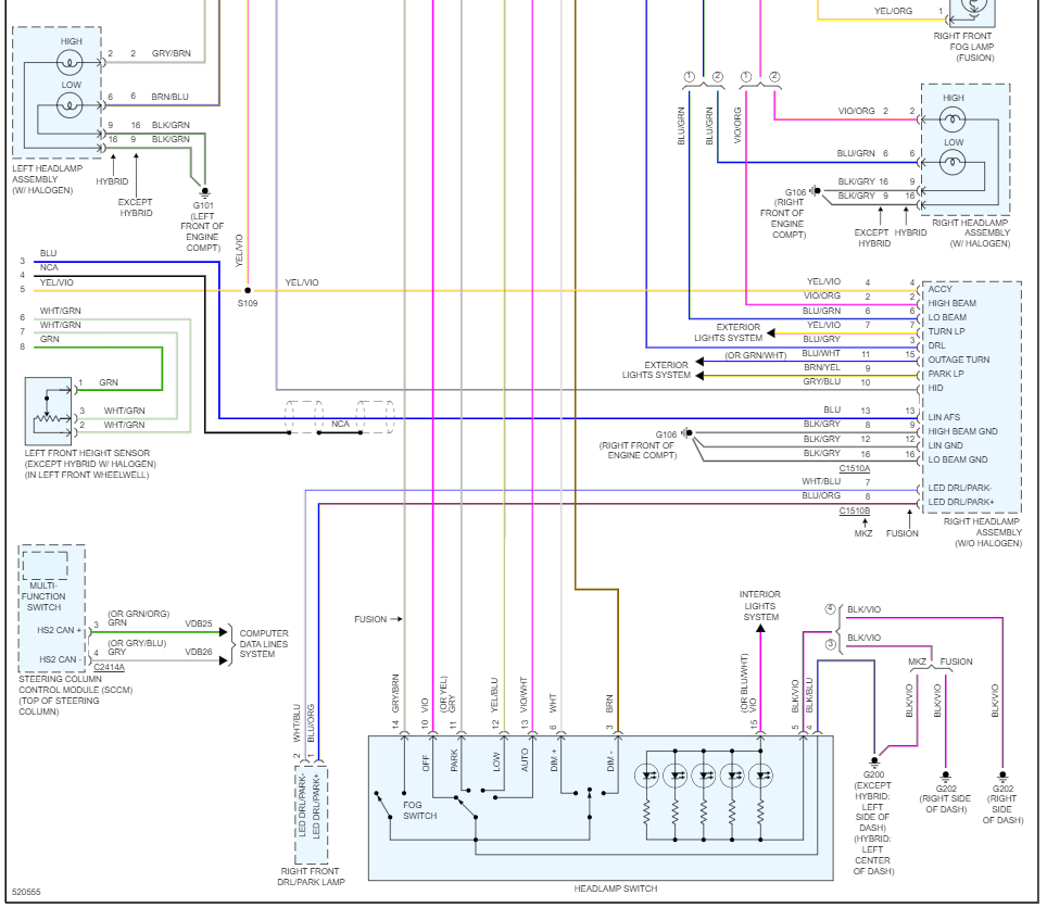
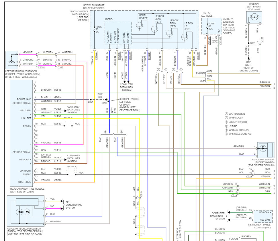
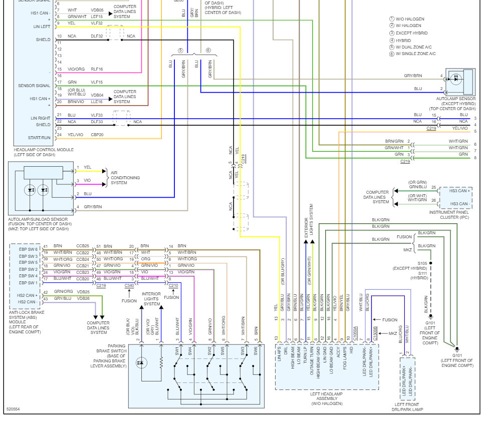
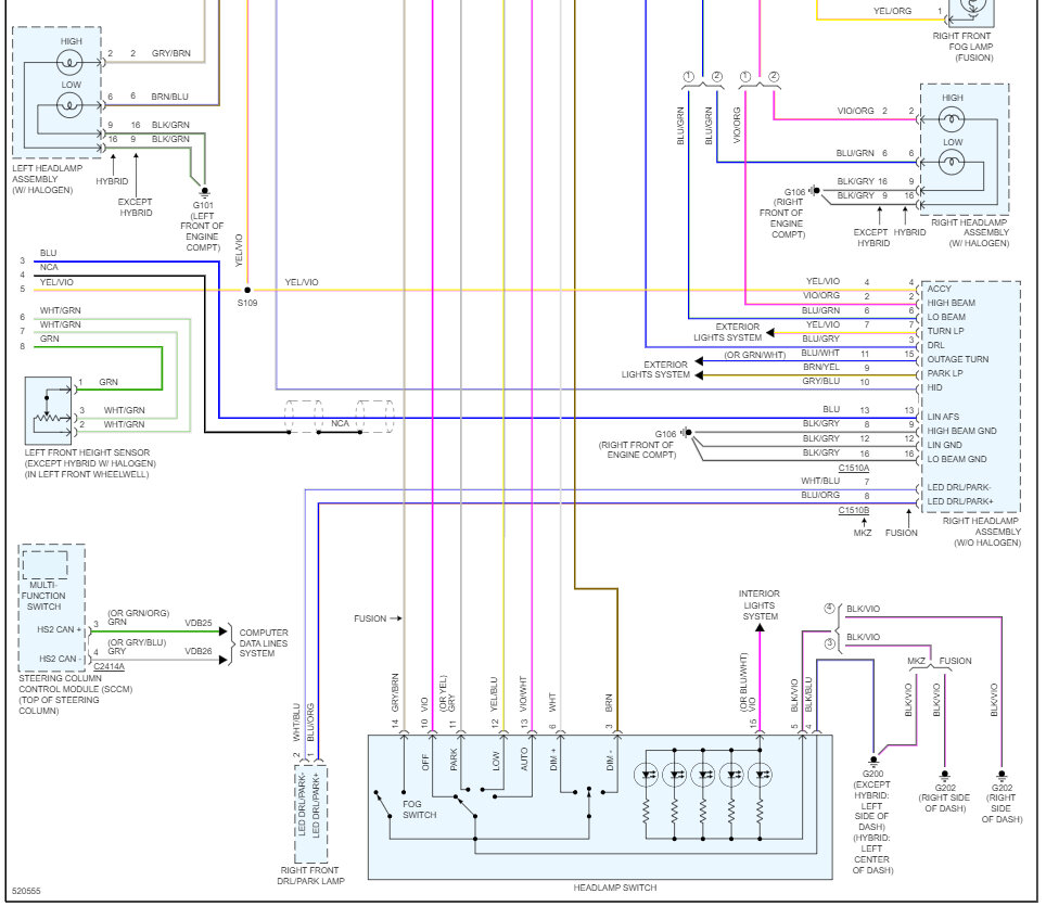
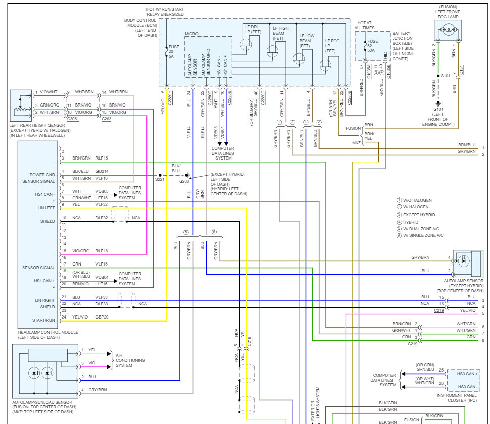
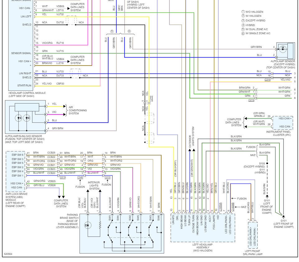
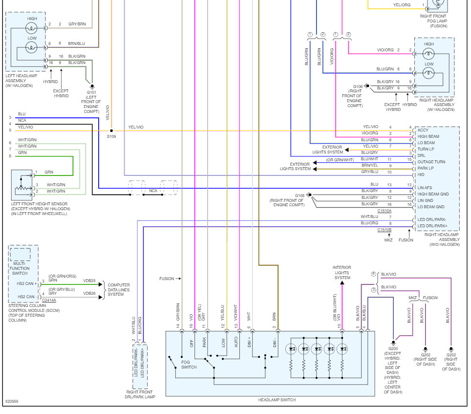
Here is he wiring diagrams for the headlights which show you how the headlights work and i have included how to change out the BCM in case you need it. You can get a preprogrammed unit by searching Google or Ebay. Check out the images (below). Please let us know what happens.
Apr 20, 2023 at 10:23 AM