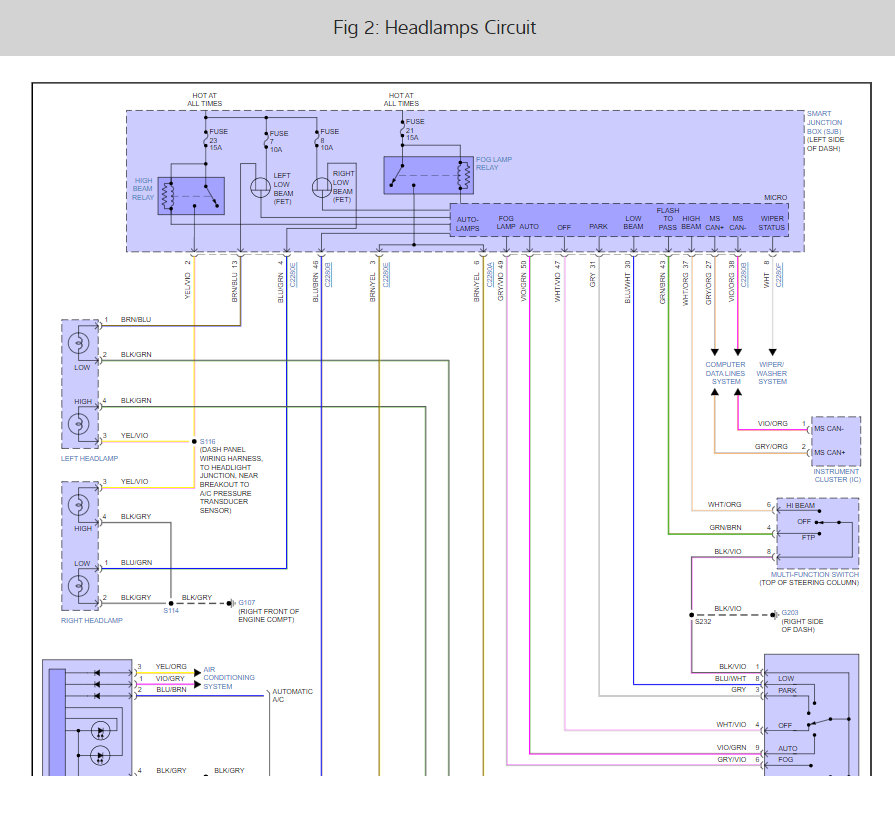
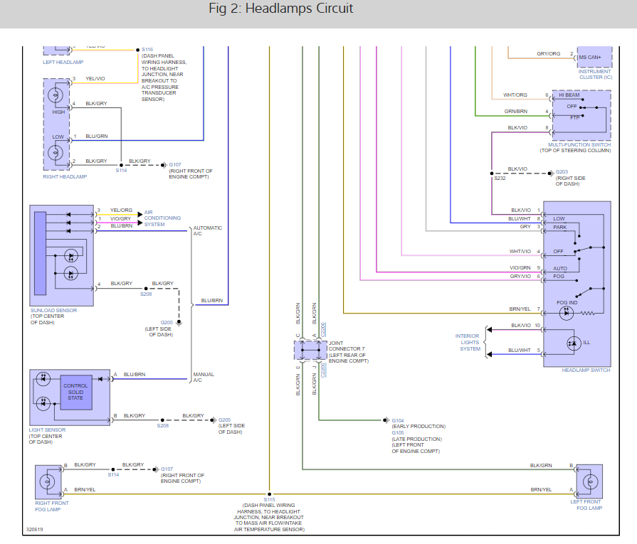
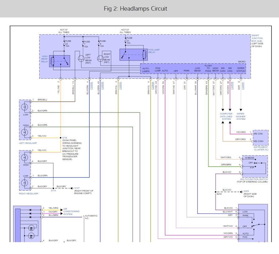
I have the passenger side low beam halogen headlight that doesn’t turn on. The rest of the lights on both sides do. With the lights off, the voltage is 8.7 on both low beams with the lights on, the driver’s side is approximately 12 volts. I’ve checked the fuses and they are good. I’ve checked the connectors they are good and clean. I’ve checked the bulb and it is good. I’ve checked the continuity between the bulb connector and battery. It is good. I’ve traced the wiring back clear until it joins the main wiring harness and didn’t see any breaks or engorged wires.
I’ve had the vehicle for about a year. When I first purchased it, the passenger beam sporadically had issues turning on but would eventually ignite. It increased in frequency and now doesn’t come on at all.
I’m at a loss and would appreciate any guidance you have. I’ve searched through previous articles but didn’t see anything like my issue, specifically the voltage being present with off but not increasing when turned on.
Thanks in advance.
I’ve had the vehicle for about a year. When I first purchased it, the passenger beam sporadically had issues turning on but would eventually ignite. It increased in frequency and now doesn’t come on at all.
I’m at a loss and would appreciate any guidance you have. I’ve searched through previous articles but didn’t see anything like my issue, specifically the voltage being present with off but not increasing when turned on.
Thanks in advance.
Sep 30, 2022 at 11:01 AM








