☰
Login
Join
×
Home
Answered Questions
Repair Topics
Repair & Service Guides
Popular Questions
Warning Lights
Trouble Codes
How It Works
Testing / Diagnostics
Symptoms
Videos
Login
Become a Member
Home
Chevrolet
Tahoe
Engine
Wiring
Engine wiring diagrams camshaft sensor low voltage?
2004 CHEVROLET TAHOE
200,000 MILES • 5.3L • V8 • 4WD • AUTOMATIC
SWINT
MEMBER
1 POST
FOLLOW
Knock sensor low voltage, camshaft sensor low voltage,mass air flow low voltage,shift solenoid b low voltage.
Jan 12, 2021 at 1:20 AM
Advertisement
ASEMASTER6371
CERTIFIED EXPERT
52,796 POSTS
Good morning,
What was the voltage at these sensors?
https://www.2carpros.com/articles/how-to-check-wiring
Are there any codes set for this issue?
https://www.2carpros.com/articles/checking-a-service-engine-soon-or-check-engine-light-on-or-flashing
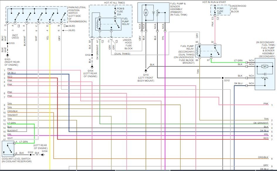
All sensors should have 5 volts and all actuators and solenoids need 12 volts. I attached the wiring diagram for you to view.
I would also check the battery to be sure it is good.
https://www.2carpros.com/articles/car-battery-load-test
Roy
Images (Click to enlarge)
Jan 12, 2021 at 3:56 AM