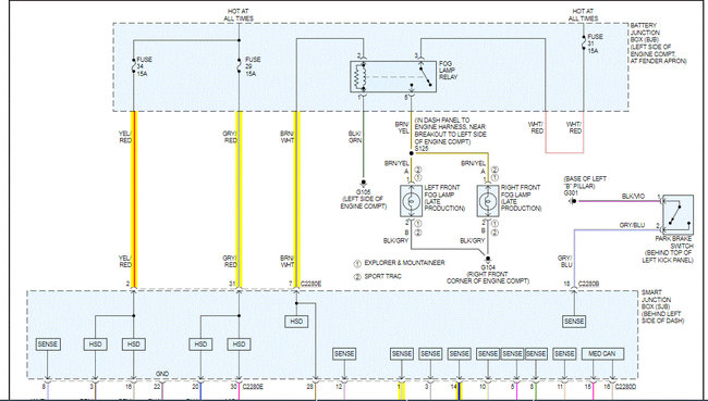
Low voltage at both headlight connectors

2008 FORD EXPLORER SPORT TRAC
150,000 MILES • 4.6L • V8 • 4WD • AUTOMATIC
Avatar
TG53
  • MEMBER
  • 5 POSTS
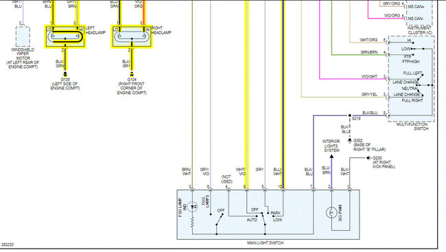
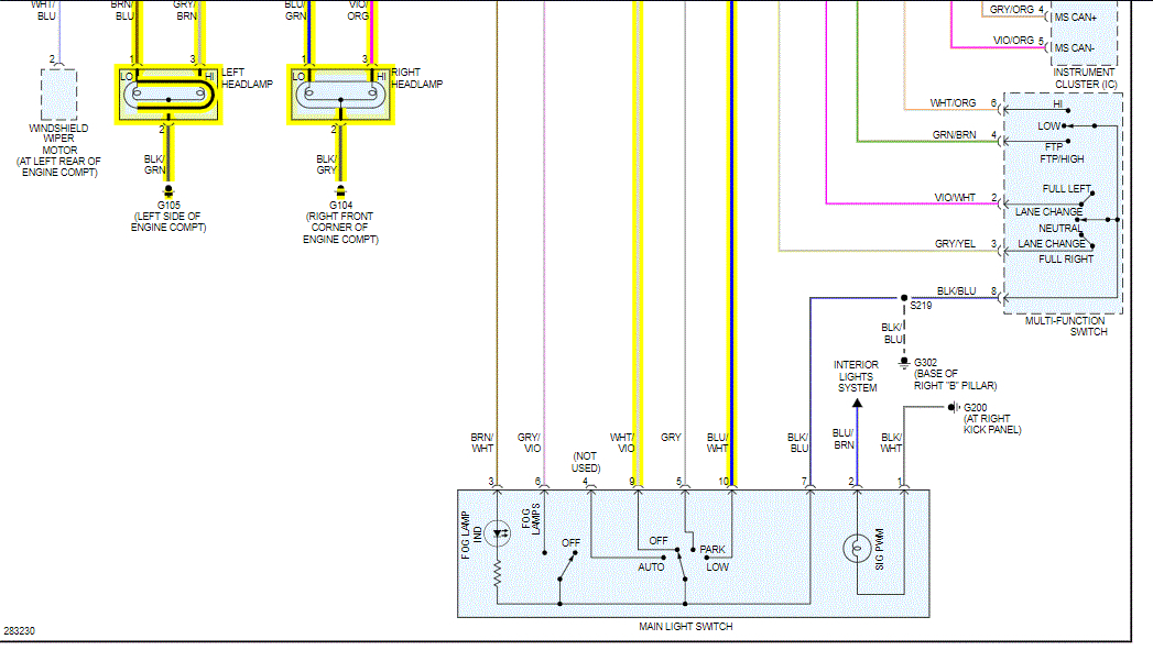
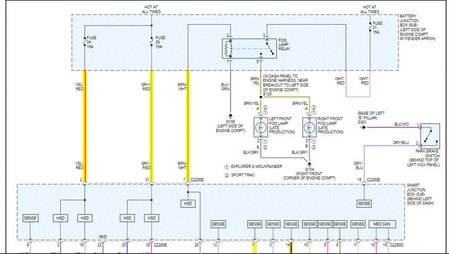
I only have 3v at pin 14 of the lead coming from the light switch to the SJB and the same at the headlight connectors on both sides (low and high beam connections). I have 12v going into the SJB at pin 31 and 2 from the Battery Junction box. Any ideas on what could cause this?
Oct 12, 2020 at 7:43 AM
Advertisement
Avatar
ASEMASTER6371
  • CERTIFIED EXPERT
  • 52,796 POSTS
Good morning,

Okay, you have the powers to the module.

As far as the headlight switch, it only sends a signal to the module to turn on the lights as per your command of low or high beams. The internal circuitry is what controls the voltage output to the lights. If you only have 3 volts to the headlights, it looks like the module is the issue.

https://www.2carpros.com/articles/how-to-check-wiring

Do you have a scan tool that can communicate with the SJB? You can monitor the output from the scan tool to the headlamps and will also give you trouble codes as well.

I attached a procedure for the replacement of the module. It looks like the module has failed and needs to be replaced.

Roy

PRINCIPLES OF OPERATION

NOTE: The smart junction box (SJB) is also known as the generic electronic module (GEM).

The SJB monitors the headlamp switch position by sending multiple voltage reference signals to the headlamp switch. When the headlamp switch is in any given position, that input signal is routed to ground.

The SJB also monitors the light sensor with a voltage reference signal. The light sensor input to the SJB varies with the ambient light conditions.

When the SJB receives an input from the headlamp switch indicating a request for the autolamps, the SJB then monitors the light sensor for the ambient light condition. If the SJB determines the ambient light level is dark, the SJB supplies voltage to the exterior lamps.

Vehicles equipped with autolamps also have a feature that turns on the exterior lamps when the windshield wipers are on. When the SJB detects a ground signal from the windshield wiper motor, the SJB turns the exterior lamps on.

SJB

Removal

CAUTION:
If the SJB is dropped, damage to the internal components may occur. A new SJB must be installed.
Electronic modules are sensitive to static electrical charges. If exposed to these charges, damage may result.

NOTE:
Prior to the replacement of the module, it is necessary to upload the module configuration information into the appropriate scan tool. This information must be downloaded into the new module after installation.
The tire pressure monitoring system (TPMS) functionality is integral to the SJB.
The steps included in the SJB removal and installation procedure are critical to restoring the vehicle security and tire pressure monitoring systems to normal operation. A new SJB is delivered in a manufacturing mode with 6 pre-set DTCs related to the TPMS. To clear the DTCs, successful configuration of the SJB must occur, followed by successful TPMS sensor training, and a successful self-test, including clearing of the DTCs. The DTCs are as follows:
B2477 (Module Configuration Failure)
B2868 (Left Front Tire Pressure Sensor Fault)
B2869 (Right Front Tire Pressure Sensor Fault)
B2870 (Right Rear Tire Pressure Sensor Fault)
B2871 (Left Rear Tire Pressure Sensor Fault)
C2780 (ECU in Manufacturer Sub-State)

1. NOTE: This step is necessary only if the SJB is being replaced.

Upload the module configuration information from the SJB.

2. Remove the driver door scuff plate.
3. Position the LH door opening weather seal aside.

4. NOTE: While pulling the trim panel rearward, pull the hood release lever rearward in order for the release lever to slide through the trim panel.

Remove the pushpin and the cowl side trim panel.

5. Remove the 2 bolts and the parking brake release handle.
6. Disconnect the parking brake switch electrical connector.
7. Release the hood release cable pushpin from the parking brake control bracket.
8. Release the harness clip from the parking brake cable housing.

9. NOTE: Rotating the parking brake control counterclockwise allows enough access to clear the instrument panel reinforcement.

Remove the 3 bolts and position the parking brake control assembly under the brake pedal.

10. CAUTION: The lower side of the headlight switch bezel includes 2 tabs that slide down onto the instrument panel and may be broken if any prying force is exerted in the lower area of the bezel.

Using a suitable tool, pry the mid-to-upper side of the headlight switch bezel away from the instrument panel (then lift it upward to disengage the lower tangs from the instrument panel), disconnect the 2 electrical connectors and position the bezel assembly aside.

11 If necessary, push the LH instrument panel side finish panel out and position it aside.
12. Through the headlight switch bezel opening, remove the 2 SJB bolts.
13. From under the instrument panel, remove the third (lower right) SJB bolt.

14. NOTE: The SJB electrical connector levers must click into a fully released position before they can be removed and must click into a fully closed (connected) position when installing.

Pull the SJB down out of the 2 locating pins, disconnect the 5 electrical connectors and remove the SJB.

Installation

NOTE: When a new SJB is installed, all customer RKE transmitters may be required to be present in order to program the RKE transmitters to the new SJB.

1. NOTE: The SJB electrical connector levers must click into a fully released position before they can be removed and must click into a fully closed (connected) position when installing.

Position the SJB into the 2 locating pins and connect the 5 electrical connectors.

2. From under the instrument panel, install the lower, right SJB bolt.
3. Through the headlight switch bezel opening, install the 2 SJB bolts.
4. If necessary, install the LH instrument panel side finish panel.
5. Connect the 2 electrical connectors and install the headlight switch bezel assembly into the instrument panel.
6. Position the parking brake control assembly and install the 3 bolts.
Tighten to 20 Nm (15 lb-ft).

7. Install the harness clip on the parking brake cable housing.
8. Install the hood release cable pushpin into the parking brake control bracket.
9. Connect the parking brake switch electrical connector.
10. Position the parking brake release handle and install the 2 bolts.

11. NOTE: While installing the trim panel, pull the hood release lever rearward in order for the release lever to slide through the trim panel.

Position the cowl side trim panel and install the pushpin.

12. Position the LH door opening weather seal.

13. NOTE: If the SJB was not replaced, this is the last step that is necessary.

Install the driver door scuff plate.

14. NOTE:
When successful, this step provides the calibration necessary for the SJB operation and clears DTC B2477. The clearing of this DTC indicates the calibration data has been successfully downloaded to the new SJB.
When successful, this step also programs the remote transmitters into the new SJB. In the event the remote transmitters do not program to the new SJB, all of the remote transmitters will need to be present and refer to Locks, Remote Keyless Entry Transmitter Programming. This action will program the remote transmitters into the new SJB.

Download the SJB configuration information from the scan tool into the new SJB.

15. NOTE: When successful, this step clears DTCs B2868, B2869, B2870 and B2871. The clearing of these DTCs indicates the SJB has recognized the tire pressure sensors during the training procedure.

Train the tire pressure sensors.

16. NOTE: DTC C2780 will not clear if any of the pre-set DTCs are still present in the SJB. When successful, this step will clear the DTC C2780.

Carry out the SJB on-demand self-test by clearing DTCs, and then retrieving DTCs to confirm all DTCs have been cleared.
Oct 12, 2020 at 8:07 AM
Avatar
TG53
  • MEMBER
  • 5 POSTS
I downloaded the FORscan software to my laptop and I have a OHP ELMconfig FORScan OBD2 USB adapter with MS-CAN / HS-CAN switch. Do you know if this will scan the SJB and if so do you have any directions on how to do it?
Oct 12, 2020 at 10:01 AM
Advertisement
Avatar
ASEMASTER6371
  • CERTIFIED EXPERT
  • 52,796 POSTS
I do not see it listed for your scan tool at all. I use a snap on Apollo.

Roy
Oct 12, 2020 at 10:03 AM
Avatar
TG53
  • MEMBER
  • 5 POSTS
Also so you know, this is a project in which I have mounted a 1953 F100 body on a 2008 Sport Trac. All of the wiring harnesses were removed and reinstalled. many of the wires going to things like the back doors, TPMS, Airbags, have been removed.
Oct 12, 2020 at 10:04 AM
Avatar
ASEMASTER6371
  • CERTIFIED EXPERT
  • 52,796 POSTS
No, I am sorry, I did not know that. It makes it a bit more challenging for the repair.

Roy
Oct 12, 2020 at 10:15 AM
Avatar
TG53
  • MEMBER
  • 5 POSTS
Indeed. I just need the basics working.
Oct 12, 2020 at 3:21 PM
Avatar
ASEMASTER6371
  • CERTIFIED EXPERT
  • 52,796 POSTS
Got it.

Good luck.

Roy
Oct 12, 2020 at 3:28 PM