Low oil pressure reading

2004 TOYOTA SEQUOIA
156,000 MILES • 4.7L • V8 • 2WD • AUTOMATIC
Avatar
STEELERDYNASTY
  • MEMBER
  • 50 POSTS
My Oil pressure gauge is always low (actually bottomed out), running and/or at idle.
I just completed an oil change, changed the oil filter, and oil pressure sending unit. no improvement. The vehicle still runs and sounds great, but the gauge is still bottomed out.
Jul 19, 2021 at 7:02 AM
Advertisement
Avatar
SQM
  • CERTIFIED EXPERT
  • 6,383 POSTS
Hello,

Have you got a chance to test the oil pressure?

This is the ideal Oil pressure
at idle speed .................... 29 kPa (0.3 kgf/cm2, 4.3 psi) or more
at 3,000 rpm .................... 294 - 588 kPa (3.0 - 6.0 kgf/cm2, 43 - 85 psi)

If you don't have any drivability issue and you have changed out the sensor with no visible difference in the gauge it might simply be a faulty gauge.

https://www.2carpros.com/articles/high-or-low-engine-oil-pressure

I have attached the oil pressure testing procedure for your reference.

Let me know of any questions.

Thank you.
Jul 19, 2021 at 7:21 AM
Avatar
ASEMASTER6371
  • CERTIFIED EXPERT
  • 52,796 POSTS
Good morning,

I would have the actual pressure tested with a gauge.

https://www.2carpros.com/articles/high-or-low-engine-oil-pressure

They remove the sender and insert a gauge. If it reads low like the gauge it could be the oil pump just keeping up with the needs of the engine. If it shows high, then it could be wiring or the dashboard is the issue.

I attached the specs below for you.

Oil pressure
at idle speed .................... 29 kPa (0.3 kgf/cm2, 4.3 psi) or more
at 3,000 rpm .................... 294 - 588 kPa (3.0 - 6.0 kgf/cm2, 43 - 85 psi)

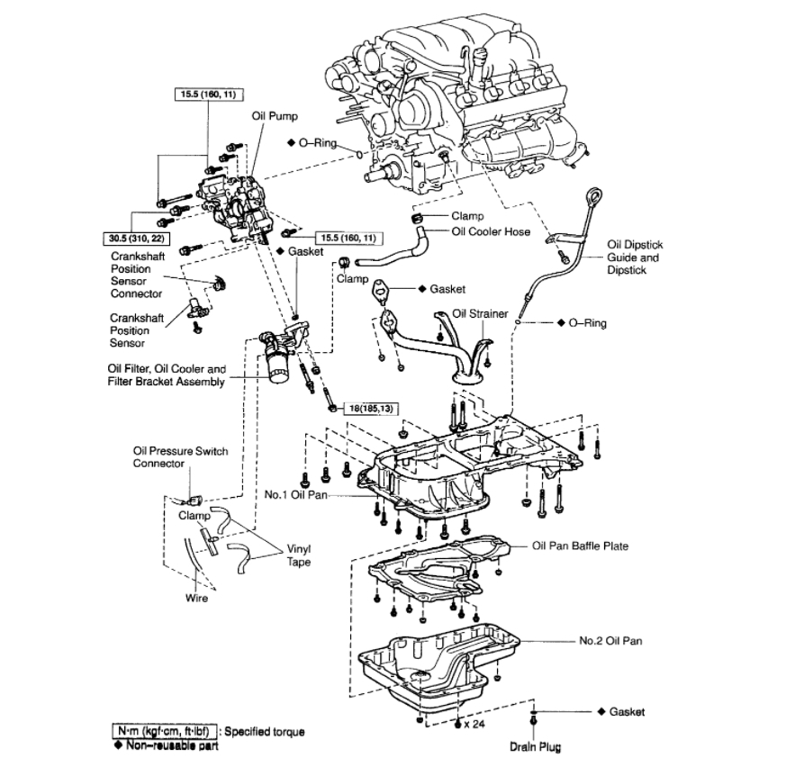
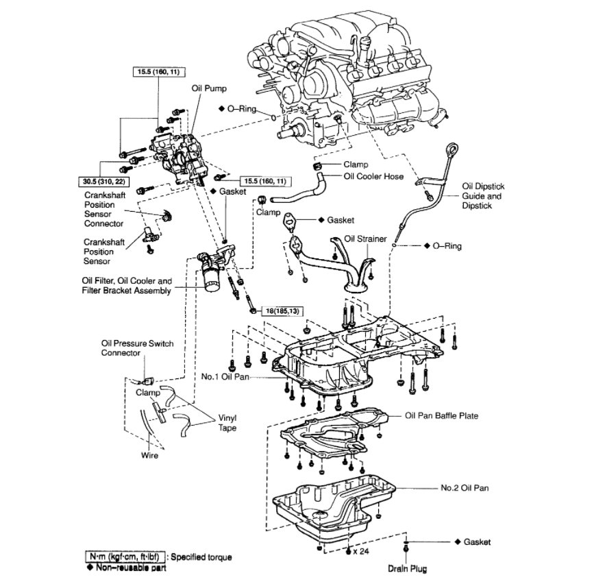
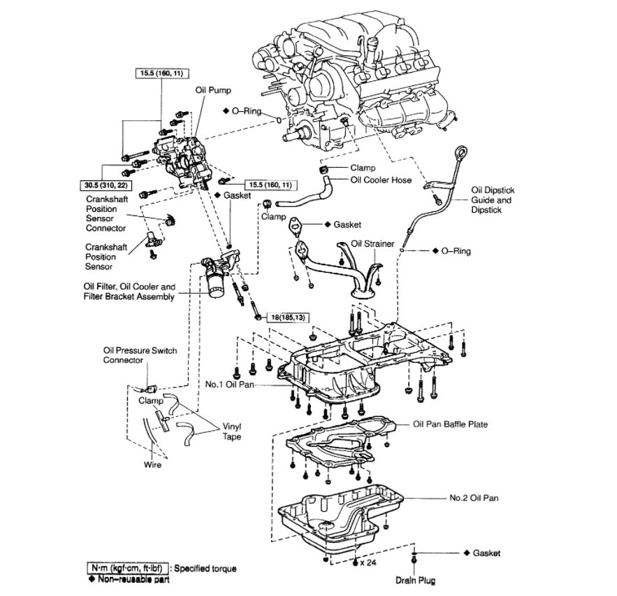
The oil pump is a major job as the engine has to be removed for this.

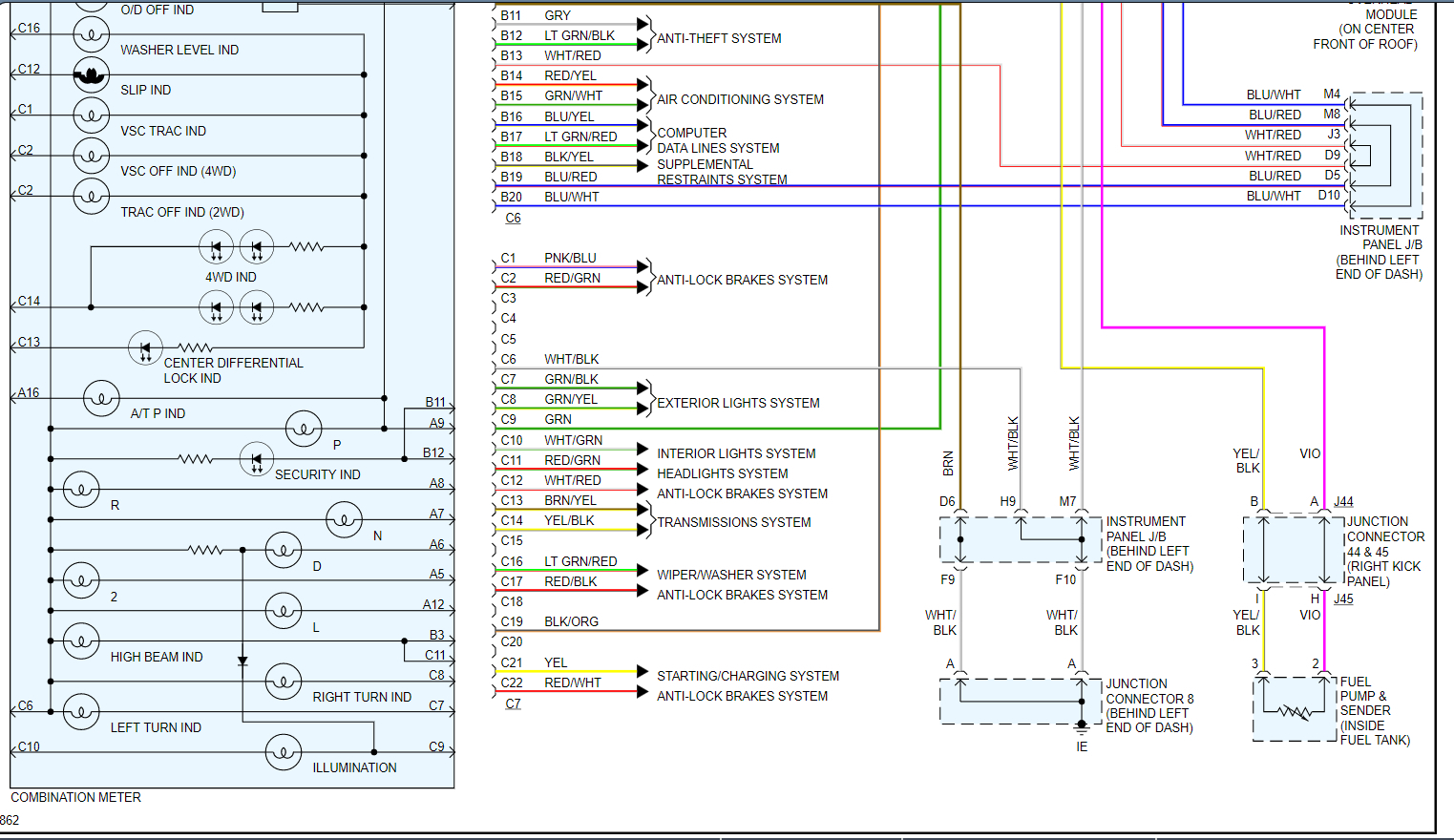
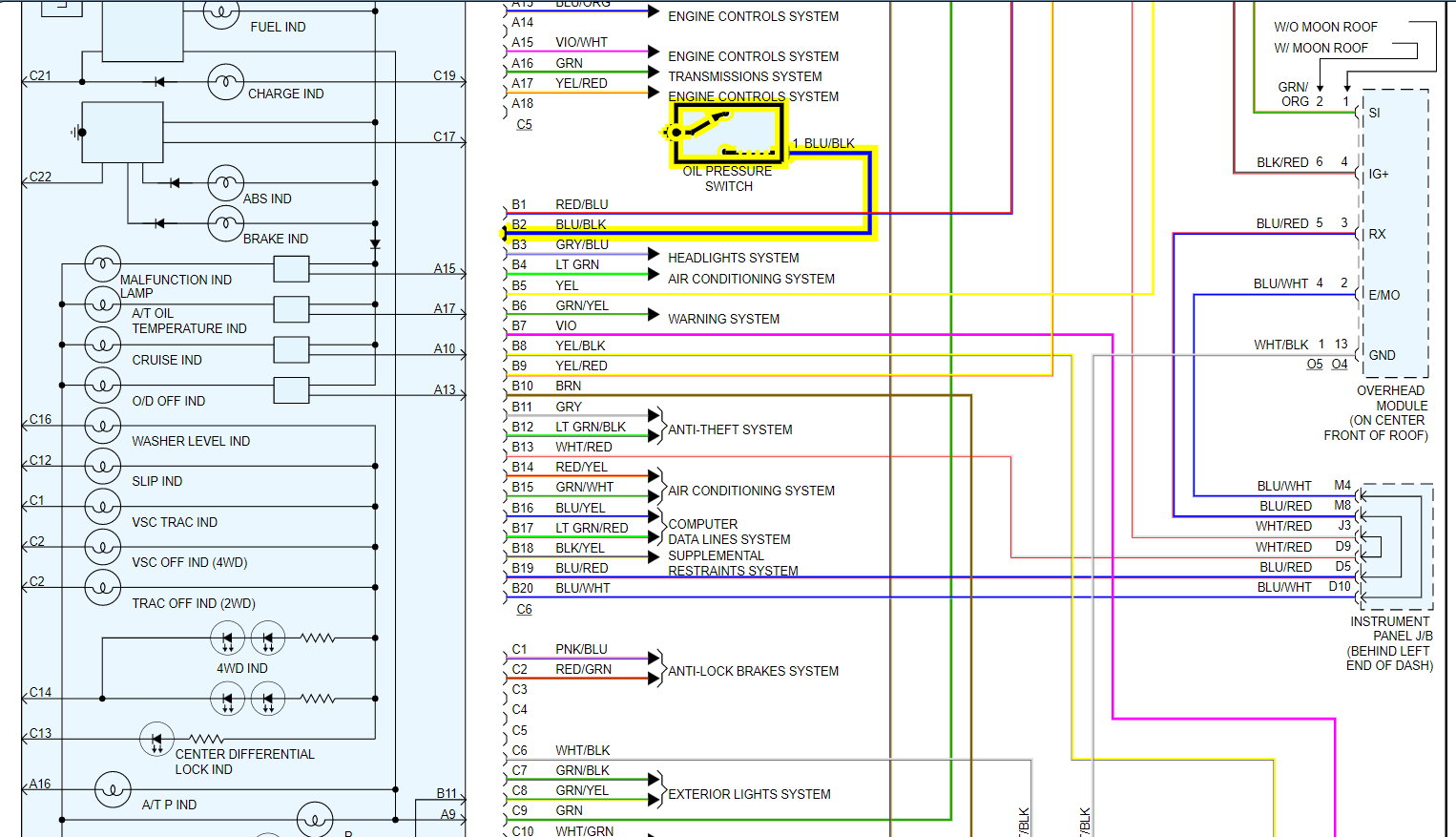
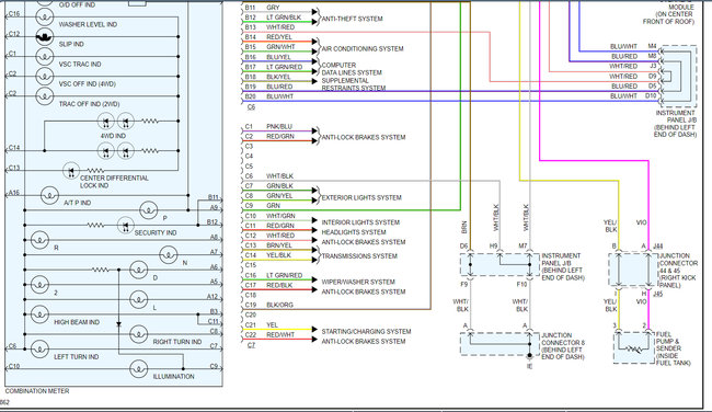
I also attached the wiring diagram of the sender for you. You should use a scan tool to see if the ECM sees anything different than the gauge on the dash.

Roy
Jul 19, 2021 at 7:38 AM
Advertisement
Avatar
STEELERDYNASTY
  • MEMBER
  • 50 POSTS
Thank you both! I will go and grab a pressure tester today and see what that reveals. The oil pump repair does not sound affordable.
Jul 19, 2021 at 7:52 AM
Avatar
ASEMASTER6371
  • CERTIFIED EXPERT
  • 52,796 POSTS
You are welcome.

Always glad to help.

Roy
Jul 19, 2021 at 7:55 AM
Avatar
STEELERDYNASTY
  • MEMBER
  • 50 POSTS
I was finally able to get the pressure tested. I have attached a picture of where the reading finally settled at idle after warming to temperature. initially, it was a high as 40 PSI according to this reading at startup. I have a BlueDriver OBD Scan tool as well as using Torque Pro on Android so I'm going to see what kind of readings i get on the oil pressure from those.
Hopefully, the great ideas are abundant! Thanks again for your help.
Aug 1, 2021 at 8:46 AM
Avatar
ASEMASTER6371
  • CERTIFIED EXPERT
  • 52,796 POSTS
Okay, 20 is low. Now, with the gauge still installed, put the truck in gear to lower the RPM and see if the pressure drops.

Roy
Aug 1, 2021 at 8:50 AM
Avatar
STEELERDYNASTY
  • MEMBER
  • 50 POSTS
been a while, with no issues I might add, but I'm circling back to this issue. According to the specs:
Oil pressure
at idle speed .................... 29 kPa (0.3 kgf/cm2, 4.3 psi) or more
at 3,000 RPMs .................... 294 - 588 kPa (3.0 - 6.0 kgf/cm2, 43 - 85 PSI)

isn't my 20 PSI reading (see pic above) quite high for idle? Am I misunderstanding the specs? I have a helper now who can hold and read the gauge while I run the RPMs to 3,000. According to my understanding, the psi should increase when I run the RPMs higher, correct?
Jun 18, 2023 at 8:07 PM
Avatar
JACOBANDNICKOLAS
  • CERTIFIED EXPERT
  • 110,175 POSTS
Hi,

We lost a good friend, Roy, about a year ago, and he is missed. However, I will try to jump in for him.

If you are getting 20 PSI at idle, that is fine. The minimum is much lower.

As far as your readings at 3,000 RPMs, you are correct. As the engine RPMs increase, the pressure will also. The oil pump is mechanical, so as it turns faster, the pressure increases.

What pressure did you get at 3,000?

Let me know. Also, let me know if this is what you needed to know.

Take care,

Joe

Jun 20, 2023 at 9:36 PM