Low oil pressure 15-20 lbs

2006 GMC YUKON
255,000 MILES • 6.0L • V8 • 4WD • AUTOMATIC
Avatar
MIKE SUTPHEN
  • MEMBER
  • 1 POST
Low oil pressure 15-18 lbs idling when cold and it might go up to 25 Lbs when idling warm sometimes it doesn't go higher.
I replaced the sending unit and it reads lower now than it did before. It had noisy lifters once or twice but not now. I changed the oil and filter and use the right stuff 5-30 oil... a few times it went into limp mode very low power and I stopped and turned it off and restarted it and it ran okay again.
I suspect it is the oil pickup o-ring causing this but want another opinion.
Dec 11, 2019 at 12:43 PM
Advertisement
Avatar
STRAILER
  • CERTIFIED EXPERT
  • 53,854 POSTS
Hello,

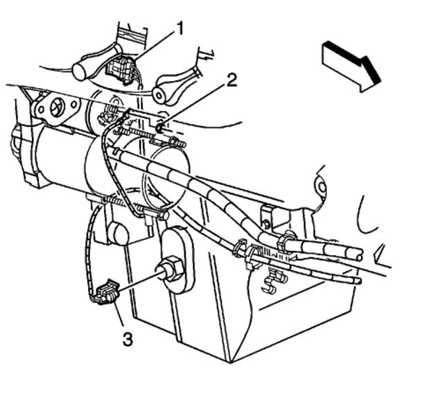
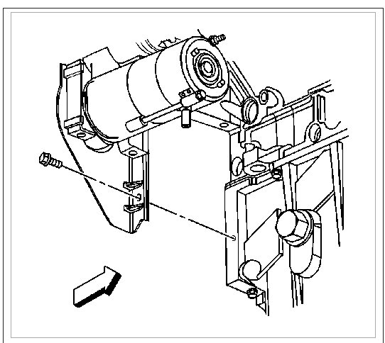
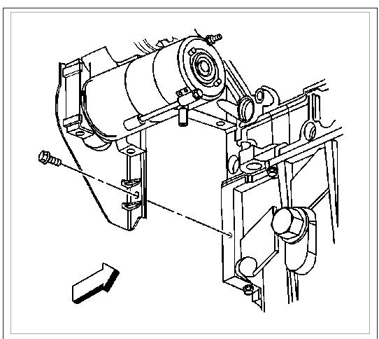
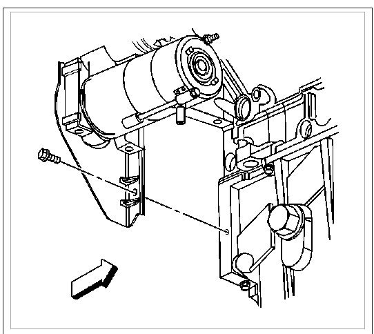
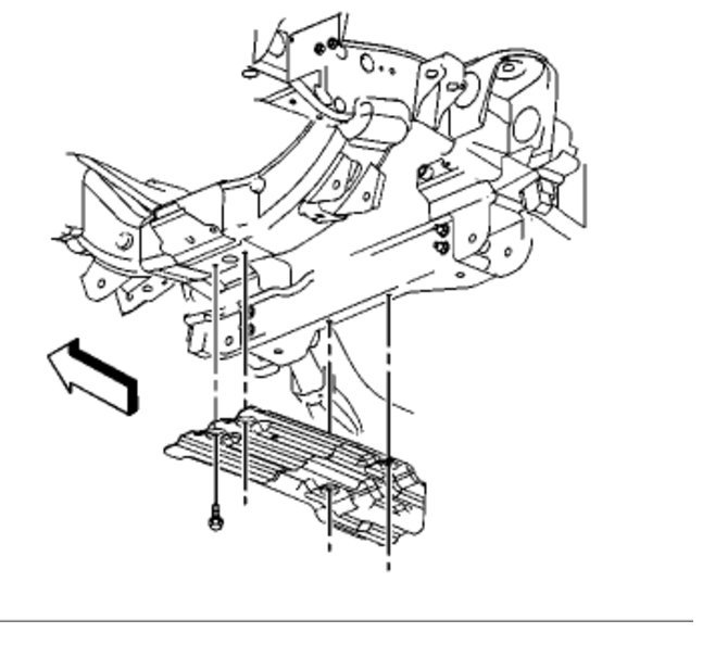
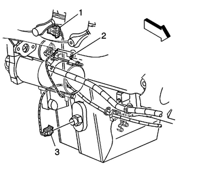
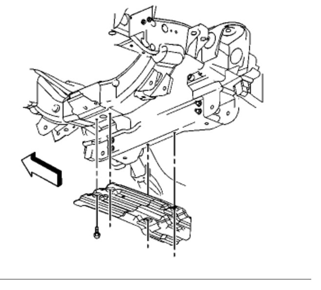
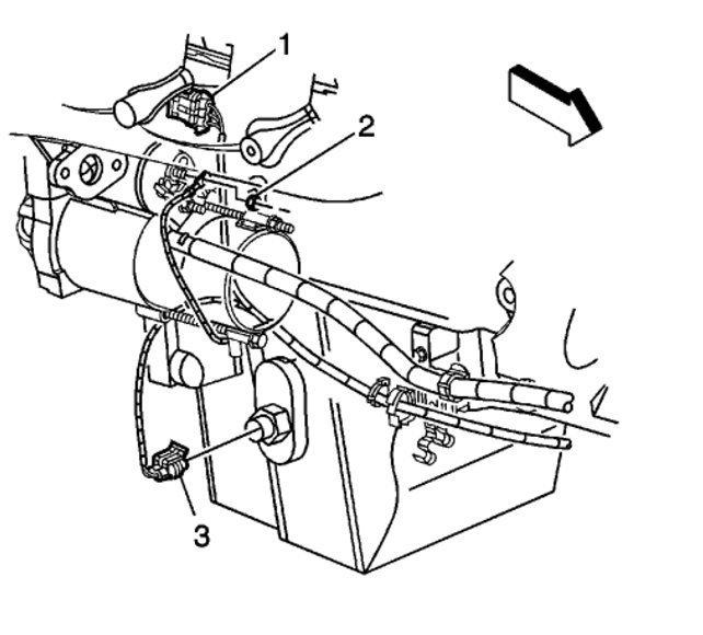
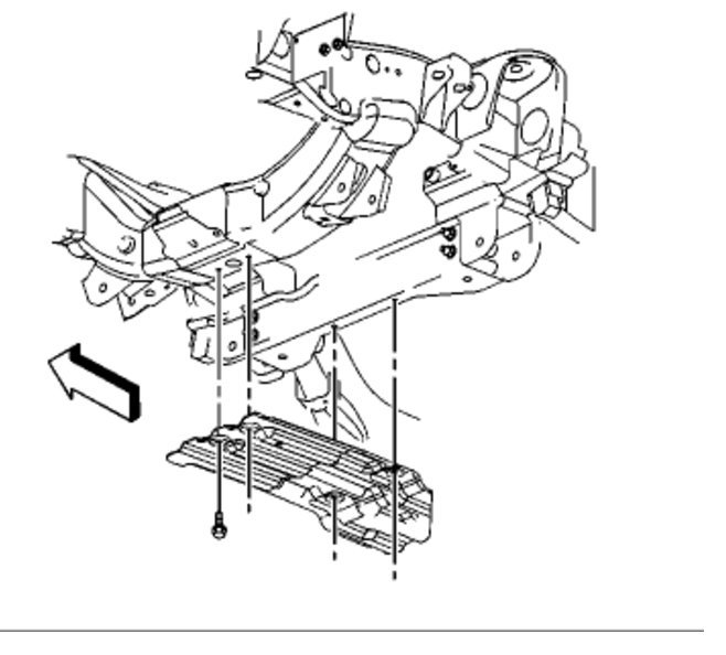
This usually happens when the oil pump pick up gets clogged up due to lack of maintenance. I would remove the oil pan to inspect. The instructions of the oil pan removal are in the diagrams below.


Dec 12, 2019 at 4:08 PM