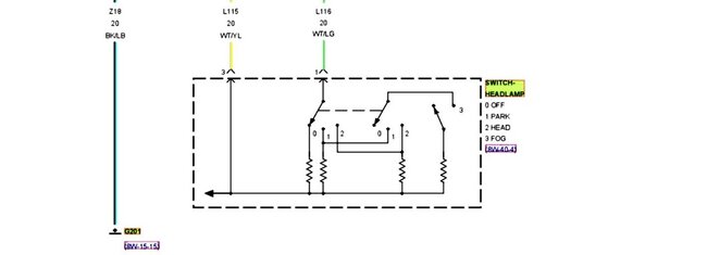
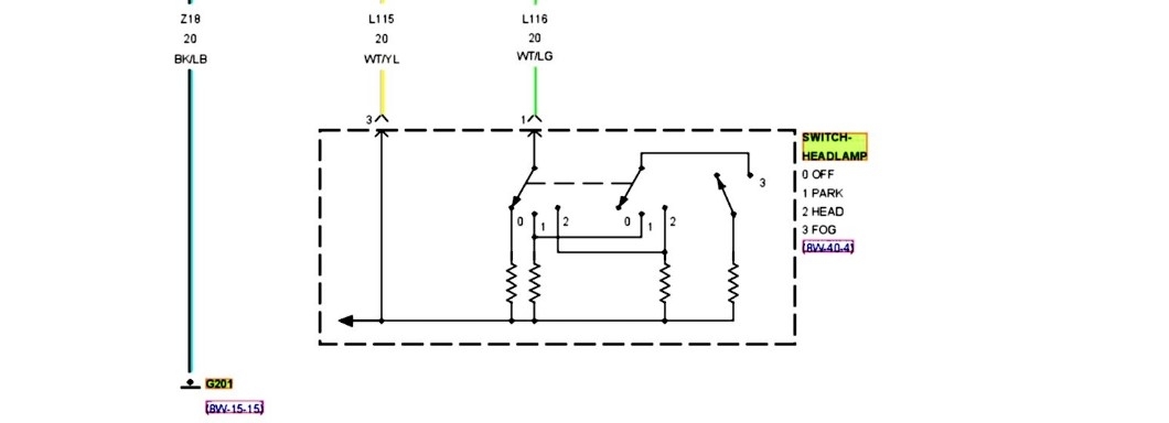
Can you please provide me with a wiring diagram for the truck listed above? I need to determine what pins the low beams connect to coming out of the TIPM.
Jan 9, 2025 at 10:20 AM





















