Low coolant

2001 CHEVROLET SUBURBAN
197,000 MILES • 5.0L • V8 • 2WD • AUTOMATIC
Avatar
CHARLIE406
  • MEMBER
  • 1 POST
The low coolant light came on, when added I can see it dripping out, however I could see from where. It was near the tire. It's an old truck so worried that it's not an easy fix.
Jan 18, 2020 at 6:27 AM
Advertisement
Avatar
ASEMASTER6371
  • CERTIFIED EXPERT
  • 52,796 POSTS
Good afternoon,

Can you post some pictures of the location of the leak?

https://www.2carpros.com/articles/car-is-leaking-coolant

You can rent a pressure tester to determine the exact location of the leak.

https://www.2carpros.com/articles/radiator-pressure-test

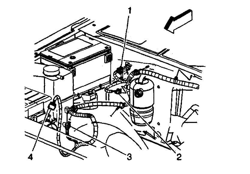
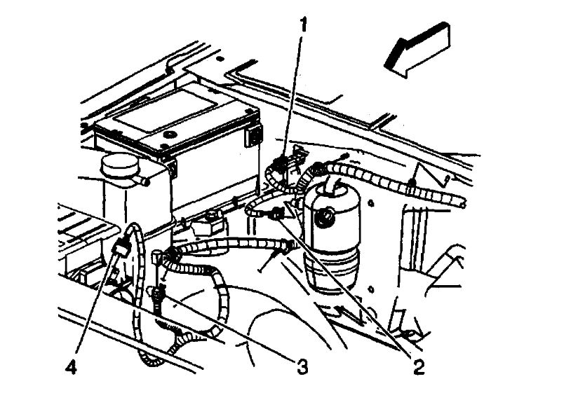
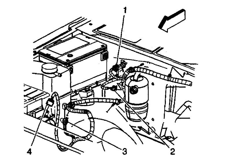
Right above the tire is the surge tank. I circled the most common areas for leaks.

Roy
Jan 18, 2020 at 9:56 AM