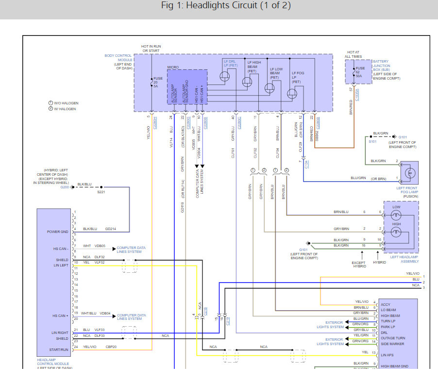
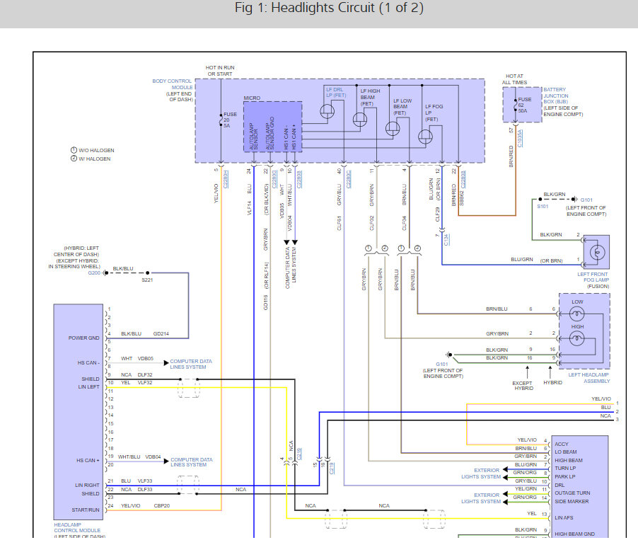
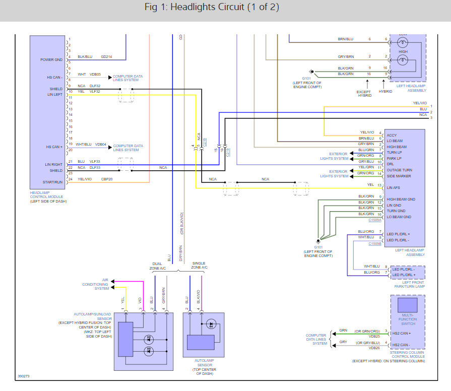
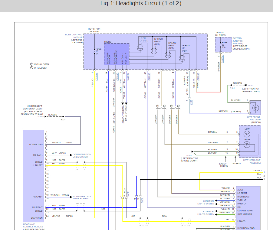
My high beams work fine, my fog lights work fine, my low beams barely emit light when you unplug the connector, they shut off completely so I know that they still show some light but that's the only way you can tell. When I touch the ground wire at the connector on either side light with a test light grounded at the battery the low beams come on for a few seconds. I don't see any breaks in the wire or extreme corrosion or dirt or anything.
Dec 27, 2022 at 8:09 AM


















