Low beam headlights

2007 HYUNDAI AZERA
100,000 MILES • 6 CYL • AUTOMATIC
Avatar
KATHLEEN LAY
  • MEMBER
  • 2 POSTS
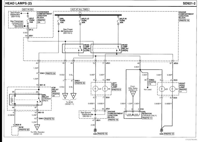
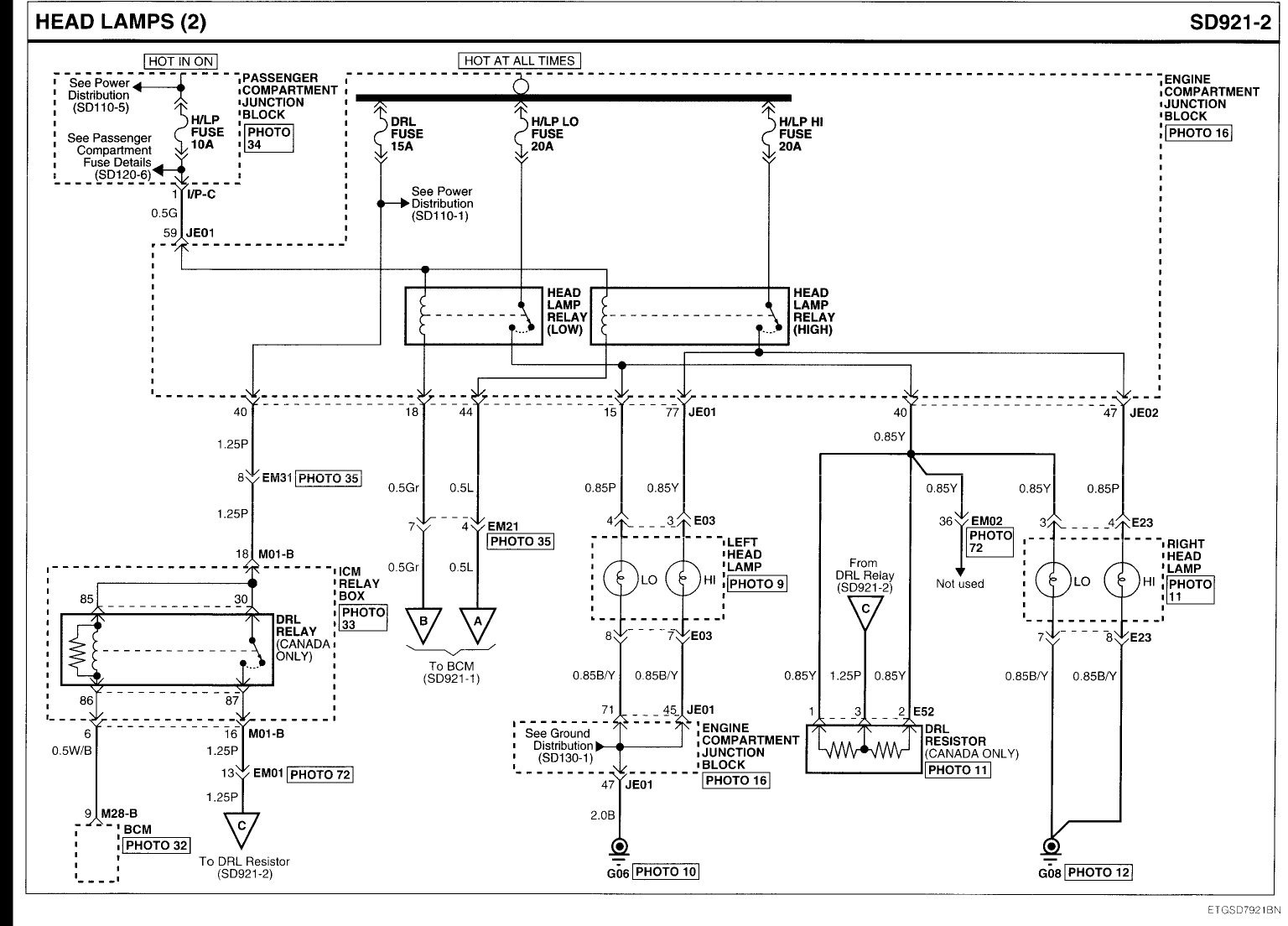
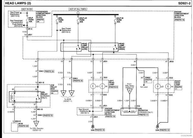
I pulled into the garage one night and my low beam headlights went out. I would like to be able to diagnose before spending a couple hundred of dollars. How may I tell if it is a fuse (both headlamps went out at the same time), or the low beam fuse?
Nov 14, 2017 at 8:45 AM
Advertisement
Avatar
JACOBANDNICKOLAS
  • CERTIFIED EXPERT
  • 110,175 POSTS
Under the hood in the power distribution box (fuse box) are the fuses. Remove the one for low beam and simply plug a new one in. They are cheap to try. If that does not help, the next suspect is the high/low beam switch itself.
Nov 14, 2017 at 7:24 PM
Avatar
JACOBANDNICKOLAS
  • CERTIFIED EXPERT
  • 110,175 POSTS
PS: Make sure you use the same amperage fuse. It will indicate the amperage on the fuse itself.
Nov 14, 2017 at 7:25 PM
Advertisement
Avatar
KATHLEEN LAY
  • MEMBER
  • 2 POSTS
Are there two locations for fuses? I found a fuse box near the steering wheel. Is there another one under the hood for the headlamps?
Nov 15, 2017 at 6:13 AM
Avatar
STEVE W.
  • CERTIFIED EXPERT
  • 15,113 POSTS
There is a fuse and relay box on the drivers side under the hood, it has the fuses and relays for both high and low beam. The high and low beams fuses and relays are interchangeable so you could swap the fuses first, if the lows come on but highs go out, it is a bad fuse. If swapping the fuses does not work you can try swapping the relays and see if they switch places, if so then the relay is bad. If neither option works it could be a bad switch or wire. That would take further testing.
Nov 15, 2017 at 7:18 PM