Low beam headlight problem

2013 MAZDA 6
40,000 MILES • 2.5L • 4 CYL • FWD • AUTOMATIC
Avatar
ERIK KIELLY
  • MEMBER
  • 3 POSTS
Right side low beam headlight will not work. I tried replacing bulb, then verified fuses, then swapped bulbs left to right which verified bulbs are okay, but problem on right side. Rechecked fuses with multi-meter and these are good.
This appears to be a common problem based on the internet complaints but i have not found a common remedy.
Any thoughts or suggestions would be appreciated.
Where is the ground located, to check it? Is there a relay that can be checked easily?
Apr 11, 2017 at 8:55 PM
Advertisement
Avatar
HMAC300
  • CERTIFIED EXPERT
  • 48,601 POSTS
you can check the ground it is on right front of engine compartment normally by the radiator. then have it scanned for codes as there is a headlight control module that may be bad. a mechanic will need to do that.
Apr 12, 2017 at 7:03 AM
Avatar
ERIK KIELLY
  • MEMBER
  • 3 POSTS
Thanks for the reply. I will try to check for the ground location tonight and confirm it is okay.
This car does not have the HID lights, is that not the control module you mention earlier?
Apr 12, 2017 at 11:19 AM
Advertisement
Avatar
HMAC300
  • CERTIFIED EXPERT
  • 48,601 POSTS
well there are four different models of your car and i looked up base the others will more than likely be the same.
Apr 12, 2017 at 11:59 AM
Avatar
STRAILER
  • CERTIFIED EXPERT
  • 53,854 POSTS
Hello Eirk,

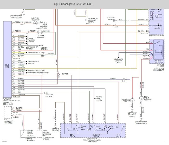
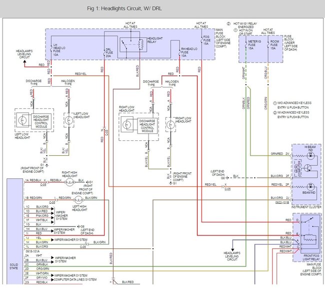
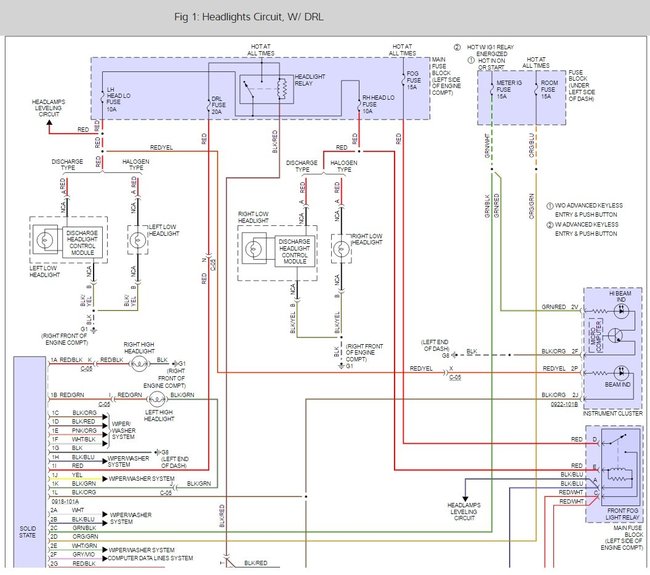
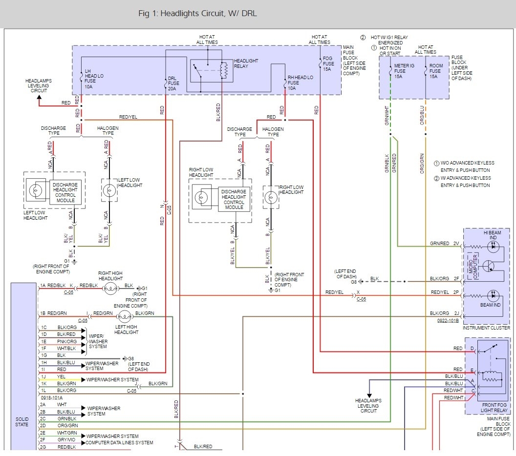
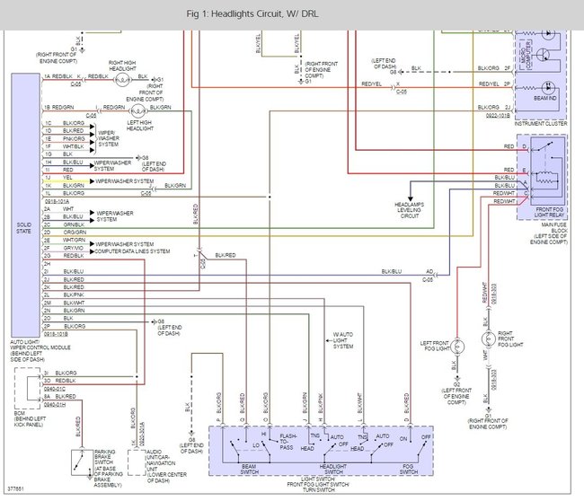
There are two separate fuses for left and right headlight. Here is a wiring diagram and a guide to help you test for power and ground for the headlights.

https://www.2carpros.com/articles/how-to-check-wiring


Please let us know what happens.

Best, Ken

Apr 12, 2017 at 5:52 PM
Avatar
ERIK KIELLY
  • MEMBER
  • 3 POSTS
Correct, separate fuses and all tested ok.
The ground wire appears tight and clean (assuming I found the correct one).
Thanks for the schematic, I gues I will start at the fuse box and work up or down from there.
Seems like a very common problem according to posts, thought I would find what others did to fix and start with those, but guess not.
Apr 12, 2017 at 7:06 PM
Avatar
STRAILER
  • CERTIFIED EXPERT
  • 53,854 POSTS
Do you have power at the fuses? You can see by the wiring diagram that the relay supplies power to both headlights.

Use a test light to see when you loose power somewhere.

Best, Ken

Apr 13, 2017 at 10:38 AM