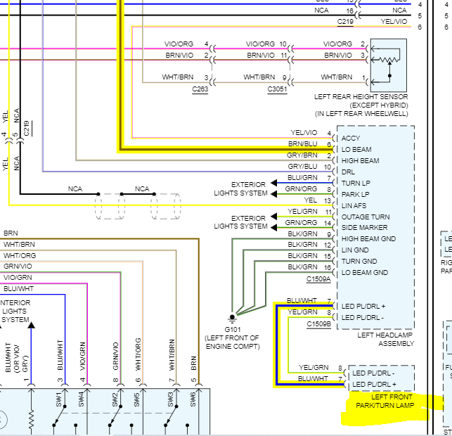
I'm having issues with my front passenger headlight. My low beams and my blinker will not work. I have redone all the wiring, I have reground the wires as well. I had a burn spot on my connector to the headlight, so I replaced the connector as well. I made sure all wires were together properly, they're all taped very tightly, they are not loose all the wiring is new and the plug is new. The headlight worked for 2 days and now it is back out. Mind you the high beams have worked the entire time. But my low beam and my blinker will not. I don't know what to do I have tried everything I can think of as far as replacing the blinker bulb and the headlight bulb as well down to the wiring. Everything is fine. How do I figure this out what do I do next where should I start now.?? This is getting so irritating it's been going on for months now please help...
Aug 17, 2023 at 1:07 PM



