Loud spark knock engine running so bad the whole truck shakes

1999 CHEVROLET S-10
288,000 MILES • 4.3L • V6 • 2WD • AUTOMATIC
Avatar
NEPHALIMTEARS
  • MEMBER
  • 26 POSTS
I was driving home suddenly the truck didnt want to go past 55. Loss of power, random misfirmes, shaking, sputtering, hesitation especially going from a stop.

I took her to the mechanic. He said my fuel pressure would hit zero. Said it was the regulator. I had it changed. Still has the same issues.

My scan tool said EGR failure. It doesn't have a code.

Could this cause the issues im having?
Feb 4, 2021 at 7:02 AM
Advertisement
Avatar
JACOBANDNICKOLAS
  • CERTIFIED EXPERT
  • 110,175 POSTS
Hi,

I listened to the video. What it sounds like to me is either a rod bearing or main bearing in the engine. Could you have a helper rev the engine while you record it with the hood open and near it?

Take a look through this link and let me know if you feel anything mirrors what you are experiencing:

https://www.2carpros.com/articles/engine-noises

Let me know. Also, let me know if you have other questions.

Take care and God Bless,

Joe
Feb 4, 2021 at 4:42 PM
Avatar
NEPHALIMTEARS
  • MEMBER
  • 26 POSTS
The mechanic who did the regulator said it sounded to him like a spark knock. For a while i did drive it with bad O2 sensors (replaced them 3 times each time they did not register the forth time they finally got a signal then 2 days later this happened.)

Currently the battery is drained or i would do it.
Feb 4, 2021 at 4:49 PM
Advertisement
Avatar
JACOBANDNICKOLAS
  • CERTIFIED EXPERT
  • 110,175 POSTS
Hi,

I listened again, but that doesn't sound like spark knock. Usually, spark knock will sound more like a pinging. If you can, get it running and record it as I suggested. Also, gently rev the engine and let off so I can hear what it does.

Let me know.

Take care,
Joe

Feb 4, 2021 at 4:56 PM
Avatar
NEPHALIMTEARS
  • MEMBER
  • 26 POSTS
Okay, i will. it will be a few days but I will definitely record it.
Feb 4, 2021 at 4:57 PM
Avatar
JACOBANDNICKOLAS
  • CERTIFIED EXPERT
  • 110,175 POSTS
Hi,

Sounds like a plan. I will watch for it. Once I get it, I will also send it to the site owner for his opinion. He is really good at recognizing engine sounds.

Let's keep our fingers crossed it isn't a bearing issue.

Take care,
Joe
Feb 4, 2021 at 4:59 PM
Avatar
NEPHALIMTEARS
  • MEMBER
  • 26 POSTS
I'm truly hoping it's not. Listening to videos with rod knock it sounds like it. That odd rattling has been around for a few months which made me question if the CAT actually broke apart and that was the rattling i heard.

Its an old truck this is her second engine.
Feb 4, 2021 at 5:02 PM
Avatar
JACOBANDNICKOLAS
  • CERTIFIED EXPERT
  • 110,175 POSTS
Hi,

It could be something like the cat, but I fear it isn't. I'm surprised someone told you it was related to the fuel pressure regulator. In my mind, that doesn't even make sense.

Is the engine oil clean and full? Check it and see if there is anything out of the ordinary and let me know.

Take care,
Joe
Feb 4, 2021 at 5:08 PM
Avatar
NEPHALIMTEARS
  • MEMBER
  • 26 POSTS
It's a light tan (that was the first thing i checked after hearing the noise because i questioned if i threw a rod or even the rocker arm) and its full.

It didn't make sense for it to be a fuel regulator with that noise.

They said the fuel pressure hit zero when it should have stayed at 60.

I thought a leaky regulator because it smelled like gas when i had revved the engine and the engine actually smoked. It was bluish white.
Feb 4, 2021 at 5:15 PM
Avatar
JACOBANDNICKOLAS
  • CERTIFIED EXPERT
  • 110,175 POSTS
Hi,

Did the smoke come from under the hood or the exhaust? Also, take a look at the attached pic. Do you see anything like that mixed with the oil?

Joe
Feb 4, 2021 at 5:53 PM
Avatar
NEPHALIMTEARS
  • MEMBER
  • 26 POSTS
It comes from under the hood. No creamer looking goop. It just looks like slightly used oil. Oil change was due in about 1,000 miles. I use 5w30 full synthetic.

Radiator has antifreeze in it. Nothing milky in it either.

Once the regulator was changed it smoked again but this time it was due to the coolant hose being removed and leaking slightly on the engine block.
Feb 4, 2021 at 6:07 PM
Avatar
JACOBANDNICKOLAS
  • CERTIFIED EXPERT
  • 110,175 POSTS
I just sent this to the site owner. He feels it could be a broken valve spring or even a flat spot on the cam. Let's do this. Let's remove the valve covers and check for a broken spring.

Here are the directions for both sides. Remove them and see if there are any broken springs. The attached pics correlate with the directions.

____________________________________

1999 Chevy Truck S10/T10 P/U 2WD V6-4.3L VIN W
Valve Rocker Arm Cover Replacement (Right)
Vehicle Engine, Cooling and Exhaust Engine Cylinder Head Assembly Valve Cover Service and Repair Procedures Valve Rocker Arm Cover Replacement (Right)
VALVE ROCKER ARM COVER REPLACEMENT (RIGHT)
Removal Procedure


pic 1


1. Remove the PCV tube from the air cleaner outlet duct and the valve rocker arm cover.
2. Disconnect the spark plug wires from the spark plugs for the right side of the engine. Refer to Spark Plug Wire Harness Replacement in Powertrain Management.
3. Remove the EVAP canister purge solenoid valve. Refer to EVAP Canister Purge Solenoid Valve Replacement in Powertrain Management.
4. Unfasten the heater hose retainer above the valve rocker arm cover.
5. Move and secure the heater hoses aside.


pic 2


6. Remove the bolt holding the engine wiring harness bracket to the generator.
7. Disconnect the Crankcase Position (CKP) sensor electrical connector.
8. Move and secure the engine wiring harness aside.


pic 3


9. Remove the bolts and the right valve rocker arm cover.
10. Clean all sealing surfaces. Refer to Valve Rocker Arm Cover Clean and Inspect

Installation Procedure


pic 4


1. Install the right valve rocker arm cover and bolts. Refer to Valve Rocker Arm Cover Installation (Right).


pic 5


2. Position the engine wiring harness.
3. Connect the CKP sensor electrical connector.

Notice: Refer to Fastener Notice in Service Precautions.

4. Install the engine wiring harness and bolt to the generator mounting bracket.
^ Tighten the engine wiring harness bolt to 25 Nm (18 ft. lbs.).
5. Position the heater hoses.
6. Install the heater hoses in the retainer above the valve rocker arm cover.
7. Install the EVAP canister purge solenoid valve. Refer to EVAP Canister Purge Solenoid Valve Replacement in Powertrain Management.


pic 6


8. Connect the spark plug wires to the spark plugs for the right side of the engine. Refer to Spark Plug Wire Harness Replacement in Powertrain Management.
9. Install the PCV tube to the air cleaner outlet duct and the valve rocker arm cover.

________________________________

Left Side

1999 Chevy Truck S10/T10 P/U 2WD V6-4.3L VIN W
Valve Rocker Arm Cover Replacement (Left)
Vehicle Engine, Cooling and Exhaust Engine Cylinder Head Assembly Valve Cover Service and Repair Procedures Valve Rocker Arm Cover Replacement (Left)
VALVE ROCKER ARM COVER REPLACEMENT (LEFT)
Removal Procedure


pic 7


1. Remove the air cleaner outlet duct from the throttle body. Refer to Air Cleaner Outlet Duct Replacement in Powertrain Management.
2. Remove the air cleaner assembly. Refer to Air Cleaner Assembly Replacement in Powertrain Management.
3. Remove the PCV valve hose assembly from the valve rocker arm cover.
4. Disconnect the Engine Coolant Temperature (ECT) gauge sensor.
5. Partially drain the engine coolant. Refer to Draining and Filling Cooling System in Cooling System.
6. Remove the radiator inlet hose from the water outlet. Refer to Radiator Hose Replacement in Cooling System.


pic 8


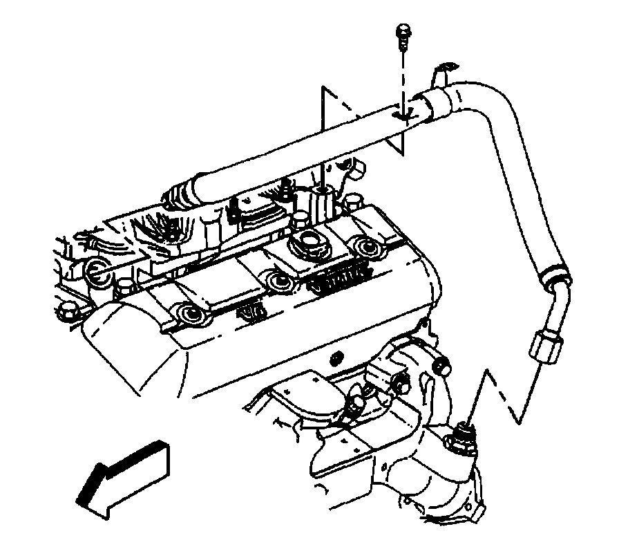
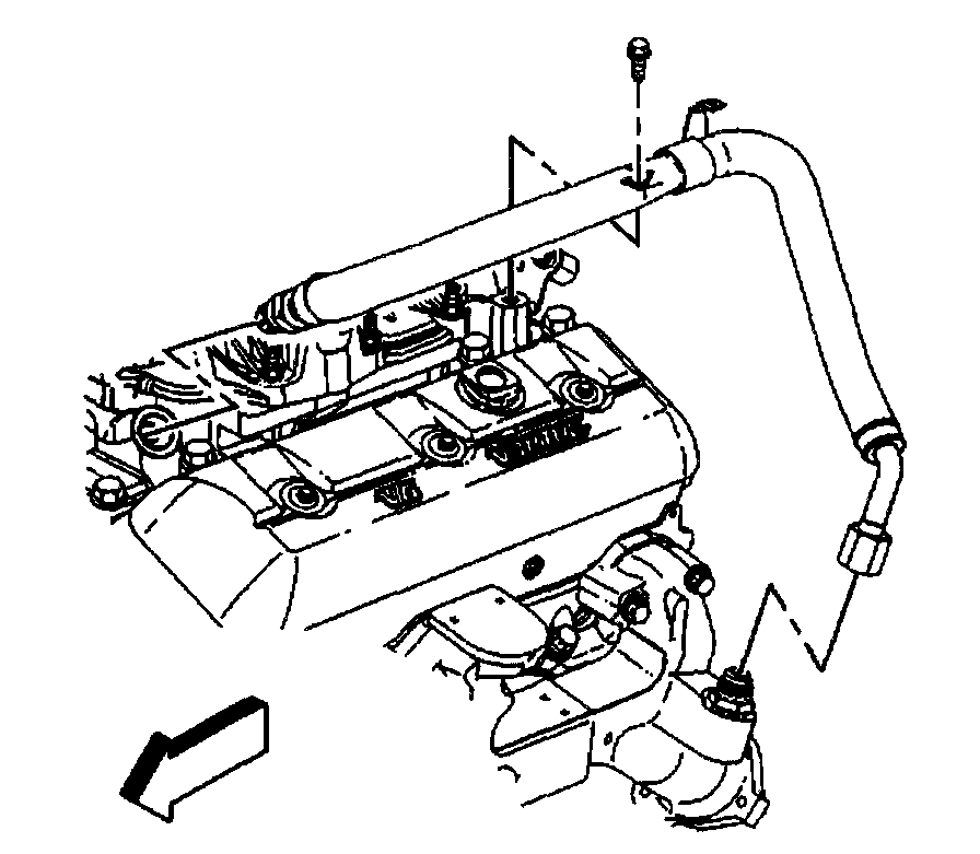
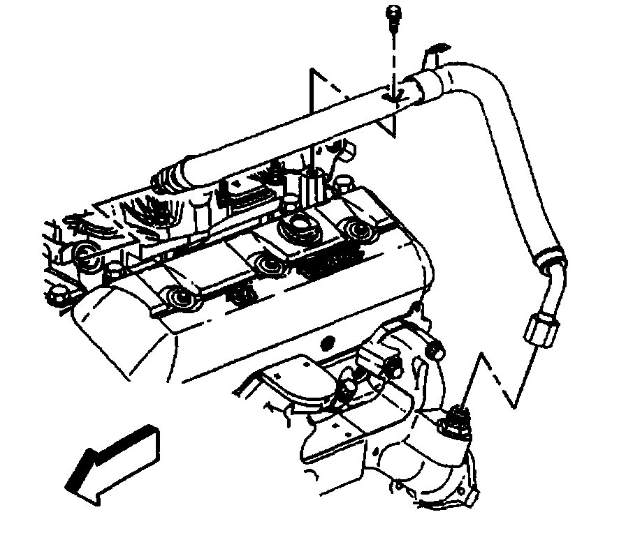
7. Remove the Exhaust Gas Recirculation (EGR) valve inlet pipe from the intake manifold and the exhaust manifold.


pic 9


Important: A/C compressor and bracket removal is not necessary.

8. Remove the bolts and the valve rocker arm cover.
9. Clean all sealing surfaces. Refer to Valve Rocker Arm Cover Clean and Inspect.

Installation Procedure


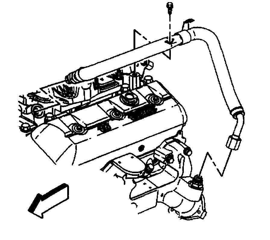
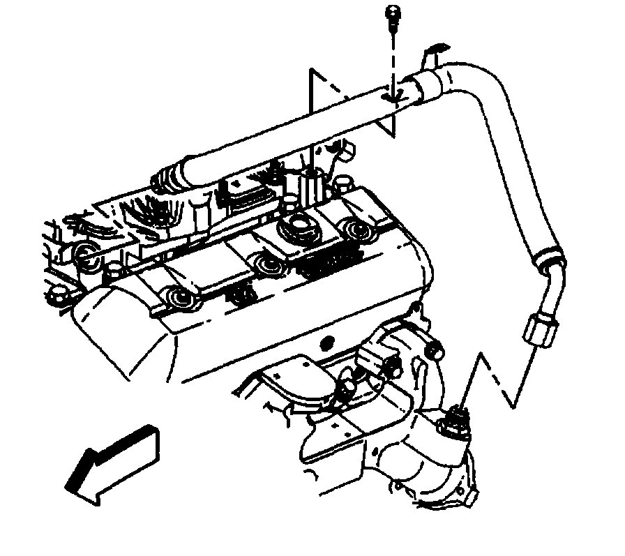
pic 10


1. Install the valve rocker arm cover and bolts.


pic 11


Notice: Refer to Fastener Notice in Service Precautions.

2. Install the exhaust gas recirculation (EGR) valve inlet pipe into the intake and exhaust manifolds.
2.1. Tighten the EGR valve inlet pipe intake manifold nut to 25 Nm (18 ft. lbs.).
2.2. Tighten the EGR valve inlet pipe exhaust manifold nut to 30 Nm (22 ft. lbs.).
2.3. Tighten the EGR valve inlet pipe clamp bolt to 25 Nm (18 ft. lbs.).


pic 12


3. Install the radiator inlet hose to the water outlet. Refer to Radiator Hose Replacement in Cooling System.
4. Fill the cooling system. Refer to Draining and Filling Cooling System in Cooling System.
5. Install the PCV valve hose assembly to the valve rocker arm cover.
6. Connect the ECT gauge sensor.
7. Install the air cleaner assembly. Refer to Air Cleaner Assembly Replacement in Powertrain Management.
8. Install the air cleaner outlet duct to the throttle body. Refer to Air Cleaner Outlet Duct Replacement in Powertrain Management.

______________________________________

If you look at the last pic, I highlighted the valve springs.

Also, I would suggest checking engine compression. That can tell us a lot as well. Here is a link showing how that is done.

https://www.2carpros.com/articles/how-to-test-engine-compression

____________________________________

One last check. Once the valve covers are off, have a helper crank the engine while you make sure all of the valves are moving up and down. If they are, great. If you find one that isn't, that would likely mean one of the lobes is worn on the camshaft.


Let me know what you find or if you have other questions.

Take care,

Joe
Feb 4, 2021 at 6:15 PM
Avatar
NEPHALIMTEARS
  • MEMBER
  • 26 POSTS
Okay, i'm nervous about doing this however, i honestly can't mess it up anymore than it is. I'm very determined to just see what happened. Even if i can't fix it or even afford to fix it.

I'm new to the mechanic world however i research and pick peoples brains to learn. With what you provided me i'm certain i can at least try to figure out where she went wrong and possibly learn even more about vehicles.

It doesn't look to terribly hard getting to the valve heads. I will be in touch!
Feb 4, 2021 at 6:46 PM
Avatar
NEPHALIMTEARS
  • MEMBER
  • 26 POSTS
Question.

I was reading about rod knock and how it can effect cylinders. It said while it was running to pull spark plug wire one at a time if the knock goes away its the rod on that cylinder.

My question is the spark plugs are buried in the engine down its sides. Couldn't i just pull the wire from the distributor to get the same result?
Feb 5, 2021 at 6:43 AM
Avatar
NEPHALIMTEARS
  • MEMBER
  • 26 POSTS
The longer it went the worse it started to sound. I have a second video of where the sound is coming from. It sounds like it's coming from the right side of the engine if you are facing it.
Feb 5, 2021 at 1:49 PM
Avatar
NEPHALIMTEARS
  • MEMBER
  • 26 POSTS
Second video with the area i think the sound is coming from.
Feb 5, 2021 at 1:54 PM
Avatar
NEPHALIMTEARS
  • MEMBER
  • 26 POSTS
there is only a light ticking now and when i rev the engine the ticking gets faster and when the engine slows down it stops. Why/how it went from being super loud ticking to a milder ticking after the scan tool was hooked up i don't. Maybe just a fluke. She did start to sputter (all while idling) and did shut off once with a few almost shutting off to until the PCM changed the timing because it did speed back up.

I drove it like 20 feet to a better parking spot. All sounds went away when she was in reverse.

All 4 of these videos were taken in a 30 minute period.
Feb 5, 2021 at 1:56 PM
Avatar
JACOBANDNICKOLAS
  • CERTIFIED EXPERT
  • 110,175 POSTS
Hi,

Listening to that video, it does sound like it is a valve spring. Have you removed the valve covers yet? It does sound like it's from the top end.

Let me know if you pulled them yet.

Joe
Feb 5, 2021 at 3:12 PM
Avatar
NEPHALIMTEARS
  • MEMBER
  • 26 POSTS
Not yet my day off is Sunday. I'm going to start with the right side bc to me that's where the sound is coming from more so the right side than the left.

Could the valve spring cause a misfire?

Rattling sound (like rocks in a tin can) is in fact broken catalytic converter pieces.
Feb 5, 2021 at 4:09 PM
Avatar
JACOBANDNICKOLAS
  • CERTIFIED EXPERT
  • 110,175 POSTS
Hi,

Yes, it can cause a misfire and noise. Do me a favor. Before going to the trouble of removing the valve covers, check engine compression. That should tell us if something with a valve or head gasket is going on.

https://www.2carpros.com/articles/how-to-test-engine-compression

If you don't have a compression gauge, most parts stores will lend one to you.

Let me know what you find.

Take care,
Joe
Feb 5, 2021 at 8:11 PM
Avatar
NEPHALIMTEARS
  • MEMBER
  • 26 POSTS
Well, i didn't see your message until i tore her apart. No broken springs on the right side.
Feb 7, 2021 at 12:03 PM
Avatar
NEPHALIMTEARS
  • MEMBER
  • 26 POSTS
The shop that she was at before i had her towed home said they did a pressure test. They stated that the pressure was at 60 (which is where it should be they said.) Then when it then dropped to zero and would stall out.Their diagnosis was fuel pressure regulator. That was replaced but was not the issue of the knocking or running rough.
Feb 7, 2021 at 2:03 PM
Avatar
JACOBANDNICKOLAS
  • CERTIFIED EXPERT
  • 110,175 POSTS
Have you been able to check engine compression or remove the valve covers to see if there is a broken valve spring or a valve that isn't moving?

Let me know.

Joe
Feb 7, 2021 at 5:57 PM
Avatar
NEPHALIMTEARS
  • MEMBER
  • 26 POSTS
I removed the right side. No broken springs. Everything was tight. Next is to remove the left side probably in a couple of days.
Feb 7, 2021 at 6:18 PM
Avatar
JACOBANDNICKOLAS
  • CERTIFIED EXPERT
  • 110,175 POSTS
Okay. Sounds like a plan. Let me know what you find. If there is nothing broken, we need to check compression.

Take care and let me know what you find.

Joe
Feb 8, 2021 at 4:12 PM
Avatar
NEPHALIMTEARS
  • MEMBER
  • 26 POSTS
I did remove the spark plug wires from each cylinder while she was running. The sound did not go away. It sounded different today though. Kind of sounds like lifter ticking..
Feb 8, 2021 at 4:18 PM
Avatar
JACOBANDNICKOLAS
  • CERTIFIED EXPERT
  • 110,175 POSTS
It does sound different. I'm anxious to see what is under the other valve cover. Also, when you pulled one wire at a time, was there a cylinder that didn't cause the engine to run worse?
Feb 8, 2021 at 4:32 PM
Avatar
NEPHALIMTEARS
  • MEMBER
  • 26 POSTS
I feel like a couple yes.

Certain ones stayed the same. Then other would cause it to almost stall. Like the second wire on the distributor on the left caused to her to stall out completely as did the third wire on the right.
Feb 8, 2021 at 4:41 PM
Avatar
NEPHALIMTEARS
  • MEMBER
  • 26 POSTS
I showed the video to a mechanic friend. He says its knocking from the bottom. I'm going to assume it's the rod that comes up from the bottom of the engine. Which makes me think the engine is toast.
Feb 9, 2021 at 11:45 AM
Avatar
JACOBANDNICKOLAS
  • CERTIFIED EXPERT
  • 110,175 POSTS
That was my first thought. However, the site owner feels it is up top. Honestly, he is thinking a valve spring/cam or a head gasket. I would follow through and do a compression test and remove the other valve cover. He is very experienced and usually is right.

Let me know.

Take care,
Joe
Feb 9, 2021 at 6:28 PM
Avatar
NEPHALIMTEARS
  • MEMBER
  • 26 POSTS
I'm beyond curious and have already decided i cannot just stop. I'm not losing nothing by learning about an engine and in fact i'm only learning. I will take off the left side and see and then will continue doing in further.

Thank you so much for helping me. I will definitely post soon (Friday) once i get the valve cover off.
Feb 9, 2021 at 6:32 PM
Avatar
JACOBANDNICKOLAS
  • CERTIFIED EXPERT
  • 110,175 POSTS
Great!!! Also, a compression test will determine if there is a head gasket issue as well. We'll figure this out together.
Feb 9, 2021 at 6:46 PM
Avatar
NEPHALIMTEARS
  • MEMBER
  • 26 POSTS
It turns out it was a bottom end rod knock. So i sold her to a guy who's going to drop in a V8 engine.
Mar 4, 2021 at 5:58 AM
Avatar
JACOBANDNICKOLAS
  • CERTIFIED EXPERT
  • 110,175 POSTS
Hi,

I didn't want to say it, but that is what I thought. I was hoping it was a simple fix. A V8 in that vehicle should be interesting.

Regardless, please feel free to come back anytime in the future if you have questions.

Take care of yourself.

Joe
Mar 5, 2021 at 8:35 PM