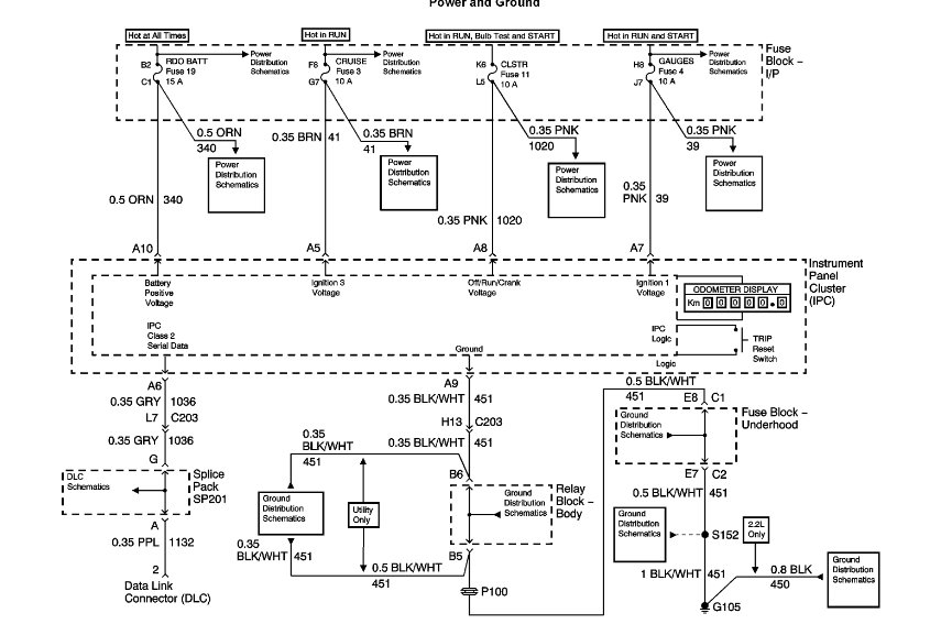
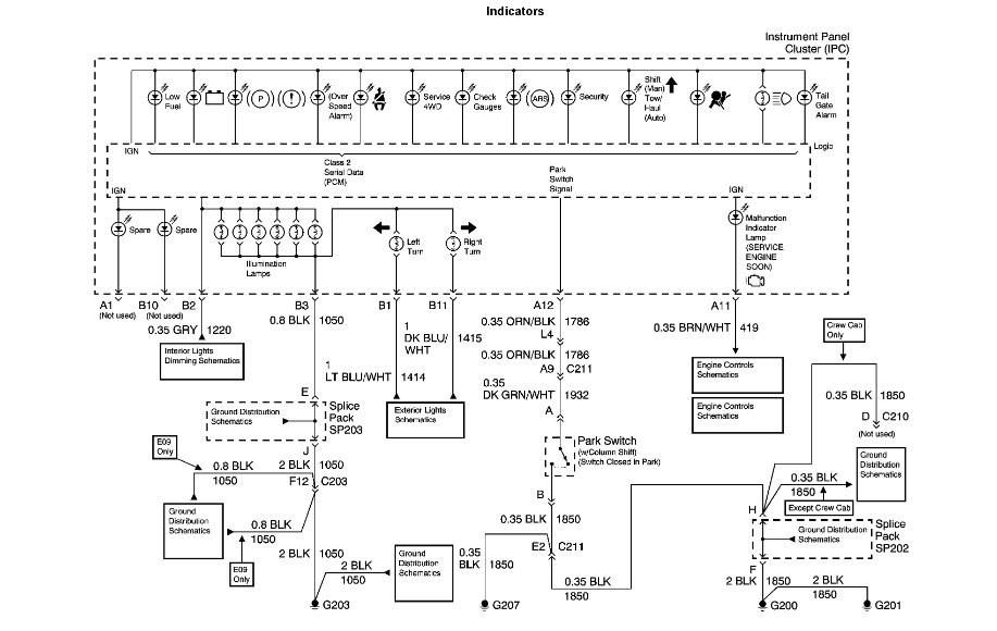
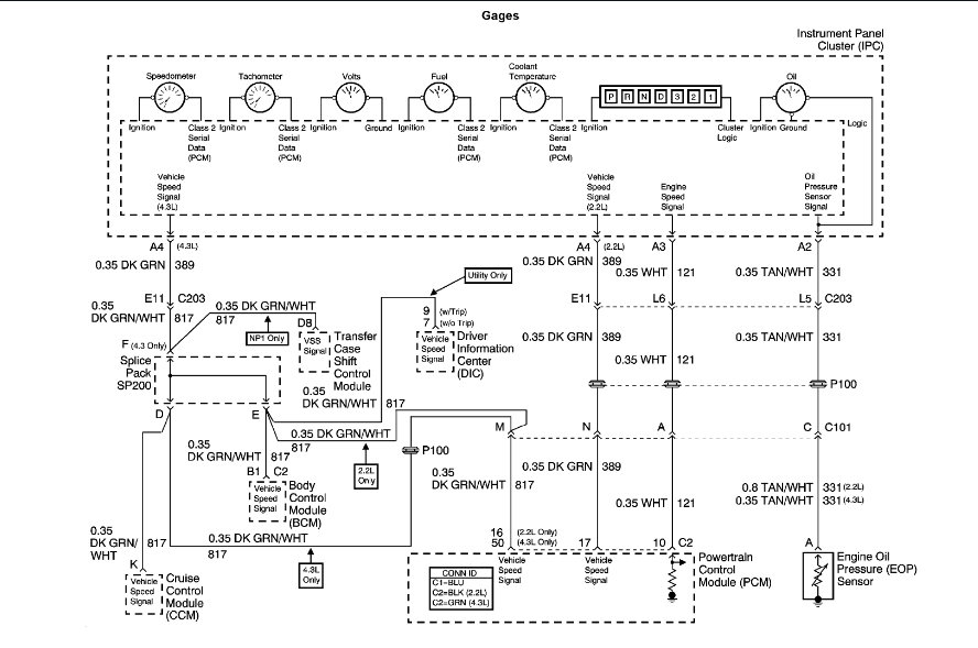
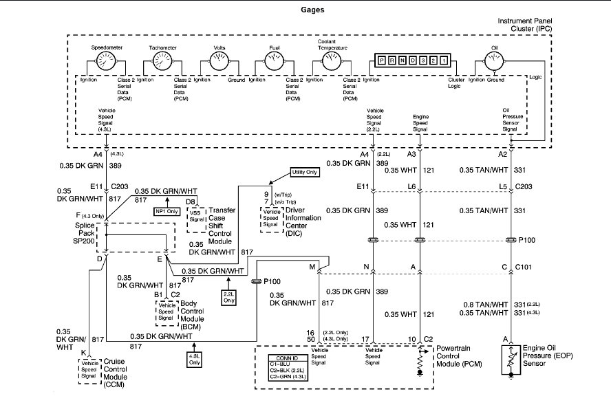
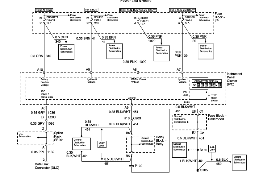
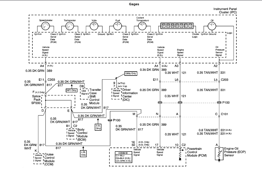
After doing a quick thermostat change I lost the speedometer, fuel gauge, tachometer,and temperature gauge. Battery and oil gauges still work. The odometer numbers and PRND321 are not illuminated anymore. All that from just a thermostat change. Any ideas on what to try next? Also, no blown fuses. Any help appreciated.
Dec 10, 2018 at 10:03 AM



