While driving my vehicle listed above, no check engine light at all before this all happened, but it seems it lost power (A/C turned off, radio turned off, the system running through on dash saying to service 4wd, tire monitor sensors etc.,) although the engine did not turn off and I knew something was wrong so I stopped, put it in park and turned it off. I tried to start it but got nothing. It seems at the same time it drained the battery as we tried to jump it but did not get a crank or anything. This has been trial an error for over 2 weeks now.
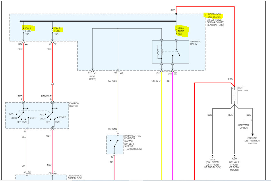
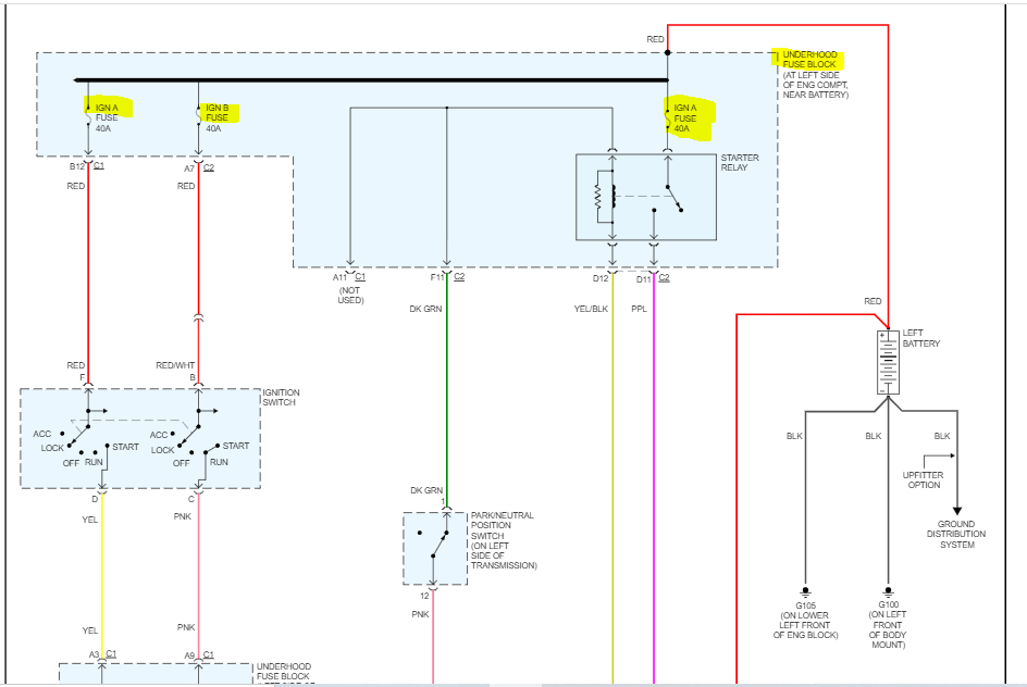
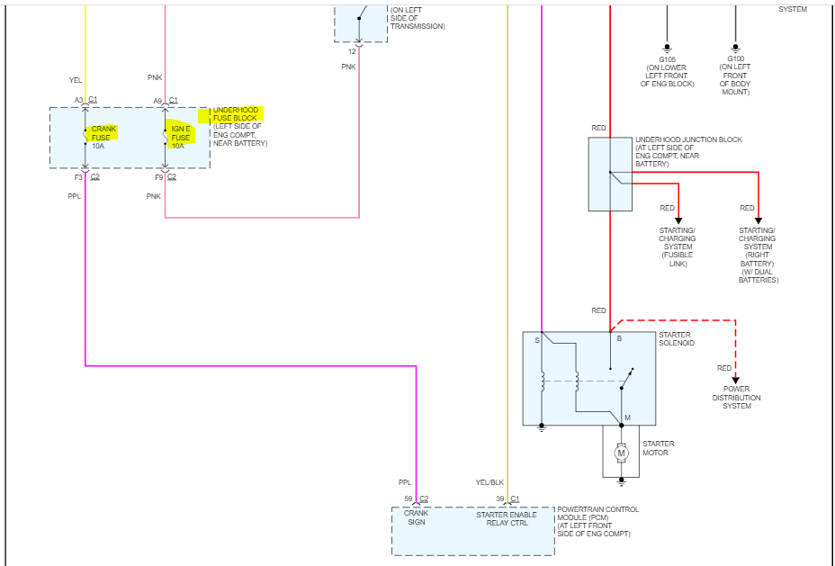
I have since replaced the ignition switch twice. I replaced the starter relay, ignition relay. I had the starter and solenoid checked and they came back good (which is why I replaced the relays). We have checked all connections and get power. I swapped the PCM from another vehicle to see if that was the problem, still the same issues as before.
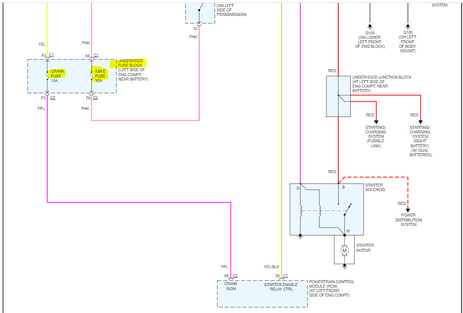
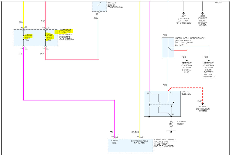
I am able to get it started by using a jumper wire where the starter relay goes. So, I did drive it to my nearest O'Reilly's Auto Parts store to have a diagnostic hooked up to see if any codes were going to be thrown. It wouldn't connect between the connector under the steering column and their handheld machine.
I don't know if it's important to say but It drove pretty rough on the way there and back. I could put the gas pedal to the floor, but it was very sluggish to get going and get up to any speed. I didn't try to make it go over 30MPH as a precaution to not make things worse. We can't figure out what is wrong and now I am at a loss for what else it could be.
Any help or advice would be greatly appreciated.
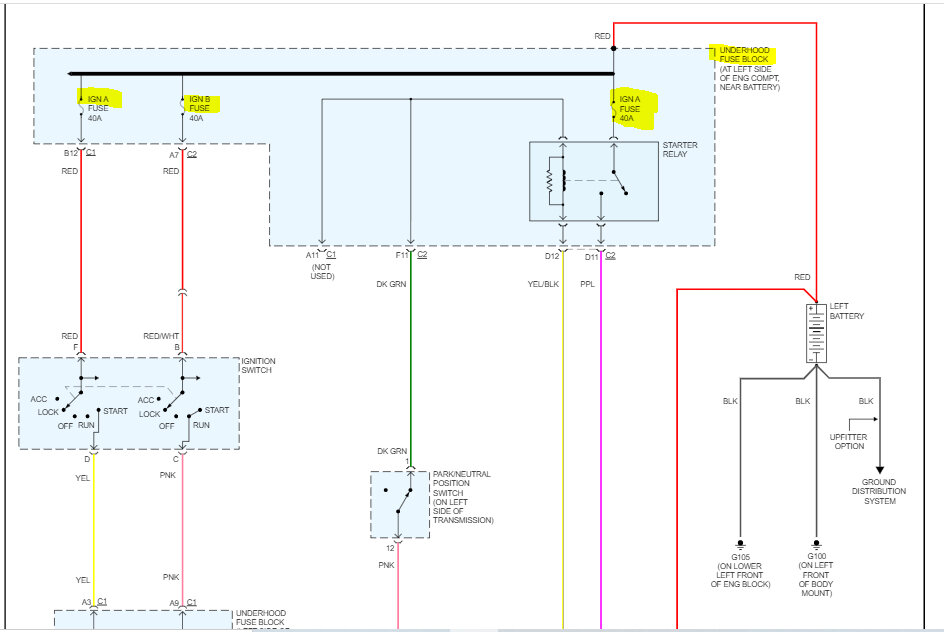
I have since replaced the ignition switch twice. I replaced the starter relay, ignition relay. I had the starter and solenoid checked and they came back good (which is why I replaced the relays). We have checked all connections and get power. I swapped the PCM from another vehicle to see if that was the problem, still the same issues as before.
I am able to get it started by using a jumper wire where the starter relay goes. So, I did drive it to my nearest O'Reilly's Auto Parts store to have a diagnostic hooked up to see if any codes were going to be thrown. It wouldn't connect between the connector under the steering column and their handheld machine.
I don't know if it's important to say but It drove pretty rough on the way there and back. I could put the gas pedal to the floor, but it was very sluggish to get going and get up to any speed. I didn't try to make it go over 30MPH as a precaution to not make things worse. We can't figure out what is wrong and now I am at a loss for what else it could be.
Any help or advice would be greatly appreciated.
Oct 8, 2022 at 12:16 PM

