Lost power in all three key positions

2003 HONDA ODYSSEY
187,000 MILES • 3.5L • 6 CYL • 2WD • AUTOMATIC
Avatar
BNSPOOL
  • MEMBER
  • 5 POSTS
Key stopped turning. Lock Smith repaired the lock cylinder tumblers, so same key, same immobilizer, etc. Nothing re-programmed. Worked perfectly after re-install. Put the upper and lower steering trim cover back on the following day. Everything worked. The next morning, the dash lights lit up in key position number two just like they should, but no power in start position number three and then all power lost in all positions after that. Now I only get key-in-ignition warning chime and nothing else.
Sep 29, 2018 at 6:33 AM
Advertisement
Avatar
ASEMASTER6371
  • CERTIFIED EXPERT
  • 52,796 POSTS
Good morning.

The first thing I would do is check the battery to be sure it has enough power to start and run the car. It may be a low battery.

Roy

https://www.2carpros.com/articles/car-battery-load-test
Sep 29, 2018 at 7:17 AM
Avatar
BNSPOOL
  • MEMBER
  • 5 POSTS
Roy,
Headlights are bright. Battery output is 12.4 volts.
All fuses in all three locations tested okay.
This was an abrupt loss of power from the ignition to the dash and accessories.
Sep 29, 2018 at 7:32 AM
Advertisement
Avatar
ASEMASTER6371
  • CERTIFIED EXPERT
  • 52,796 POSTS
Okay, I would go back to the ignition switch and see if the connector is clean and tight. That is the point that supplies voltage to the systems.

Roy

Sep 29, 2018 at 7:38 AM
Avatar
BNSPOOL
  • MEMBER
  • 5 POSTS
The ignition module is now removed. No obvious way to test it. There are only two sets of wires that connect to it. One set is for the immobilizer.

My understanding is the immobilizer is designed to cut power at the PCM, not at the dash.
Sep 29, 2018 at 8:09 AM
Avatar
ASEMASTER6371
  • CERTIFIED EXPERT
  • 52,796 POSTS
Okay, the immobilizer will not send power for the spark and fuel, correct. It has to see the security password is current. Once it identifies the correct password, it will enable starting.

Did the locksmith reprogram your key?



Roy
Sep 29, 2018 at 3:32 PM
Avatar
BNSPOOL
  • MEMBER
  • 5 POSTS
Installed a new ignition module (kept the original key and immobilizer). Still no change. What about the remote start system? It just occurred to me that the lock/unlock feature stopped working, too, not just the remote start feature. Am I barking up the wrong tree here?
Sep 30, 2018 at 9:09 AM
Avatar
ASEMASTER6371
  • CERTIFIED EXPERT
  • 52,796 POSTS
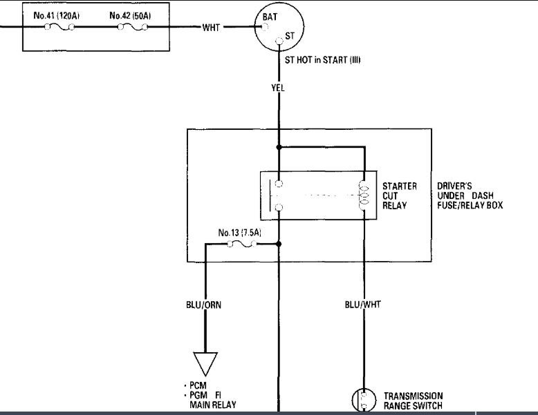
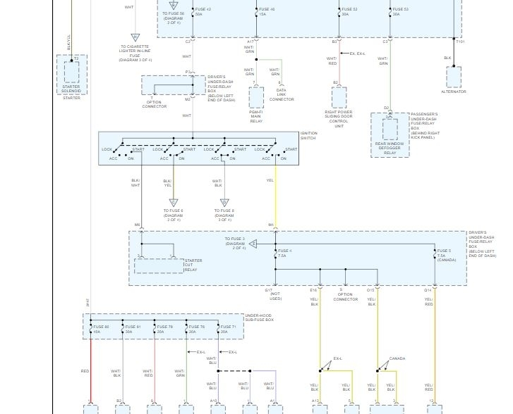
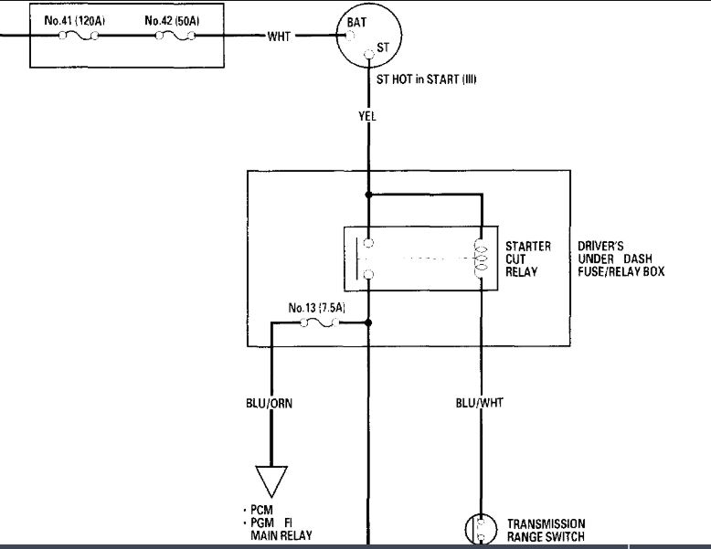
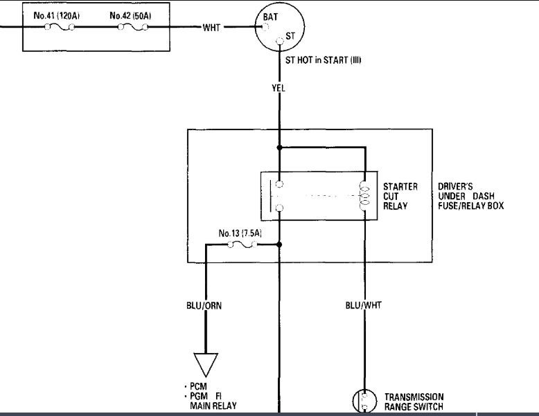
Okay, when you turn the key to the start position, is the yellow wire sending power?

Roy
Sep 30, 2018 at 9:37 AM
Avatar
BNSPOOL
  • MEMBER
  • 5 POSTS
The problem was a blown 50 amp buss. I did not catch it when checking the blade fuses.
Oct 2, 2018 at 11:12 AM
Avatar
ASEMASTER6371
  • CERTIFIED EXPERT
  • 52,796 POSTS
Good find.

Roy
Oct 2, 2018 at 11:52 AM