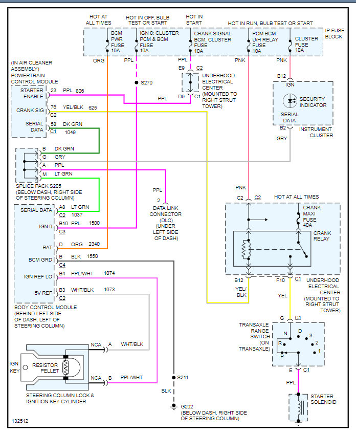
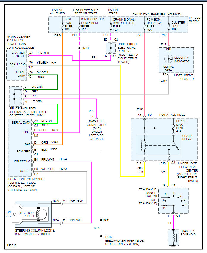
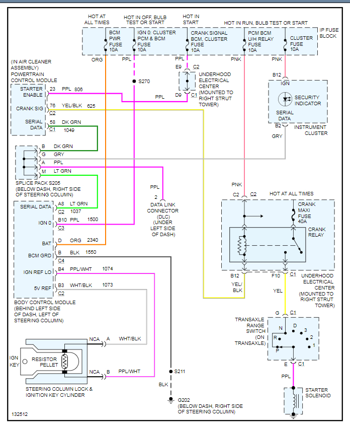
Hello, I lost the keys to my car listed above and couldn't afford to get a new key cut from the dealer. I bought a new ignition tumbler and set of keys and replaced the part myself, but the engine is prevented from turning over because of a security issue. I bought some electrical resistors for the GM cars, a set of 12, but I don't know where or how to install them. I just need some help or information about how to install them without spending any more money if possible. Thanks.
Sep 22, 2020 at 12:41 PM





