Lost 3rd and 4th outta no were?

2007 CHEVROLET SUBURBAN
330,000 MILES • 5.3L • V8 • 2WD • AUTOMATIC
Avatar
JUNIORANDTAYLOR
  • MEMBER
  • 3 POSTS
I am getting a code on my scanner saying ign 1 circuit low/open on bcm pin 1 and 5. Reason for checking it was I lost 3rd and 4th gear outta know were. I know the trans is still good because when I pull the fuse for the trans I got 3rd and 2nd
Dec 2, 2025 at 4:09 PM
Advertisement
Avatar
STRAILER
  • CERTIFIED EXPERT
  • 53,854 POSTS
Hello,

I can help you with the problem, please tell me which number code you are getting. It sounds like you have a shift solenoid that is out which can cause this issue. The transmission takes 3 fuses to run here is a guide to help you test the fuses and to make sure they are getting power.

https://www.2carpros.com/articles/how-to-check-a-car-fuse

Check out the images (below). Let us know how it goes
Dec 3, 2025 at 10:18 AM
Avatar
JUNIORANDTAYLOR
  • MEMBER
  • 3 POSTS
Im getting codes 1370-06 and a u0100 or something like that. Which says ignition short to ground. What i really need is a wiring diagram and pin out. Its a 07 suburban. 5.3 and 2wd
Dec 4, 2025 at 8:02 PM
Advertisement
Avatar
STRAILER
  • CERTIFIED EXPERT
  • 53,854 POSTS
The short to ground can be the shift solenoid shorted out which is common. I would use a volts meter and check the shift solenoids to see which one is shorted. This guide can help.

https://www.2carpros.com/articles/how-to-use-a-voltmeter

B1370-06 (most likely what you’re seeing) “Device Ignition 1 circuit - short to ground or open”. It’s usually set by the SDM (airbag module) or BCM, not the engine ECM.

U0100 - Lost communication with ECM/PCM (CAN bus). That’s often a symptom of the IGN 1 power dropping out to the ECM rather than a network failure.

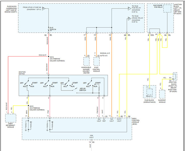
Also, here is the wiring diagrams for the ignition switch so you can check the feed wires, also, check all of the fuses with the key on as well. Check out the images (below). Let us know what you find.







Dec 5, 2025 at 10:57 AM
Avatar
JUNIORANDTAYLOR
  • MEMBER
  • 3 POSTS
I will check it out and let ya know i greatly appreciate the advice on how to trouble shooting it i bein pulling my hair out with it lol.
Dec 5, 2025 at 5:33 PM
Avatar
STRAILER
  • CERTIFIED EXPERT
  • 53,854 POSTS
Yep, a step at at time will get us to the fix we need to get you back on the road.
Dec 6, 2025 at 8:56 AM