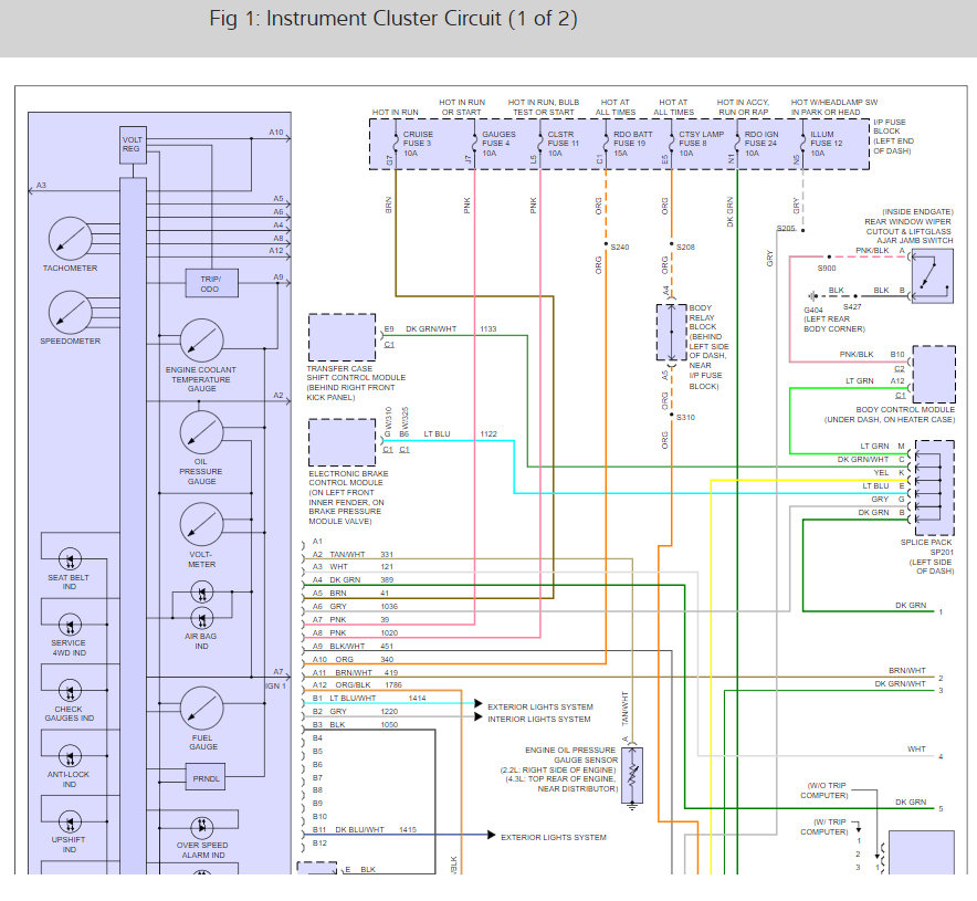
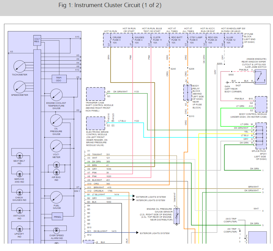
It started when I lost power to the fuse panel inside my vehicle located on the drivers side. I checked fuses and wires from battery to main fuse box under the hood. In wiggling wires and checking every fuse under the hood and inside somehow I regained power to the inside fuse panel. But now my compass/temperature panel located on the inside of the roof. Above my rear view mirror has stopped working. I have rechecked fuses and still no power to it. How do I regain the power to it? Thanks, Jason
Jun 18, 2018 at 4:07 AM



