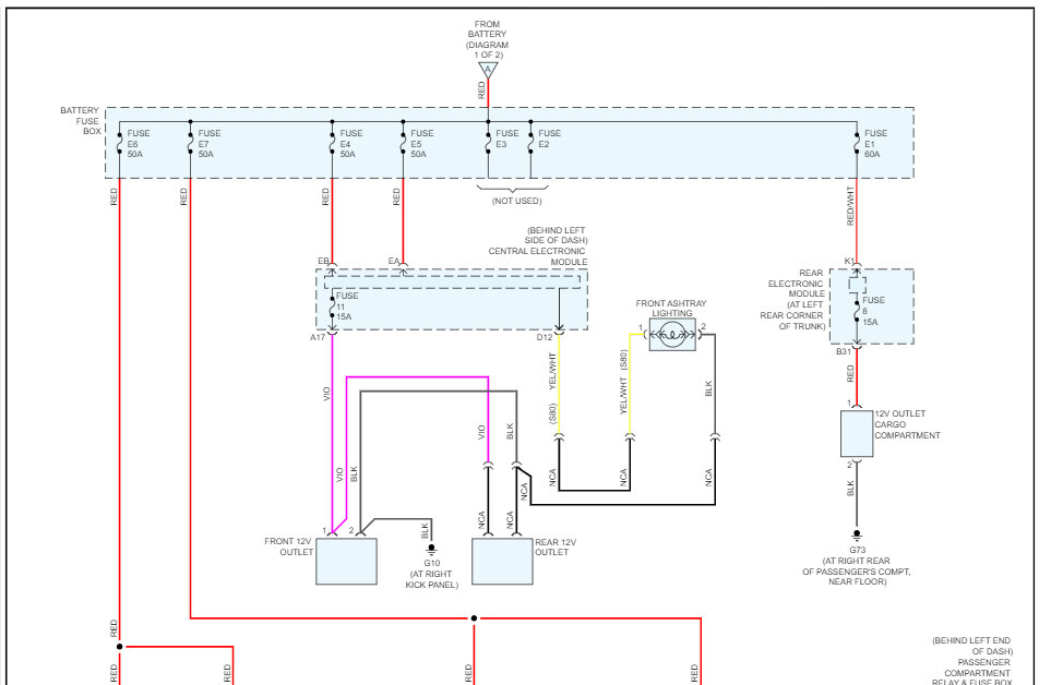
My radio,12 v plug and passenger seat have no power.
All the fuses look ok.
I read some similar posts, but I don’t have 2 -20-amp fuses in the left side dashboard to connect a wire to.
Any advice?
Thanks
All the fuses look ok.
I read some similar posts, but I don’t have 2 -20-amp fuses in the left side dashboard to connect a wire to.
Any advice?
Thanks
Aug 26, 2023 at 1:56 PM









