Losing power and sounds like air blowing when I accelerate?

2010 NISSAN ALTIMA
139,000 MILES • 2.5L • 4 CYL • 2WD • AUTOMATIC
Avatar
BLONDEBEAUTY30
  • MEMBER
  • 1 POST
I cannot go over 20 MPH. I'm losing power, the car starts stalling and jerking. It also sounds like air is blowing, kind of like how an air compressor sounds, when I start up the car and it's even worse when I accelerate. No check engine is on, no trouble codes are showing on the reader, I don't know what to do.
Oct 3, 2022 at 9:25 PM
Advertisement
Avatar
STRAILER
  • CERTIFIED EXPERT
  • 53,854 POSTS
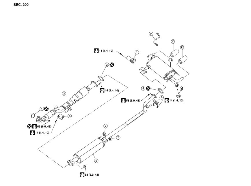
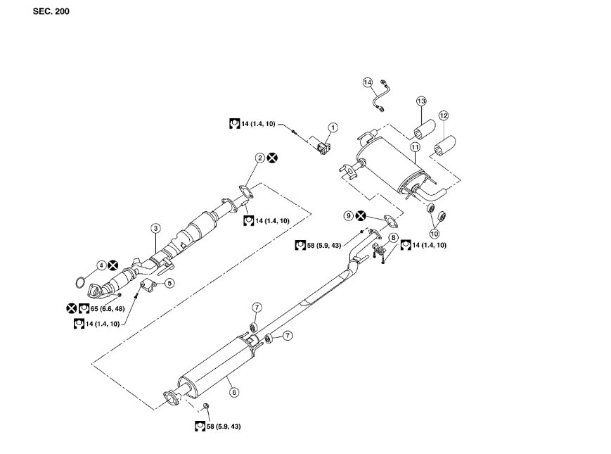
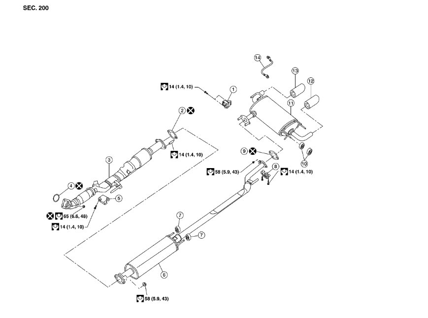
Yep, this happens when the catalytic converter is clogged up. To be sure here is a guide to help confirm the failure and I have included how to change the catalytic converter out in the images below.

https://www.2carpros.com/articles/how-to-test-a-catalytic-converter


If the catalytic converter has fallen apart, you will need to clean the remainder of the exhaust system out including the muffler. Check out the images (below). Let us know what happens and please upload pictures or videos of the problem.
Oct 4, 2022 at 10:05 AM