Losing oil with no leak and no smoke visible

2002 AUDI A4
100 MILES • 2.0L • 4 CYL • 2WD • MANUAL
Avatar
VISI1100
  • MEMBER
  • 25 POSTS
I have a problem with engine losing oil but no leak and no smoke visible.

A couple of weeks before i changed my all engine cause i had an overheating problem and losing a lot of oil without leaking but a lot smoke and losing power.
With the new engine i can see the power difference driving in mountains with 4 people on it is everything perfect in high gears and low rpm but still the same problem with oil. I'm losing oil. Every 100km my car dashboard will get on the yellow light with oil figure and under it is written "min".
The first time using this new engine i drove for around 500km and i have lose around 200 ml oil and i noticed a lot of oil on spark plugs so i changed directly the valve cover gasket, but still the same i am losing oil but no leaking no smoke from exhaust and if my car is started and i open the oil cap is nothing to suspect no oil coming up everything work fine.
My question is, what can be the problem?
And if i use an air oil separator or oil catch can do i save oil or i will lose the same oil amount?
Thank you
My car listed above B6 with engine 2.0ALT. it doesn't have turbo or FSI is simple 2.0 with "ALT" engine code.

Sorry for my poor English.
Jun 5, 2020 at 2:16 PM
Advertisement
Avatar
JACOBANDNICKOLAS
  • CERTIFIED EXPERT
  • 110,175 POSTS
Hi,

Do something for me. With the engine running, open the hood and remove the oil fill cap. Let me know if there is a lot of pressure blowing out. Be careful because it could spit some oil out.

Joe
Jun 5, 2020 at 8:48 PM
Avatar
VISI1100
  • MEMBER
  • 25 POSTS
Thank you for your answer.
I have done that but no nothing goes out no oil nothing . Everything works in the same way that it worked before i removed the cap.
Jun 9, 2020 at 11:51 AM
Advertisement
Avatar
JACOBANDNICKOLAS
  • CERTIFIED EXPERT
  • 110,175 POSTS
The only thing I can say then is that the oil rings must be worn enough to allow oil to be burned but the catalytic converter is taking care of it. If there are no leaks, no excessive blow by, no mixing with coolant, there is no place else for it to go. How many miles are on the engine?

Jun 9, 2020 at 8:51 PM
Avatar
VISI1100
  • MEMBER
  • 25 POSTS
Around 100,000 miles.
Jun 12, 2020 at 3:59 PM
Avatar
VISI1100
  • MEMBER
  • 25 POSTS
I have done rings on my old engine and valves etc., but it was still burning oil that's why i still is engine problem because a lot of 2.0 alt engine are complaining on internet and some of them say they have small oil amount burning now because they have modified the hoses for not having a lot of air pressure.
Jun 12, 2020 at 4:02 PM
Avatar
JACOBANDNICKOLAS
  • CERTIFIED EXPERT
  • 110,175 POSTS
If rings are replaced, you have to confirm the cylinder walls are not out of round or worn beyond what the rings can handle. However, if the engine is running good, then the compression rings are doing their job. Plus, you indicated no blow by when you removed the oil fill cap.
Jun 12, 2020 at 11:17 PM
Avatar
VISI1100
  • MEMBER
  • 25 POSTS
So only rings?
Jun 13, 2020 at 3:37 AM
Avatar
JACOBANDNICKOLAS
  • CERTIFIED EXPERT
  • 110,175 POSTS
If compression is good, there are no leaks, no smoke from the exhaust, I can't think of anything else that would cause it. If there was a puff of blue smoke on start up, that could indicate valve seals, but that isn't happening. Also, there is no oil mixing with the cooling system, so it's not a head gasket. Honestly, when you first asked, I suspected you would find excessive blow by when you opened the oil cap. I have seen that force oil vapors through the PCV system which can be burned without realizing there is a problem. However, when you checked, you said there was no air coming out of the fill.

Jun 13, 2020 at 7:02 PM
Avatar
VISI1100
  • MEMBER
  • 25 POSTS
No oil or smoke coming out from oil cap. So oil catch can will not be a help? I have noticed something today coolant level was at minimum so has lost a little coolant cause before it was between min and max level . I didn't told that my car work on gpl too. But the oil consumption is the same for gpl or petrol . I have looked those days and it "eat" around 1l for every 1,000 km but the oil light on dash board come every 99.9km.
Jun 14, 2020 at 6:56 AM
Avatar
JACOBANDNICKOLAS
  • CERTIFIED EXPERT
  • 110,175 POSTS
The only thing I can think is that it is getting burned and the emissions system is hiding it. That is excessive usage. I wish I had a better answer for you.

As far as removing the oil cap, I needed to know if there was air coming from it not oil. Did you notice that at all?

Joe
Jun 14, 2020 at 4:45 PM
Avatar
VISI1100
  • MEMBER
  • 25 POSTS
I think i didn't understand the exact question.
If you ask if air pressure coming out from oil cap when i remove it i think yes. here i am attacking a video of that prove.
And really thanks broo for your answers.
Jun 19, 2020 at 9:34 AM
Avatar
VISI1100
  • MEMBER
  • 25 POSTS
Ps- i never found out if this car has or not PCV valve.
Jun 19, 2020 at 9:36 AM
Avatar
VISI1100
  • MEMBER
  • 25 POSTS
And today on OBD reader it say has a problem with o2 sensor bank1 but no check engine light and not sure if has to do with spark plugs cause i need to change all 4 spark plugs cause 1 of them does not work good it shake some time on parking position.
Noticed some coolant losing but maybe cause it work on high temperature cause like i have seen before and after changing the thermostat it work around 96 grad Celsius up to 102grad Celsius in city and around 85grad Celsius on highway and usually i drive in traffic.
Jun 19, 2020 at 9:40 AM
Avatar
JACOBANDNICKOLAS
  • CERTIFIED EXPERT
  • 110,175 POSTS
Hi,

That looks like a good bit of pressure coming out. The crankcase breather (PCV) is mounted to the valve cover. I have attached a (poor) pic of the hose running to it. Check to make sure that is attached and not plugged. I copied a pic of what you sent me and circled where it attaches. See pic 2.

As far as the o2 sensor, can you tell me the code? I need to interpret what is happening.

Joe
Jun 19, 2020 at 6:23 PM
Avatar
VISI1100
  • MEMBER
  • 25 POSTS
Here about o2 sensor code and other OBD data.
That air pressure from oil cap is a problem?
Jun 20, 2020 at 11:39 AM
Avatar
JACOBANDNICKOLAS
  • CERTIFIED EXPERT
  • 110,175 POSTS
Hi,

The sensor issue is a circuit related problem. Chances are the wiring at the sensor plug is corroded, damaged, or loose. Check that.

As far s the air coming from the engine, some is normal. That seems excessive but I'm not there to confirm. Did you check the PCV (breather) to make sure it is not blocked?

Joe
Jun 20, 2020 at 9:20 PM
Avatar
VISI1100
  • MEMBER
  • 25 POSTS
I'm not sure how this breather work . There was a lot of oil but seems like air can enter and go out on other side pipe.
Jun 21, 2020 at 2:00 AM
Avatar
VISI1100
  • MEMBER
  • 25 POSTS
About o2 sensor any idea how to know if it is damaged?
Jun 21, 2020 at 2:00 AM
Avatar
JACOBANDNICKOLAS
  • CERTIFIED EXPERT
  • 110,175 POSTS
Hi,

The breather allows crankcase air to exit the engine and be recycled through the intake. If there was a lot of oil in the hose, I think we found where the oil is going. It isn't uncommon for small amounts, but I have a feeling that oil vapors are getting sucked back through the intake a being burned without you even seeing it from the exhaust.

As far as the O2 sensor, it is a circuit related issue, so here is what to do.

If you look at the first pic I attached, the pin designation is indicated.

1) Connect multi-meter between terminal 1 and 5 for voltage measurement.
2) Switch ignition on.
3) Specified value: 0,400 ... 0.500 V.

If the aforementioned values are met, replace the sensor. If they are not met, check to make sure there isn't a damaged wire.

Let me know,
Joe
Jun 21, 2020 at 8:18 PM
Avatar
VISI1100
  • MEMBER
  • 25 POSTS
Sorry for my late response. i haven't been on internet rgis time family problems sorry.
The o2 sensor connected positive to terminal 1 and negative to terminal 5 with ignition on show 0.48 and with ignition off it show 0.4.
Do i need to change the PCV or just adding a oil catch can ?
Jun 30, 2020 at 1:33 PM
Avatar
JACOBANDNICKOLAS
  • CERTIFIED EXPERT
  • 110,175 POSTS
Hi,

The readings you have are within spec. According to the manual, the sensor needs replaced. As far as the PCV, try replacing it and see if it makes a difference.

Let me know, and I hope all is well with the family. There is absolutely no need for an apology. I'm here when you need me.

Take care,
Joe
Jun 30, 2020 at 9:32 PM
Avatar
VISI1100
  • MEMBER
  • 25 POSTS
Really thank you. i will order those parts because i can't find in car shops in my country. i have tried finding it but can't find it anywhere here.
Thank you
Jul 1, 2020 at 4:43 AM
Avatar
JACOBANDNICKOLAS
  • CERTIFIED EXPERT
  • 110,175 POSTS
You are very welcome. If you have a chance, let me know how things turn out for you.

Take care,
Joe
Jul 1, 2020 at 9:37 PM
Avatar
VISI1100
  • MEMBER
  • 25 POSTS
Thank you. i have order the PCV part on italy. i think after 1 week it will arrive but something isn't going well on my car those days . I usually use a OBD on my car just to see the temperature because on this model if temperature is between 78 grad Celsius and 109 grad Celsius the gauge on car show 90 grad Celsius so for security i use this OBD to read in real time via phone while i drive. But today i noticed something that i really don't know why .
Jul 8, 2020 at 7:46 AM
Avatar
VISI1100
  • MEMBER
  • 25 POSTS
The coolant deposit was empty but the temperature never changed from 84 up to 90 grad Celsius even that i have driven all day around a city with high traffic.
Jul 8, 2020 at 7:49 AM
Avatar
JACOBANDNICKOLAS
  • CERTIFIED EXPERT
  • 110,175 POSTS
Is there any evidence of coolant leaking? Is there any white smoke from the exhaust?

Let me know. Also, are you in Italy or is that where the part is coming from?

Joe
Jul 8, 2020 at 9:10 PM
Avatar
VISI1100
  • MEMBER
  • 25 POSTS
No, no white smoke no leaking found. i have searched around but no leaking found. No bro, i am from Albanian but the part is coming from Italy.
Jul 9, 2020 at 4:37 AM
Avatar
JACOBANDNICKOLAS
  • CERTIFIED EXPERT
  • 110,175 POSTS
Hi,

Okay, as long as the radiator was still full of coolant, it won't overheat. The reservoir is more or less a holding point and inspection point.

Let me know how things turn out for you.

Joe
Jul 9, 2020 at 10:12 PM
Avatar
VISI1100
  • MEMBER
  • 25 POSTS
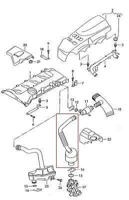
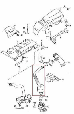
I just changed the PVC valve and i noticed this part broken and a lot of oil down engine, but didn't find any other leak around just this part that was broken and disconnected totally . Can you tell me if this has to do with the oil leaking?
Jul 19, 2020 at 1:04 PM
Avatar
VISI1100
  • MEMBER
  • 25 POSTS
I didn't find any other part leaking but i found a lot of oil located under this part around ac alternator . Hope that problem is found but i am not sure. i will order this part too, but i am not sure for the function i don't know where is this connected was is number 17 on photo .thank you bro.
Jul 19, 2020 at 1:05 PM
Avatar
JACOBANDNICKOLAS
  • CERTIFIED EXPERT
  • 110,175 POSTS
Hi,

I can't tell by the picture. Is it possible for you to get a picture of the part on the vehicle? Please keep in mind, this engine isn't offered in the US on this vehicle, so it may be tough for me to tell.

Joe
Jul 19, 2020 at 4:08 PM
Avatar
VISI1100
  • MEMBER
  • 25 POSTS
Thank you.
I have just this photo because the part is going under between engine and engine manifold. I am not sure but i think that part number is 06b103211h. i am not sure because i need to take out engine manifold to go under and see where this hose goes exactly. the only part that i can see is that the hose come from PVC that i changed and go down, but not sure where is connected.
Jul 19, 2020 at 8:32 PM
Avatar
VISI1100
  • MEMBER
  • 25 POSTS
I just was looking online and i think it goes to oil filter.
Jul 19, 2020 at 8:35 PM
Avatar
JACOBANDNICKOLAS
  • CERTIFIED EXPERT
  • 110,175 POSTS
Hi,

Because that is attached to the air inlet pipe, it has to be a breather for the engine. That is likely going to attach (or was attached) to the breather valve. It looks like the other end will need replaced because that is where it broke. It won't go to the oil filter.

Joe
Jul 19, 2020 at 8:54 PM
Avatar
VISI1100
  • MEMBER
  • 25 POSTS
This is the connection on the engine:
Jul 20, 2020 at 12:06 PM
Avatar
JACOBANDNICKOLAS
  • CERTIFIED EXPERT
  • 110,175 POSTS
Yep. That is the breather. All you need to do is get a new one and replace it.

Joe
Jul 20, 2020 at 2:30 PM
Avatar
VISI1100
  • MEMBER
  • 25 POSTS
Does it have to do with all that oil that i found around? Or maybe with oil consumption problem that i had ?
Because i am still looking for the oil that i found under engine but can't find any leaking place not how did it come out.
Jul 20, 2020 at 3:34 PM
Avatar
JACOBANDNICKOLAS
  • CERTIFIED EXPERT
  • 110,175 POSTS
The breather can allow oil to escape. Does it appear that is the area it is coming from? If so, chances are that is the cause.

Joe
Jul 20, 2020 at 3:58 PM