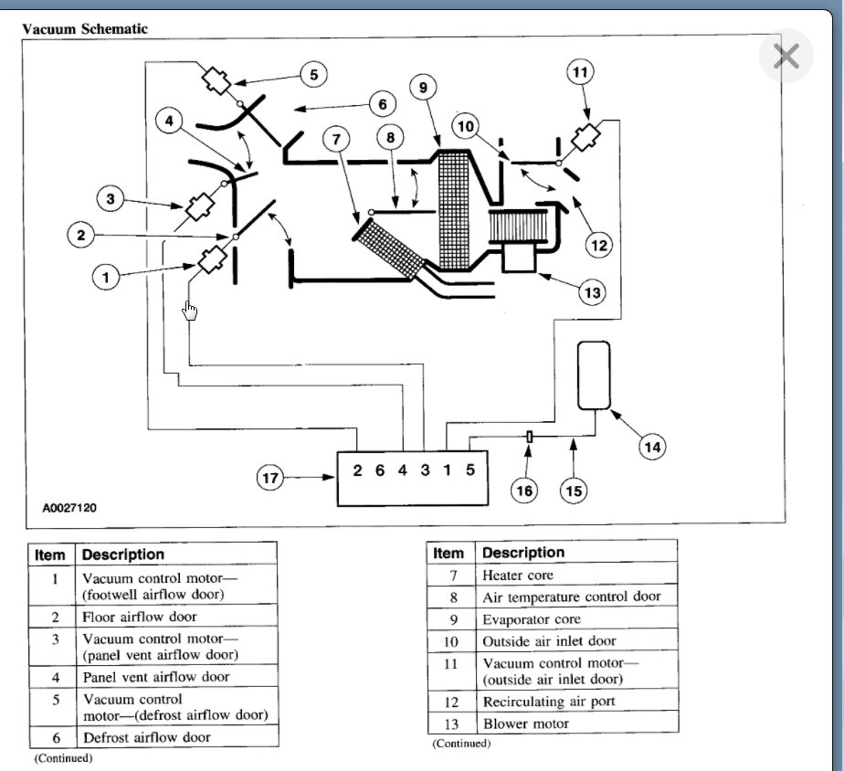
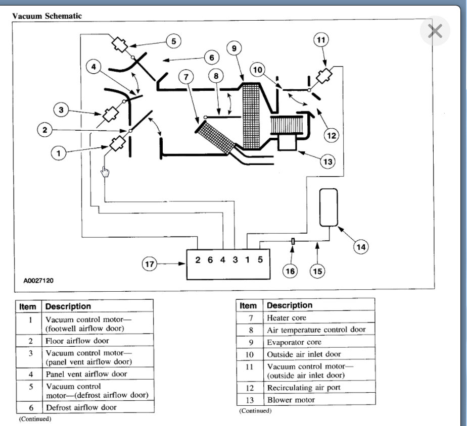
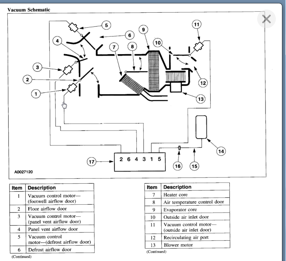
Engine vacuum hose diagram

2003 FORD ESCAPE
160,000 MILES • 3.0L • V6 • 2WD • AUTOMATIC
Avatar
MANICMECH
  • MEMBER
  • 1 POST
Looking for diagrams and help finding idle and acceleration problems?
Apr 28, 2014 at 1:52 PM
Advertisement
Avatar
KASEKENNY
  • CERTIFIED EXPERT
  • 18,907 POSTS
Here are some guides that will help with finding the possible cause of this which is most likely a vacuum leak:

https://www.2carpros.com/articles/how-to-use-an-engine-vacuum-gauge

https://www.2carpros.com/articles/engine-surges

I attached the diagrams but I suspect it is just a leak around the intake manifold area.

Let us know what questions you have. Thanks
Dec 4, 2020 at 1:44 PM