Hi,
The relay is located in the IPDM (intelligent power distribution module). The IPDM is located under the hood on the driver's side.
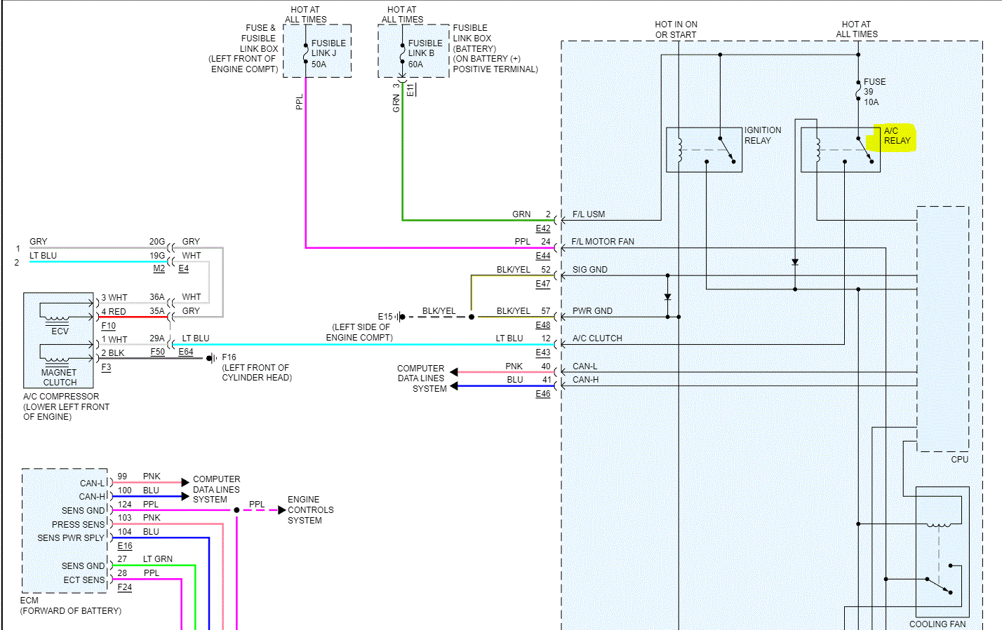
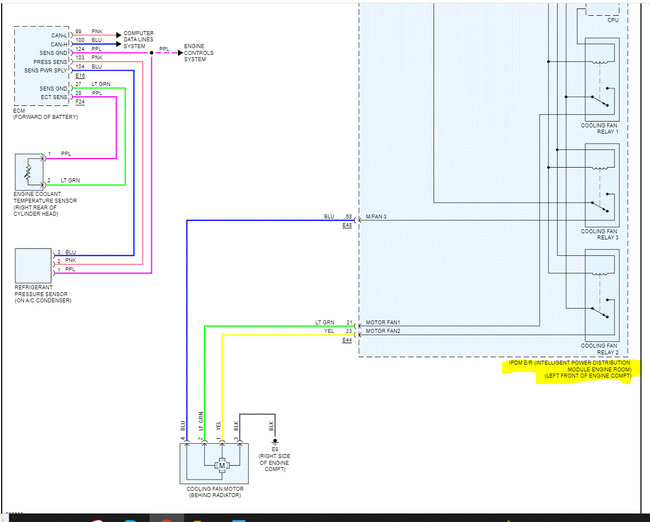
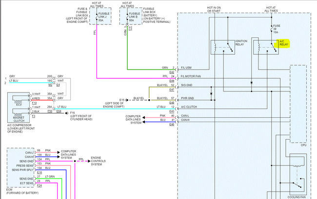
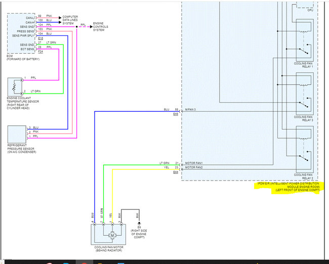
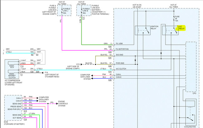
I attached the wiring schematic below. I tried looking up a pic of the IPDM, but it isn't provided in my manual. There should be a label on the lid of the box.
Also, here is a link you may find helpful for testing a relay:
https://www.2carpros.com/articles/how-to-check-an-electrical-relay-and-wiring-control-circuit
Let me know if this helps.
Take care,
Joe
See pics below.
Images (Click to enlarge)
Jun 19, 2022 at 11:24 PM