The A/C does not come on, clutch does not engage?

2015 TOYOTA AVALON
114,000 MILES • 3.5L • 6 CYL • 2WD • AUTOMATIC
Avatar
MIKE DECELLE
  • MEMBER
  • 6 POSTS
A/C pump isn't seized. fuse 13 and 27 good. can't find relay switch? If not relay what else should i check and how?
Apr 23, 2023 at 8:48 AM
Advertisement
Avatar
STRAILER
  • CERTIFIED EXPERT
  • 53,855 POSTS
Is the system full of refrigerant? This would be the first thing I would check because the system will not turn on when the system is low.

Here is a guide to help see if that is the problem:

https://www.2carpros.com/articles/air-conditioner-how-to-add-freon

This guide may help as well:

https://www.2carpros.com/articles/car-air-conditioner-not-working-or-is-weak

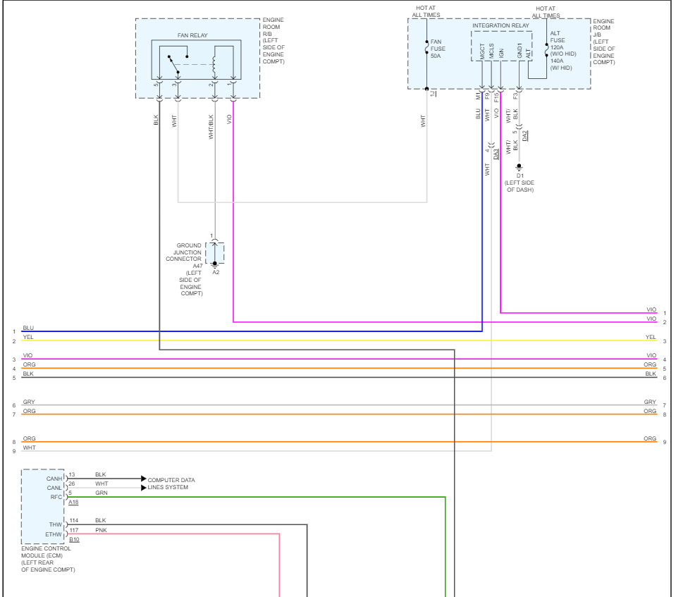
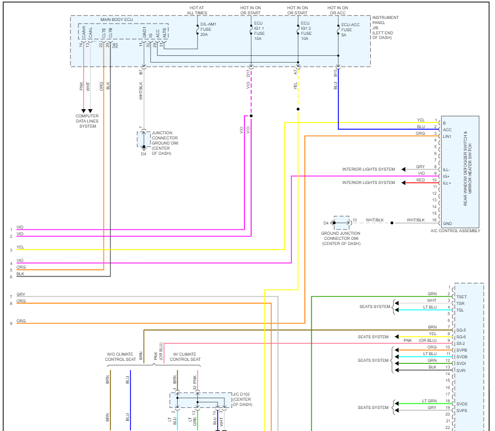
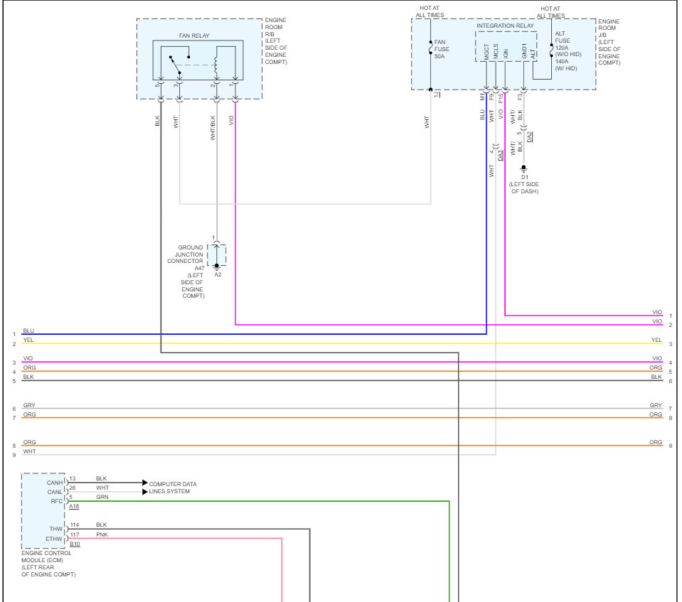
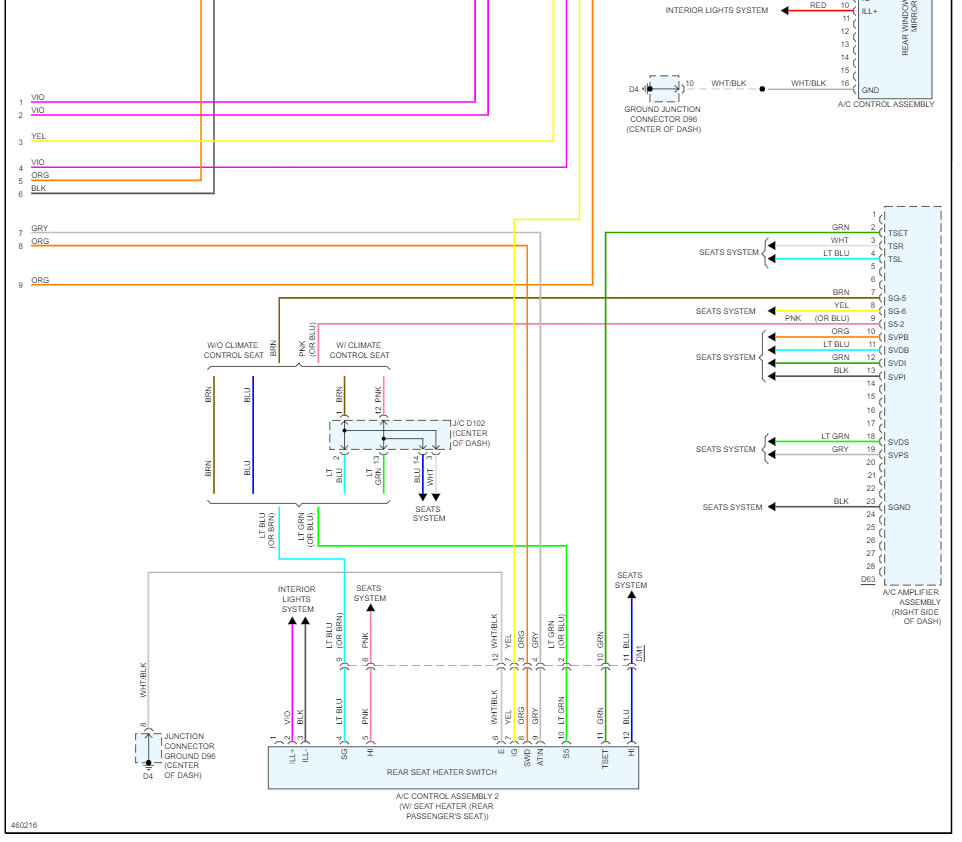
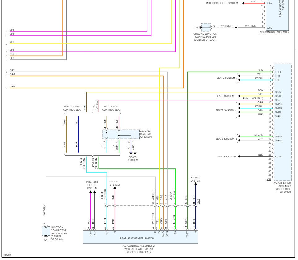
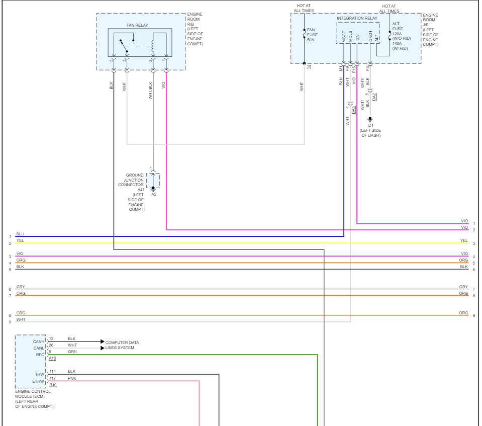
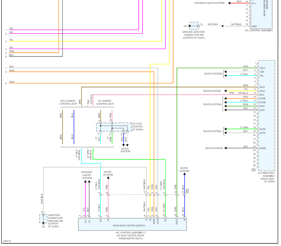
Here are the air conditioner wiring diagrams so you can see how the system works and which fuses to check. If the system is empty here is a guide to help you find the leak:

https://www.2carpros.com/articles/air-conditioner-leak-detection

Check out the images (below). Please let us know what you find. We are interested to see what it is.
Apr 24, 2023 at 10:18 AM
Avatar
MIKE DECELLE
  • MEMBER
  • 6 POSTS
system is charged. it reads way into the red danger zone. approximately 140 which is way too high. and yes, i read the low pressure side?
Apr 24, 2023 at 12:50 PM
Advertisement
Avatar
STRAILER
  • CERTIFIED EXPERT
  • 53,855 POSTS
That might be normal if the system is not turning on. At least it has a charge. There are more fuses that run the system than 2, please use the wiring diagrams above to see all of the fuses and then check them, if the fuses are okay, we need to do a CAN scan because it sounds like an A/C amplifier has gone bad. the CAN scan should be able to confirm the problem. You can get a CAN scanner (Controller Area Network) which will work on most cars from Amazon.

Here is a video to show you how:

https://youtu.be/u-4syLc-ifQ

and

https://www.2carpros.com/articles/can-scan-controller-area-network-easy

Here is one for about $99.00 if you need it:

https://amzn.to/3ZixY4v

Here is the location of the A/C amplifier in case you need it. Check out the images (below). Please let us know what happens.


Apr 25, 2023 at 8:38 AM
Avatar
MIKE DECELLE
  • MEMBER
  • 6 POSTS
Okay, smart car fixed itself now it works. Why, who knows but it works. i will keep you posted.
Apr 27, 2023 at 2:56 PM
Avatar
STRAILER
  • CERTIFIED EXPERT
  • 53,855 POSTS
The system could have reset itself, you may have a bad amplifier. Let me know if you have any other problems.
Apr 29, 2023 at 10:39 AM
Avatar
MIKE DECELLE
  • MEMBER
  • 6 POSTS
thank you.
May 1, 2023 at 9:04 AM
Avatar
MIKE DECELLE
  • MEMBER
  • 6 POSTS
okay, thank you.
May 3, 2023 at 3:42 PM
Avatar
MIKE DECELLE
  • MEMBER
  • 6 POSTS
it seems to work when it feels like ??
May 5, 2023 at 11:44 AM
Avatar
STRAILER
  • CERTIFIED EXPERT
  • 53,855 POSTS
It could be a bad compressor as well. Let me know if the system stops working again so we can continue.
May 6, 2023 at 11:04 AM
Avatar
MIKE DECELLE
  • MEMBER
  • 6 POSTS
not working any more ??
May 11, 2023 at 12:22 PM
Avatar
STRAILER
  • CERTIFIED EXPERT
  • 53,855 POSTS
Okay, let's do the CAN scan to see if it is a part of the climate control or the compressor itself.

Here is a video to show you how:

https://youtu.be/u-4syLc-ifQ

and

https://www.2carpros.com/articles/can-scan-controller-area-network-easy

Please go over these guides and get back to us.
May 13, 2023 at 9:30 AM