Hello!
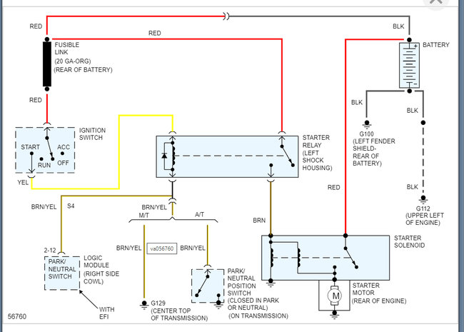
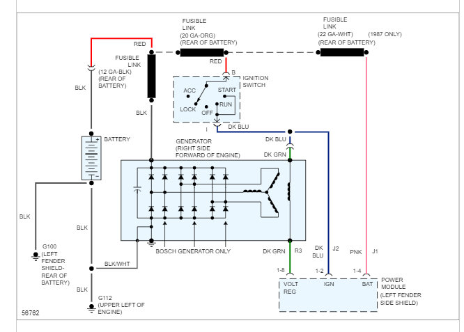
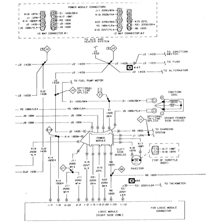
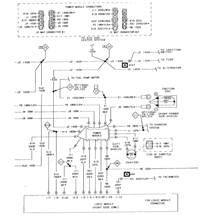
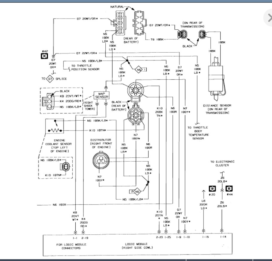
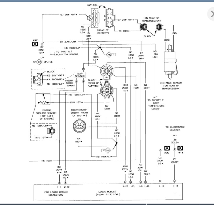
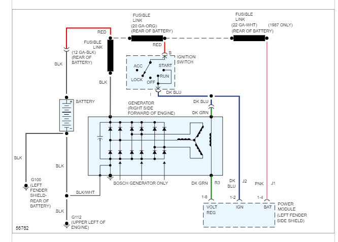
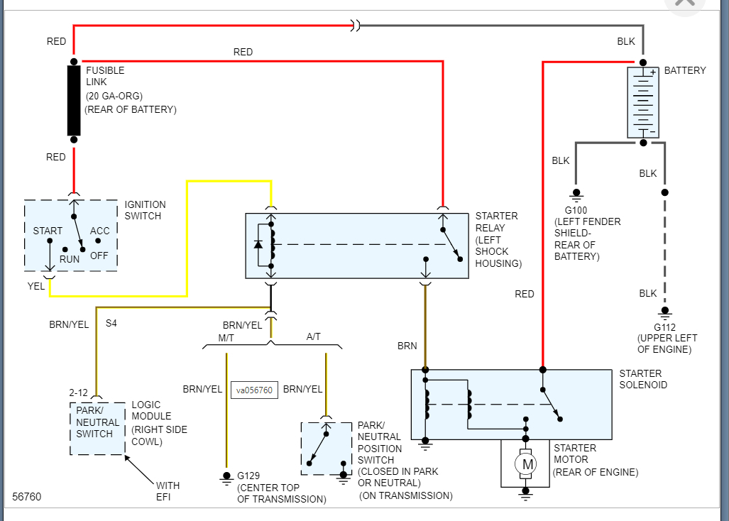
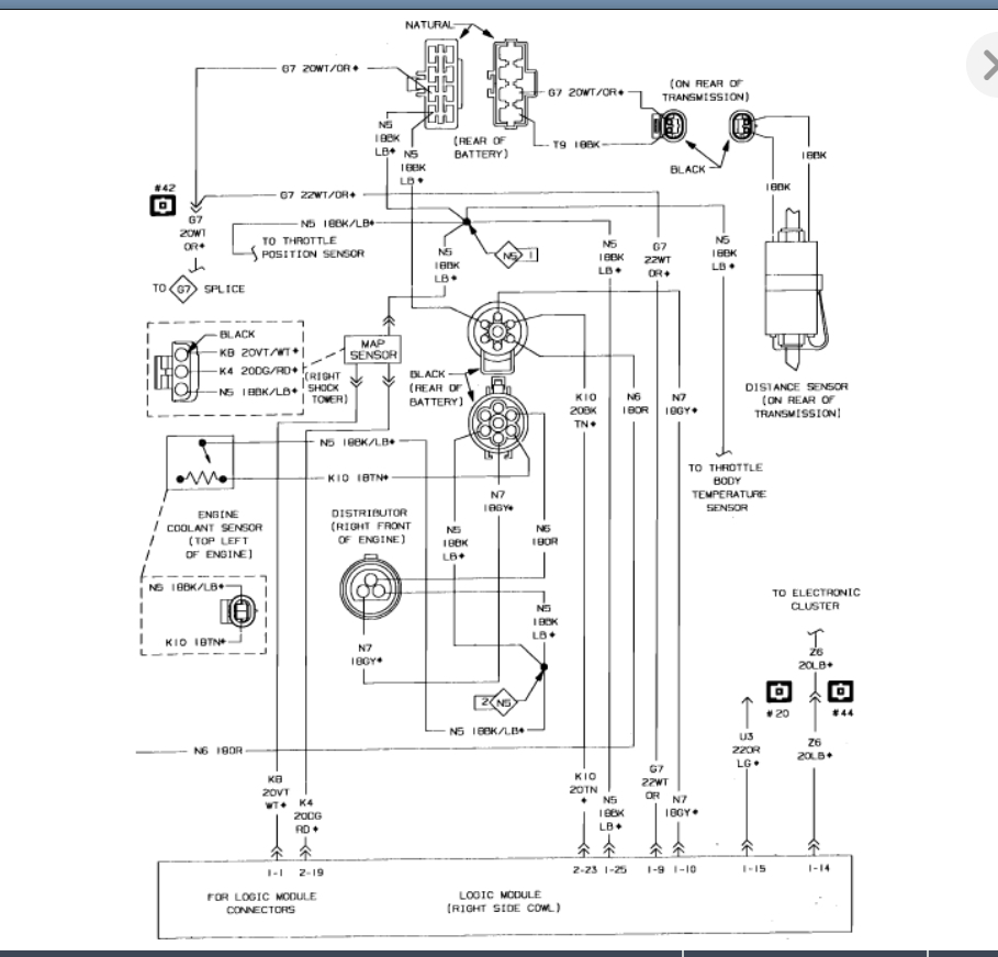
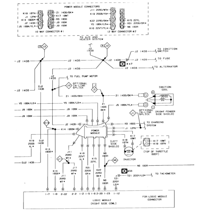
Looked like my car listed above did not charge battery, so i brought alternator to restauration and they say it's in good condition, i have to look for voltage regulator. As i did not find it as a separate part, i tried changing the logic module. Disconnected both wires from battery and changed it. Afterwards the car does not start anymore. Turns but no spark. With either logic module, i tried putting the first one back. Any idea what might be the problem?
Hoping for some advice,
Laura
Looked like my car listed above did not charge battery, so i brought alternator to restauration and they say it's in good condition, i have to look for voltage regulator. As i did not find it as a separate part, i tried changing the logic module. Disconnected both wires from battery and changed it. Afterwards the car does not start anymore. Turns but no spark. With either logic module, i tried putting the first one back. Any idea what might be the problem?
Hoping for some advice,
Laura
May 25, 2022 at 8:42 PM




