locks in park and no steering

2007 TOYOTA RAV4
142,000 MILES • 3.6L • V6 • 4WD • AUTOMATIC
Avatar
LAWSON SHAFFER
  • MEMBER
  • 1 POST
all dash lights come on at times and I will not have any steering and it locks in park. we ran a code reader on it and it tells me that the o2 sensor bank one sensor two is bad. I cannot believe this could be the cause of my problem. can you help me?
Jun 21, 2017 at 5:51 PM
Advertisement
Avatar
STRAILER
  • CERTIFIED EXPERT
  • 53,854 POSTS
Hello,

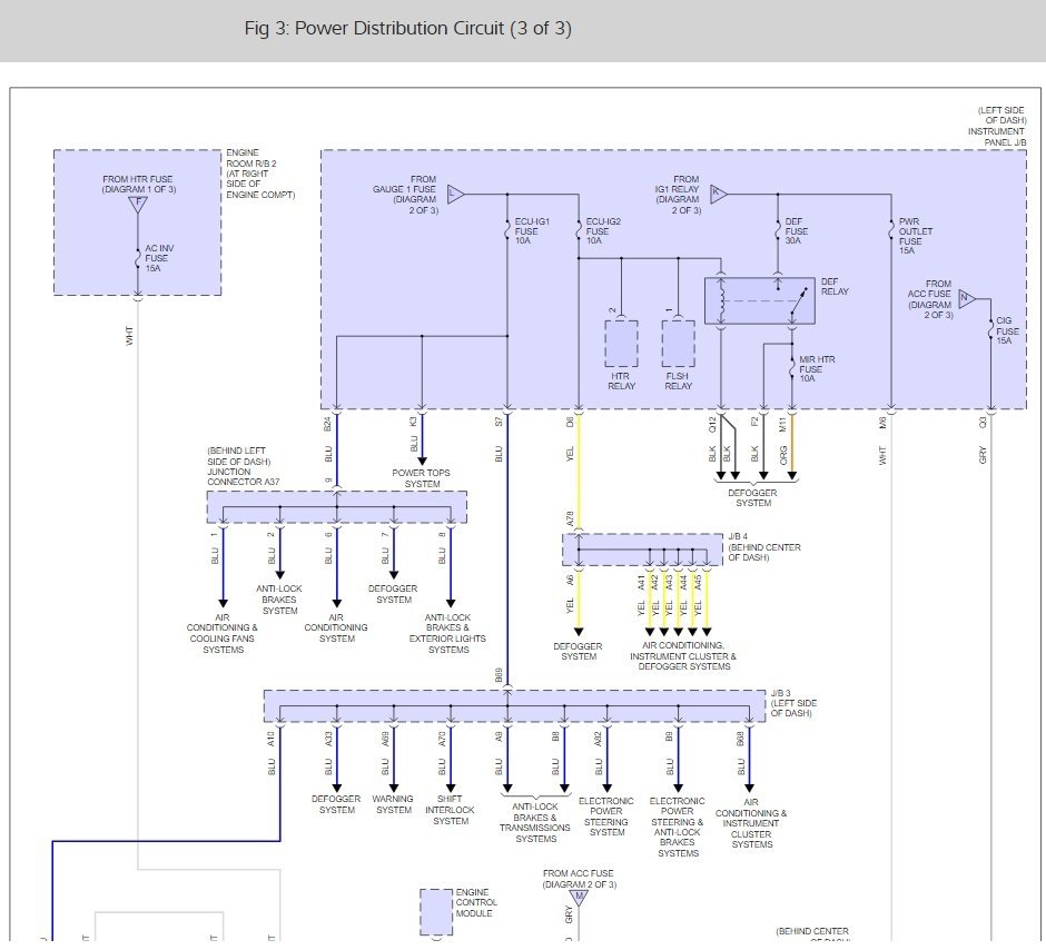
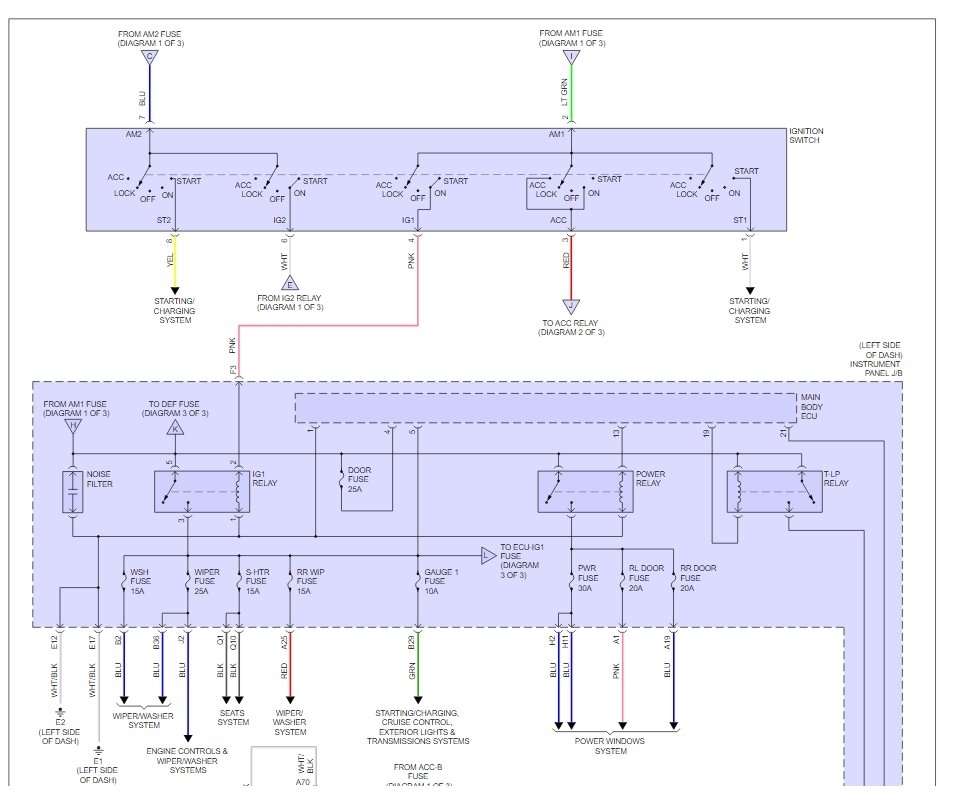
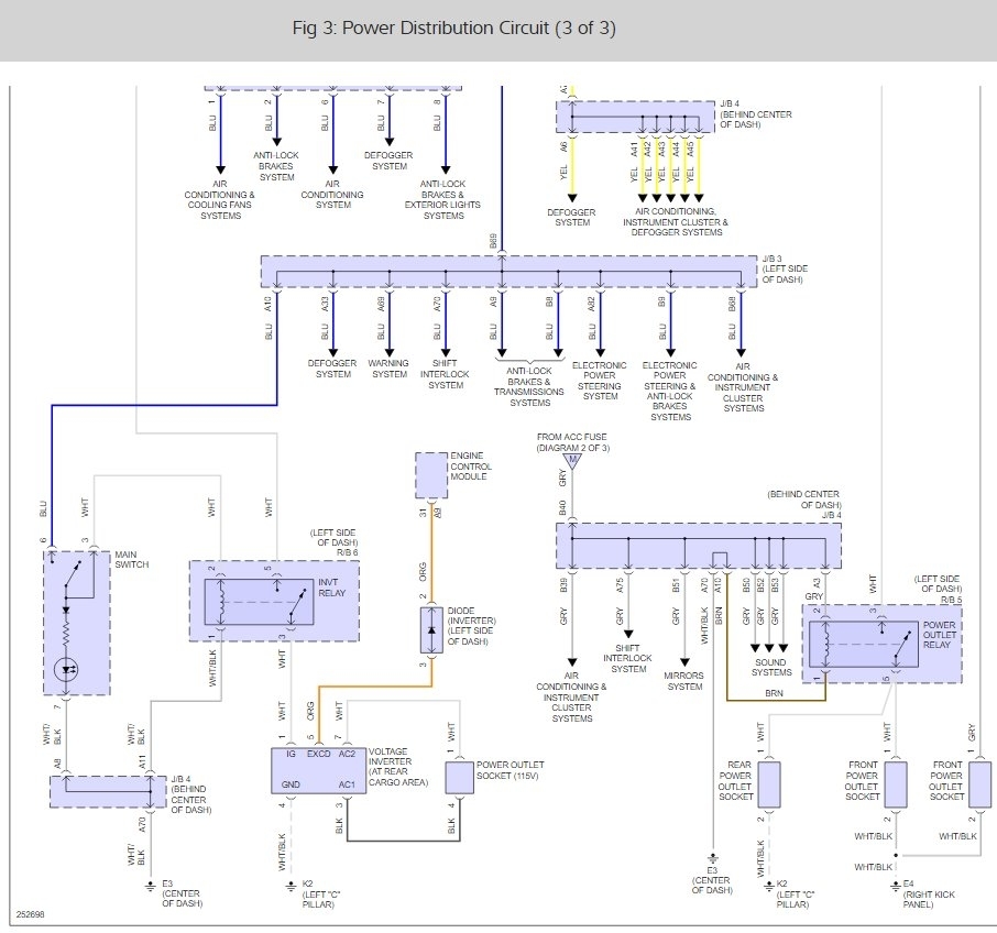
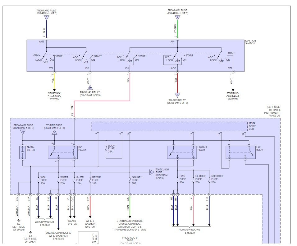
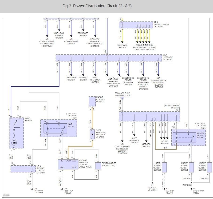
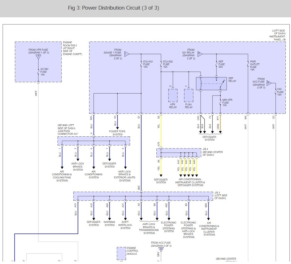
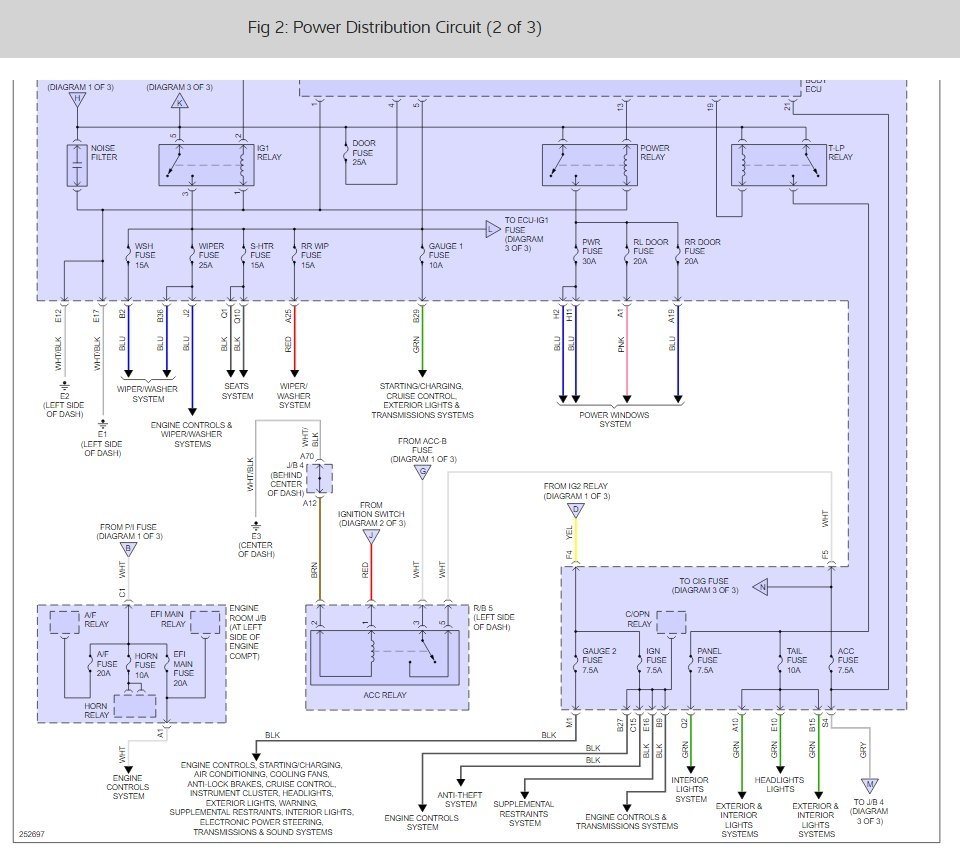
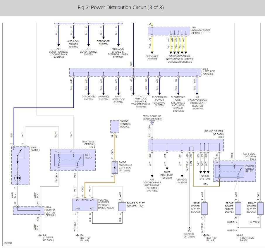
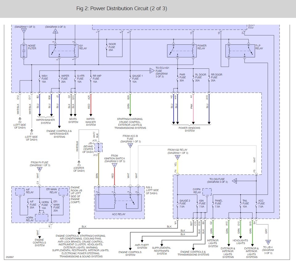
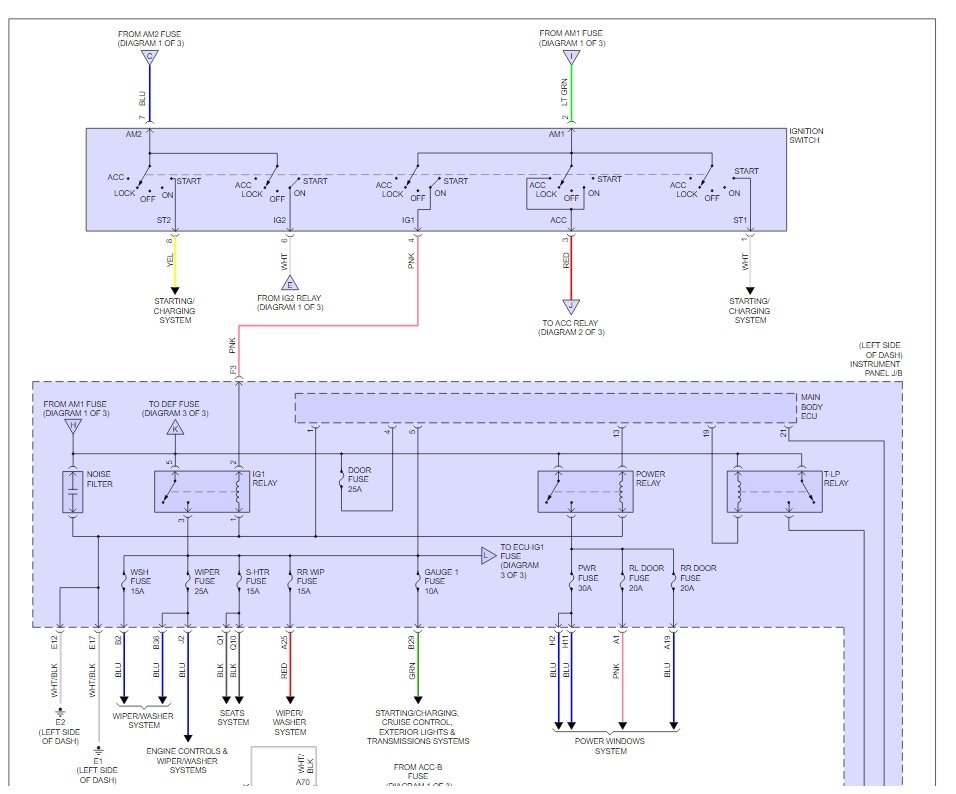
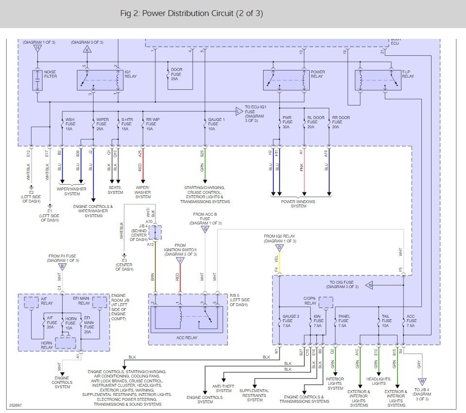
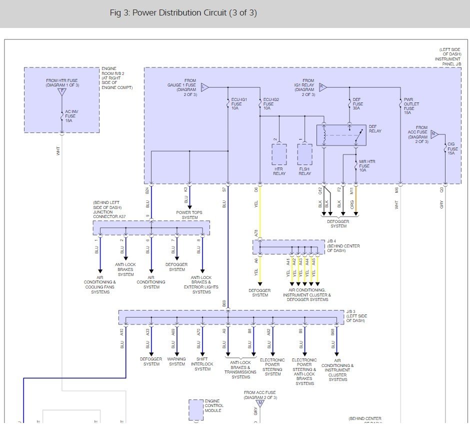
It sounds like a main electrical connection is failing like a battery cable is going bad or is loose. Here is a guide and a diagram (below) so when it is acting up you can do some testing.

https://www.2carpros.com/articles/how-to-use-a-test-light-circuit-tester

See where the system is loosing power so we can go from there. Also pull on the battery cable to see if the car acts up as well.

Please let us know what happens, we are interested to see what it is.

Cheers, Ken
Jun 24, 2017 at 11:31 AM