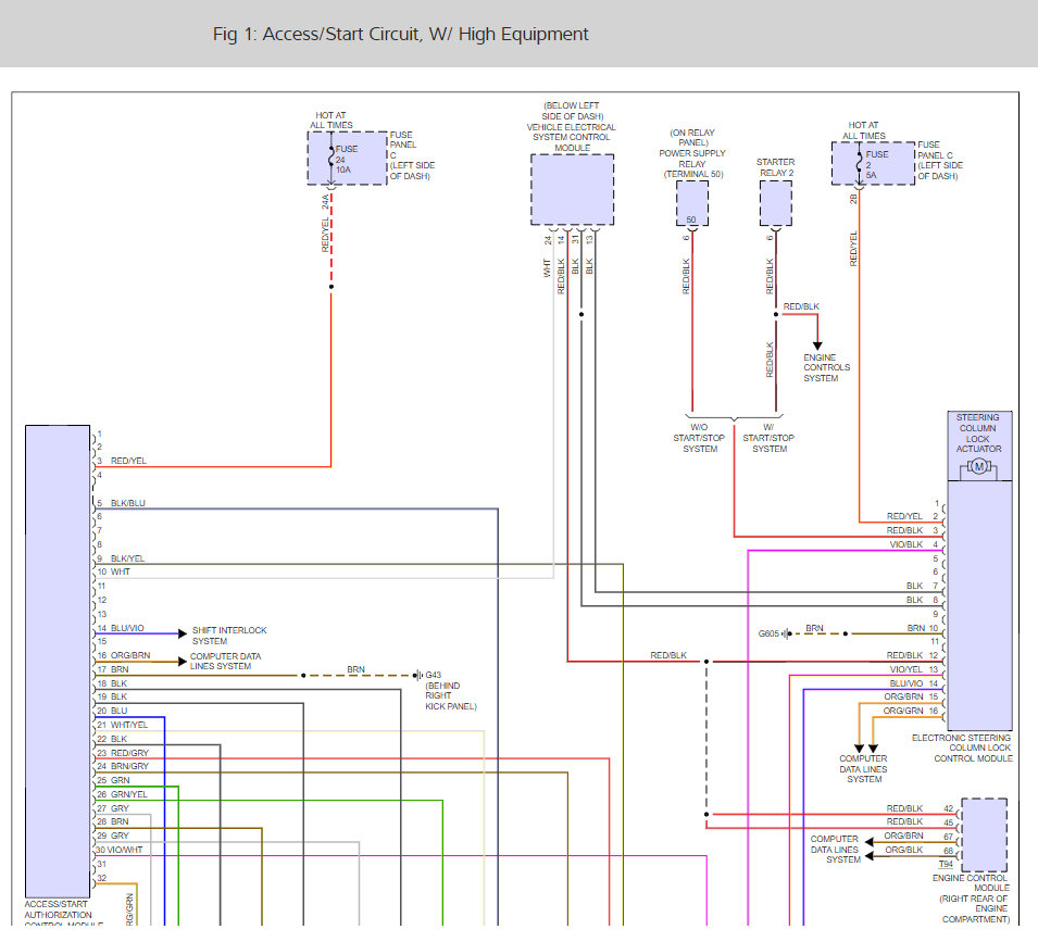
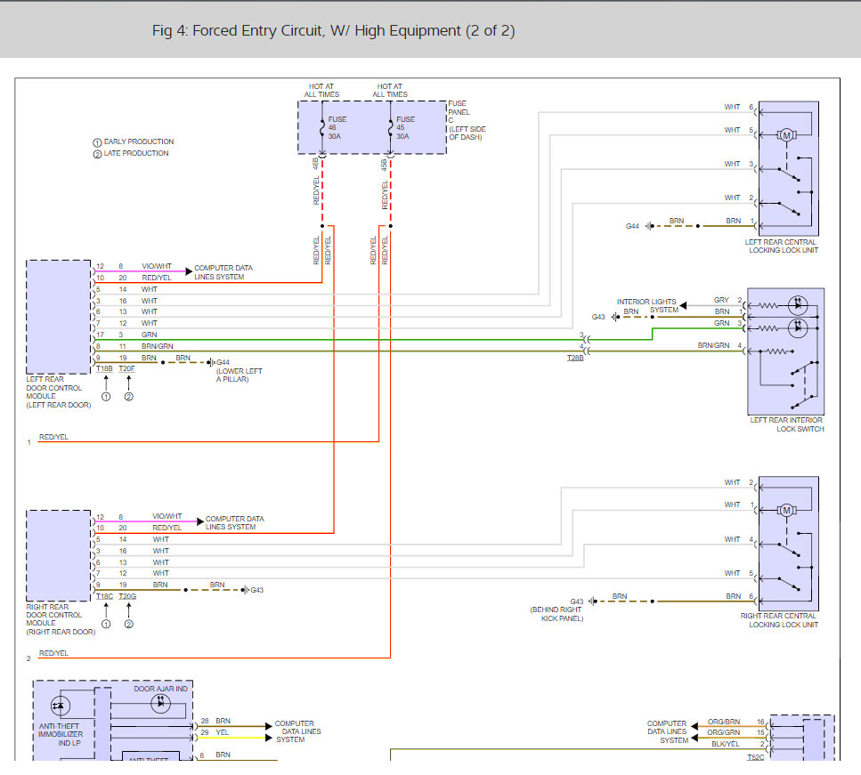
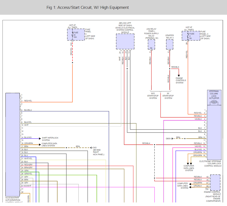
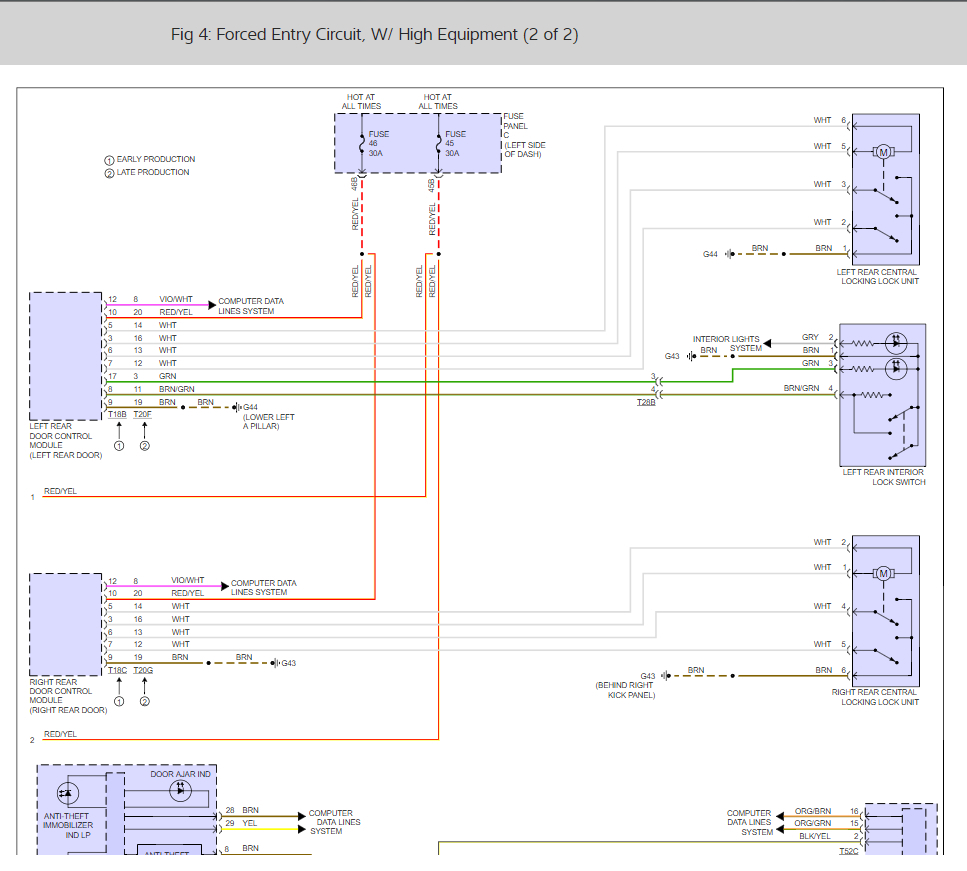
The car does not lock or unlock, but when I hit the lock but on the key it makes the sound but does not lock. When I hit the unlock button it flashes the lights like it should but does not unlock. so my best guess is the lock control module or the BCM. Please help me.
Sep 30, 2017 at 10:21 AM

















