power locking stopped working

2008 CHEVROLET COBALT
94,000 MILES • 4 CYL • FWD • AUTOMATIC
Avatar
MALIK WALKER
  • MEMBER
  • 1 POST
Hello, can you please tell why would the power locking would stop working and would not lock or unlock when press but it will do it on the passage side. Also, the buttons on my remote have stop working, it will not lock or unlock it would not even pop the trunk open. neither set the alarm off. what should I do to fix these problems?
May 9, 2017 at 7:10 PM
Advertisement
Avatar
STRAILER
  • CERTIFIED EXPERT
  • 53,855 POSTS
Hello,

It sounds like you have two different problems, first for the key fob its sounds like the battery is weak and needs to be replaced, next for the door locks it sounds like it could be a fuse or the main switch has gone out which is common.

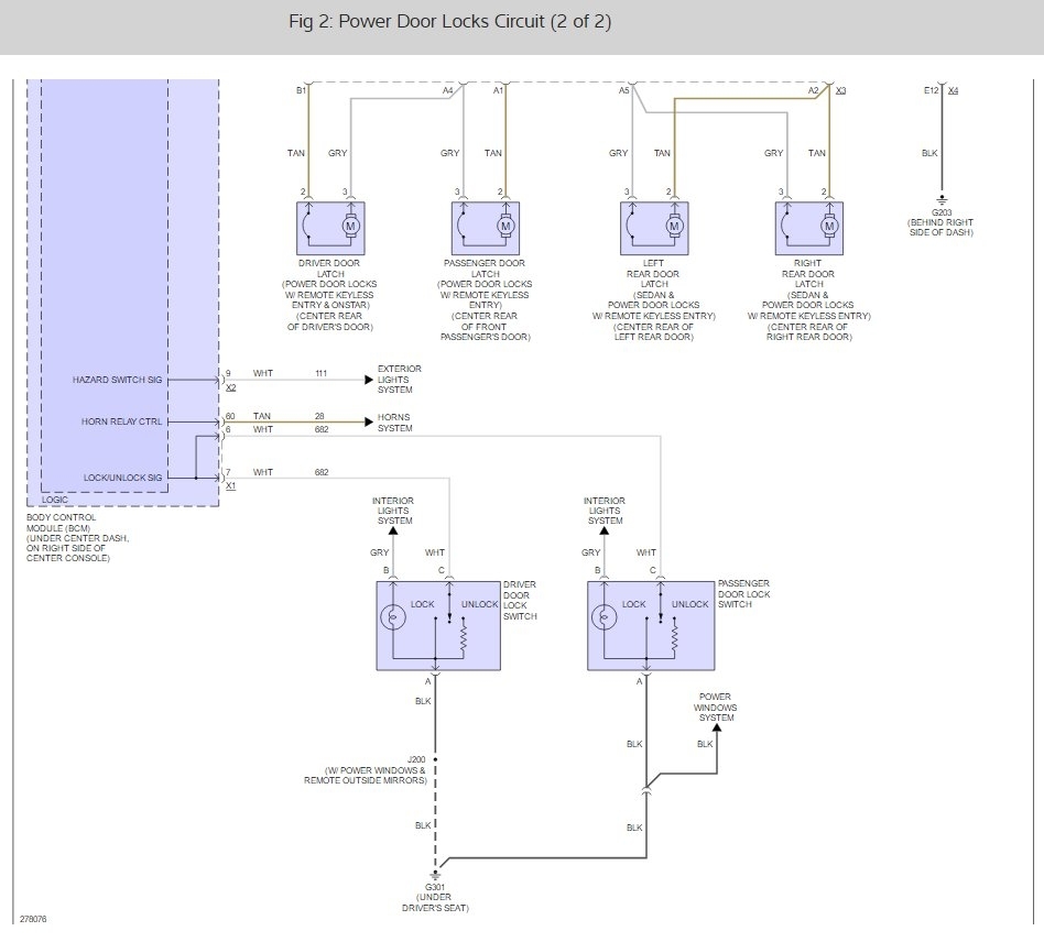
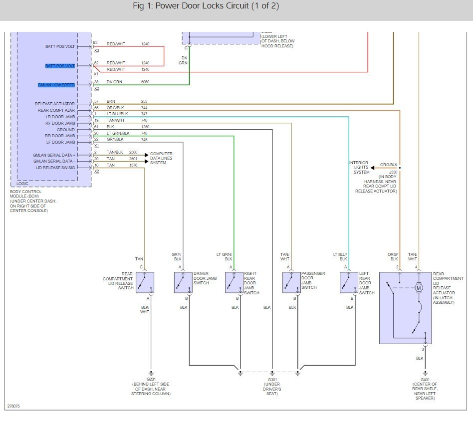
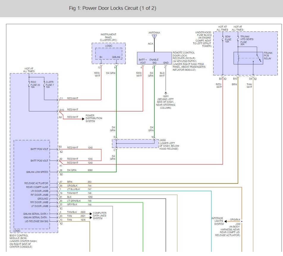
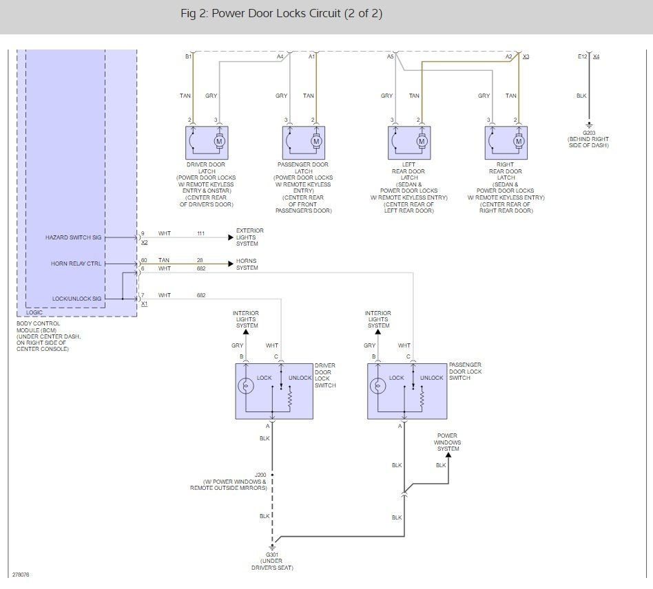
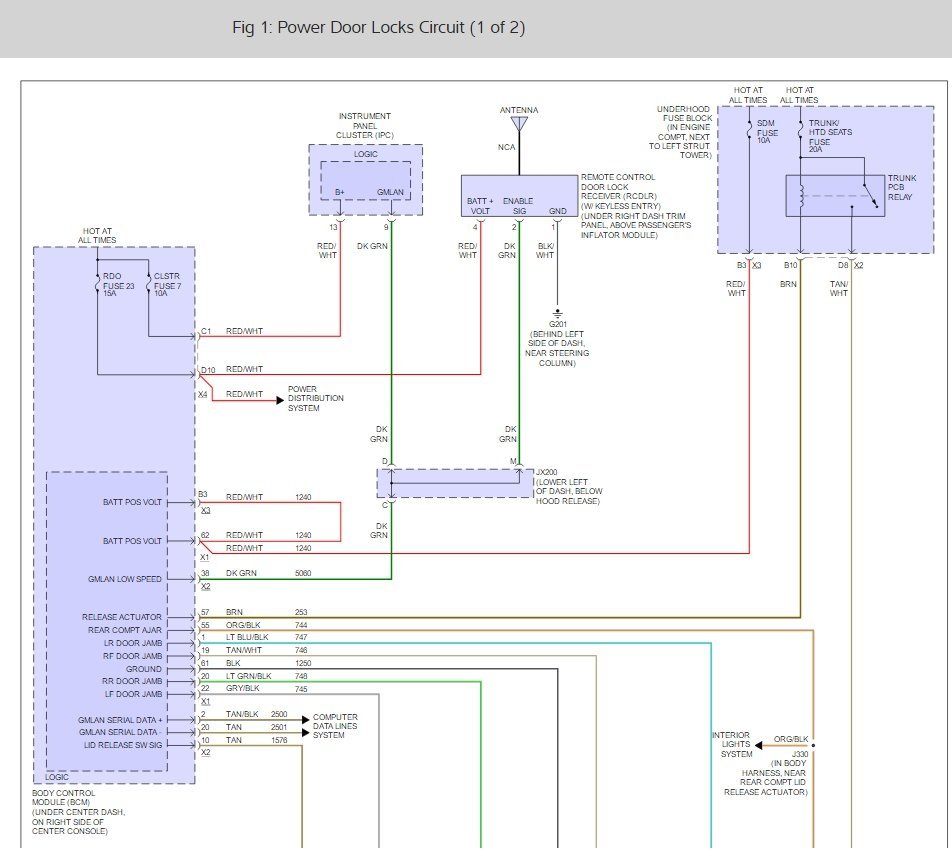
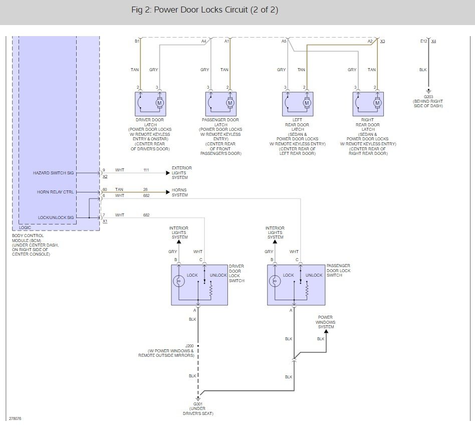
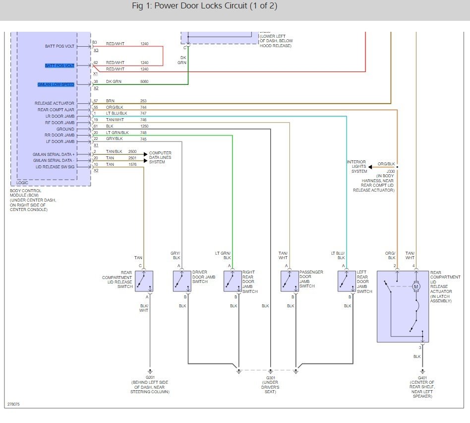
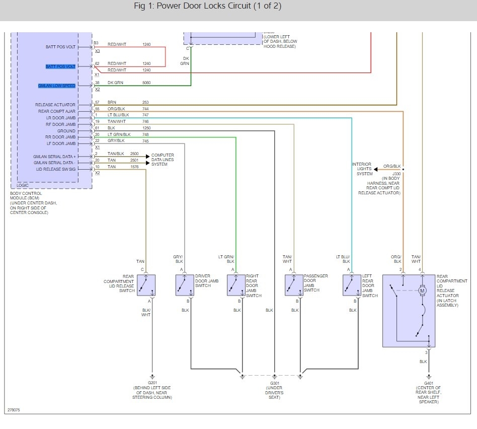
Here are some wiring diagrams and a guide so you can do some testing to get the problem fixed.

https://www.2carpros.com/articles/how-to-check-a-car-fuse

and

https://www.2carpros.com/articles/how-to-check-wiring

Please run some tests and get back to us so we can continue helping you.

Cheers, Ken

May 10, 2017 at 4:05 PM