Locked gear shifter?

1995 CHEVROLET 1500
225,000 MILES • 5.7L • V8 • 4WD • AUTOMATIC
Avatar
COLTON MCMANUS
  • MEMBER
  • 2 POSTS
I have the truck listed above K1500. It has a problem with coming out of park. I can tell it has to do with the brake light switch because whenever I take out the switch it will come out of park. But whenever I put it back on it will only come out of gear for the first couple of minutes after installation but not much afterwards but not consistently. I have tried multiple different brands, clips, washers and zip ties to try and get it to be consistent, but nothing seems to work. It seems to work more consistently when I push on the back of the switch (pushing towards the driver seat), while also pushing on the brake pedal. Another thing that’s been puzzling me is the brake lights will come on, but it still won’t unlock the gear shifter. The lights come on much more consistently but not 100% of the time. I don’t know if it is the connector going bad or maybe something is wrong with the brake pedal or something is wrong with the brake booster arm. Any advice would be greatly appreciated.
Aug 6, 2023 at 11:06 AM
Advertisement
Avatar
STRAILER
  • CERTIFIED EXPERT
  • 53,854 POSTS
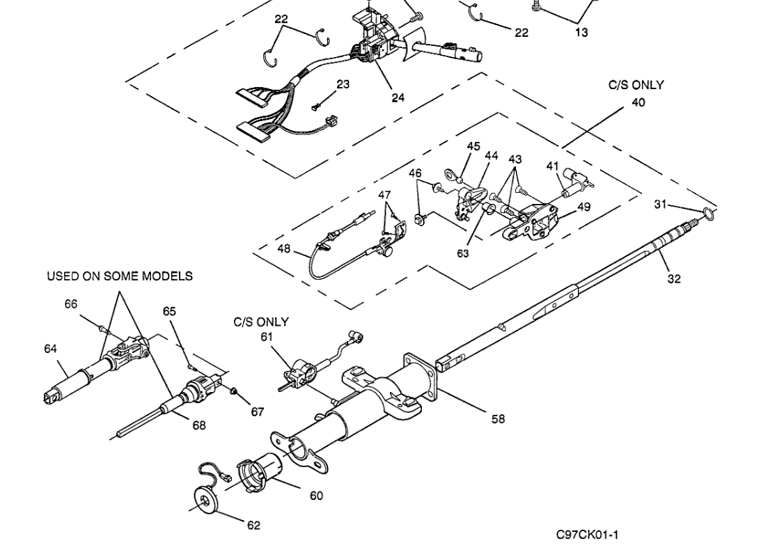
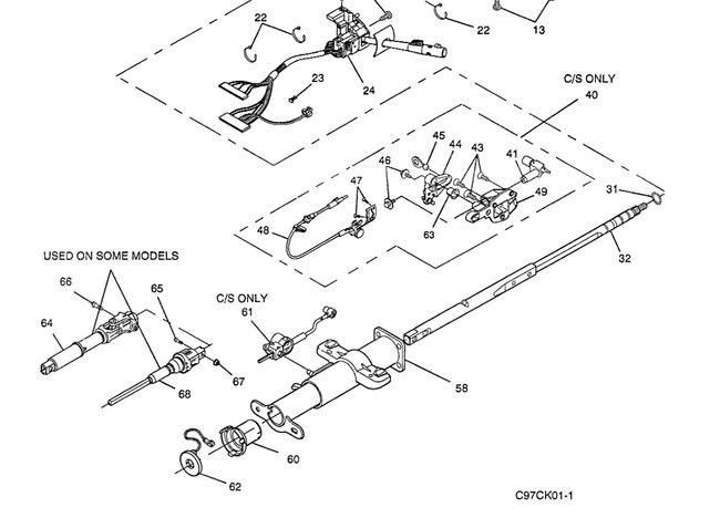
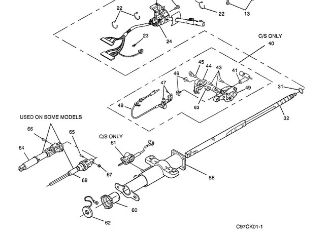
It sounds like you have a bad ground, or the shift lock cable/solenoid is worn out or broken. Here is the ground location so you can check the connection and the wiring diagrams for the shift lock system so you can see how it works. Check out the images (below). Let us know what happens and please upload pictures or videos of the problem so we can see what's going on.
Aug 7, 2023 at 11:44 AM
Avatar
COLTON MCMANUS
  • MEMBER
  • 2 POSTS
I checked it all and nothing worked. I even replaced the solenoid, but it still didn’t work. I believe it’s because there isn’t enough pressure on the brake switch. I have attached a video showing this. I don’t know what would create more pressure though.
Aug 8, 2023 at 9:00 AM
Advertisement
Avatar
STRAILER
  • CERTIFIED EXPERT
  • 53,854 POSTS
Good find, and thanks for the video, it helps. it looks like you have found the problem the brake light switch needs to be replaced, here are instructions in the images below to help you fix it.


Aug 10, 2023 at 9:35 AM