Location of the transmission speed sensor output shaft - VSS vehicle speed sensor

2013 HONDA CIVIC
50,000 MILES • AUTOMATIC
Avatar
MYCIVIC2013ISBROKEN
  • MEMBER
  • 3 POSTS
My speedometer reading is zero while driving. Checked the code is p0722 output shaft speed sensor has no signal.

Could anyone please tell me where the sensor is located? Many thanks! I tried to look it up but still have no clue of where it is. Must be hidden somewhere.
Feb 26, 2020 at 7:57 PM
Advertisement
Avatar
JACOBANDNICKOLAS
  • CERTIFIED EXPERT
  • 110,175 POSTS
To access the sensor, you need to remove the air filter box. The sensor is on the top of the transmission housing. Here are the directions. The attached pics correlate with the directions.

____________________

2013 Honda Civic Sedan L4-1.8L (R18Z1)
Output Shaft (Countershaft) Speed Sensor Removal And Installation (A/T)
Vehicle Powertrain Management Transmission Control Systems Sensors and Switches - Transmission and Drivetrain Sensors and Switches - A/T Transmission Speed Sensor Service and Repair Removal and Replacement Output Shaft (Countershaft) Speed Sensor Removal And Installation (A/T)
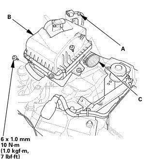
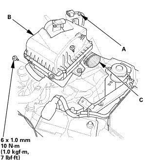
OUTPUT SHAFT (COUNTERSHAFT) SPEED SENSOR REMOVAL AND INSTALLATION (A/T)
Service Information

Output Shaft (Countershaft) Speed Sensor Removal and Installation

Removal

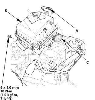
1. Air Cleaner


pic 1


1. Disconnect the intake air duct (A).

2. Remove the air cleaner (B).

3. Remove the harness clamp (C).

2. Output Shaft (Countershaft) Speed Sensor


pic 2


1. Disconnect the connector (A).


pic 3


2. Remove the output shaft (countershaft) speed sensor (A) with the O-ring (B).

Service Information

Installation

1. Output Shaft (Countershaft) Speed Sensor


pic 4


1. Install the output shaft (countershaft) speed sensor (A) using a new O-ring (B).


pic 5


2. Check the connector (A) for corrosion, dirt, or oil, and clean or repair if necessary, then connect the connector securely.

2. Air Cleaner


pic 6


1. Install the harness clamp (A).

2. Install the air cleaner (B).

3. Connect the intake air duct (C).

________________________

Let me know if this helps or if you have other questions.

Take care,
Joe
Feb 26, 2020 at 8:09 PM
Avatar
MYCIVIC2013ISBROKEN
  • MEMBER
  • 3 POSTS
Hi Joe,

Thanks so much for the quick and detailed response! I'll check it out on Friday (ordered a ratchet extension since the one i have so far is too short).

Another question is, is there a serial number or parts number to look for if i need to buy a replacement sensor? May i just use R18Z1?

Thanks again in advance!
Feb 26, 2020 at 9:03 PM
Advertisement
Avatar
JACOBANDNICKOLAS
  • CERTIFIED EXPERT
  • 110,175 POSTS
Hi,

All you will need to tell them is the year, make and model. They will most likely ask for the engine size.

Let me know if I can help.

Take care,
Joe
Feb 27, 2020 at 4:44 PM
Avatar
MYCIVIC2013ISBROKEN
  • MEMBER
  • 3 POSTS
Hi Joe,

a quick update:

After replacing the VSS, all the lights are gone, including p0722, p1747 and p1780.

Thanks so much for the help. This has saved me thousands of dollars since some folks from AutoZone told me that my transmission is not working.

Mar 7, 2020 at 10:19 PM
Avatar
JACOBANDNICKOLAS
  • CERTIFIED EXPERT
  • 110,175 POSTS
You are very welcome. I'm glad to hear it took care of everything.

Take care and feel free to come back anytime you need help.

Joe
Mar 7, 2020 at 10:46 PM
Avatar
SBUFFALO
  • MEMBER
  • 2 POSTS
what do I have to take off to access sensor?
Jan 7, 2021 at 10:31 AM (Merged)
Avatar
ASEMASTER6371
  • CERTIFIED EXPERT
  • 52,796 POSTS
Good morning,

Below is a picture and the procedure for you for the sensor.

Roy

A/T Output Shaft (Countershaft) Speed Sensor Replacement

1. Remove the air cleaner assembly See: Air Cleaner Housing > Removal and Replacement and the intake air duct.

2. Disconnect the output shaft (countershaft) speed sensor connector, and remove the output shaft (countershaft) speed sensor (A).

3. Install a new O-ring (B) on a new output shaft (countershaft) speed sensor, then install the output shaft (countershaft) speed sensor in the transmission housing.

4. Check the connector for rust, dirt, or oil, and clean or repair if necessary, then connect the connector securely.

5. Install the intake air duct and the air cleaner assembly. See: Air Cleaner Housing > Removal and Replacement
Jan 7, 2021 at 10:31 AM (Merged)
Avatar
SBUFFALO
  • MEMBER
  • 2 POSTS
Thank you.
Jan 7, 2021 at 10:31 AM (Merged)
Avatar
ASEMASTER6371
  • CERTIFIED EXPERT
  • 52,796 POSTS
You are welcome.

Always glad to help.

Roy
Jan 7, 2021 at 10:31 AM (Merged)
Avatar
EFAUL33815
  • MEMBER
  • 1 POST
119000 speedometer fails and comes back on at will
after rebooting check engine light stays off or on while speedometer is working. I am taking it back to a repair shop for the 5th time Monday $1270.00 later
started with a tune up 3 weeks ago because of a check engine light $270.00 and then $ 1000.00 more to replaced a alternater,computer speed sensor
electrical socket to speed sensor, fan motor and head light reconditioning kit and towing the original
analizer code after tune up po501?
Jan 7, 2021 at 10:31 AM (Merged)
Avatar
DAVE H
  • CERTIFIED EXPERT
  • 13,384 POSTS
Hello .. thanks for the donation .. much appreciated You have replaced the sensor and the computer .. you will now need to check the wiring !! DTC P0500 & P0501: VEHICLE SPEED SENSOR (VSS) MALFUNCTION Test drive vehicle. Using scan tool, check vehicle speed. If correct speed is not indicated, go to next step. If correct speed is indicated, problem is intermittent. System is okay at this time. Check for poor connections or loose wires at VSS and PCM connectors. See appropriate wiring diagram in WIRING DIAGRAMS article. Repair as necessary. Turn ignition off. Block rear wheels and set parking brake. Raise and support front of vehicle. Turn ignition on. Block right front wheel and slowly rotate left front wheel by hand. Using backprobe set, measure voltage between PCM 25-pin connector "B" terminal No. 20 (Brown/Black wire) and PCM 31-pin connector "C" terminal No. 23 (Blue/White wire). See Fig. 2 and Fig. 3 . If voltage does not pulse between zero and 5 volts or battery voltage, go to next step. If voltage pulses between zero and 5 volts or battery voltage, substitute a known-good PCM and recheck. If symptom or indication goes away, replace original PCM. Turn ignition off. Disconnect PCM 31-pin connector "C". Turn ignition on. Block right front wheel and slowly rotate left front wheel by hand. Using backprobe set, measure voltage between PCM 25-pin connector "B" terminal No. 20 (Brown/Black wire) and PCM 31-pin connector "C" terminal No. 23 (Blue/White wire). See Fig. 2 and Fig. 3 . If voltage pulses between zero and 5 volts or battery voltage, substitute a known-good PCM and recheck. If symptom or indication goes away, replace original PCM. If voltage does not pulse between zero and 5 volts or battery voltage, check for short in Blue/White wire between PCM, TCM and VSS. Also check for open in Blue/White wire between PCM and VSS. Fig2 " B"Terminals


https://www.2carpros.com/forum/automotive_pictures/266999_honda1_1.jpg

Fig3 "C" Terminals


https://www.2carpros.com/forum/automotive_pictures/266999_honda2_1.jpg

I would also check the junction connector in the right Kick Panel ... this may have been damaged by passengers feet !!


https://www.2carpros.com/forum/automotive_pictures/266999_honda_2.jpg

Hope this helps


https://www.2carpros.com/forum/automotive_pictures/266999_AAA2_294.png

Jan 7, 2021 at 10:31 AM (Merged)
Avatar
DUANE98
  • MEMBER
  • 1 POST
When I first start the car and start driving, the speedometer sticks and bounces around 20 mph, no matter what my accual speed is. Once the car is warmed up, (1 to 2 miles, outside temp 50-60 degrees), It works fine from then on. I have already changed the Vehicle Speed Sensor, and checked for loose and fraid wires under the hood.
Jan 7, 2021 at 10:31 AM (Merged)
Avatar
JACOBANDNICKOLAS
  • CERTIFIED EXPERT
  • 110,175 POSTS
If the wiring is good and VSS is new, the speedo itself must be bad.
Jan 7, 2021 at 10:31 AM (Merged)
Avatar
F4I_GUY
  • CERTIFIED EXPERT
  • 3,302 POSTS
I've seen this numerous times. I can confirm that the speedometer needs to be replaced.
Jan 7, 2021 at 10:32 AM (Merged)
Avatar
WALLY77
  • MEMBER
  • 1 POST
Hi, I have a '97 honda civic lx sedan, the speedometer, cruise and the srs doesn't work. I've checked all fuses an I'm wondering, does the vss need voltage or does it send voltage to the ecm?
Jan 7, 2021 at 10:32 AM (Merged)
Avatar
KHLOW2008
  • CERTIFIED EXPERT
  • 41,814 POSTS
Speedometer and cruise are related but the SRS is another different problem. It is related to the cruise only if the horns are not working, that would mean a bad clock spring reel under the steering wheel.

The VSS needs voltage and it sends a pulse to the speedomter and ECM.
Jan 7, 2021 at 10:32 AM (Merged)
Avatar
JASON.MOORE77
  • MEMBER
  • 1 POST
My speedometer stopped working all of a sudden on the road and the check engine light came on. Where is my VSS located, and how do i replace it?
Jan 7, 2021 at 10:32 AM (Merged)
Avatar
DAVE H
  • CERTIFIED EXPERT
  • 13,384 POSTS
It is a simple case of unscrewing old sensor and screwing back in new one .. you will need wrenches of course ? hope this helps


https://www.2carpros.com/forum/automotive_pictures/266999_Graphic2_1.jpg

Jan 7, 2021 at 10:32 AM (Merged)
Avatar
TIMOTHY SHINKAROFF
  • MEMBER
  • 2 POSTS
Hey, my gauge cluster reads speed fine but my Hondata is only reading 4mph I changed speed sensor changed engine harness still only reads/data logs 4mph. I need to know how to fix this. thanks
Jan 7, 2021 at 10:32 AM (Merged)
Avatar
JOETECHPRO
  • CERTIFIED EXPERT
  • 705 POSTS
Hey TIMOTHY SHINKAROFF,

Which part of the harness did you replace?

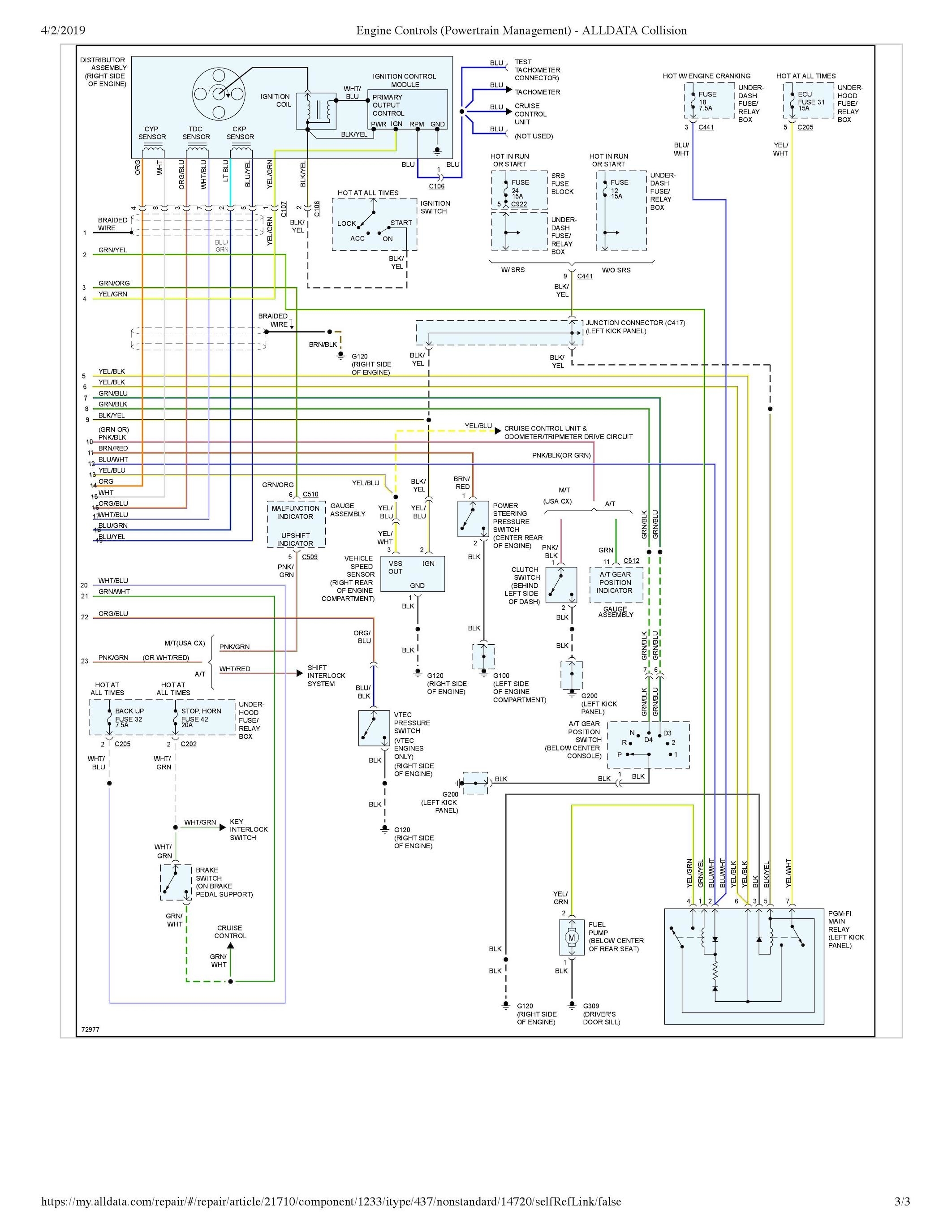
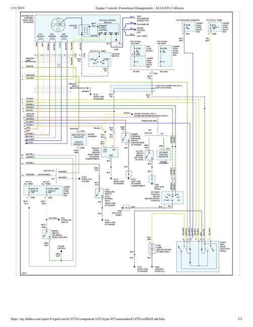
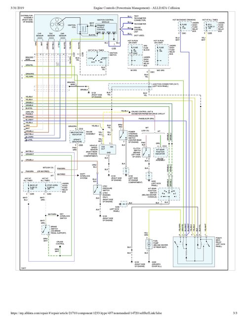
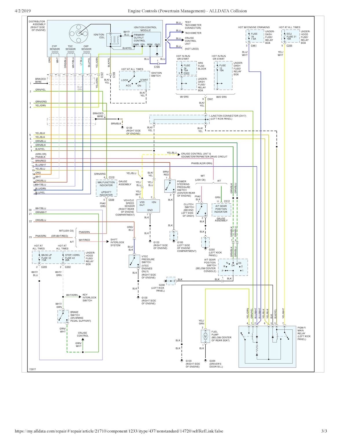
I have attached the wiring diagrams for engine controls.

From this you will see there is a yellow/blue wire that goes to the PCM pin B10 from the VSS.

I have attached a description of the VSS function too.

Do you have access to a multi-meter?

Have you contacted Hondata regards this fault?

Regards, Joe
Jan 7, 2021 at 10:32 AM (Merged)
Avatar
TIMOTHY SHINKAROFF
  • MEMBER
  • 2 POSTS
I replaced the engine harness with a wire harness so its from the ECU to the engine and the only part of the old harness that is used is the two clips on the drivers side. Yes, I have a multi-meters yes Hondata told me it can’t be the Hondata unit because the ECU is what reads the speed so they said it’s wiring or the ECU I open the ECU looking for anything burnt and did not see anything. also my cruse control still works but that’s for the diagrams it raining here today. so I’ll do some more work on it tomorrow.
Jan 7, 2021 at 10:32 AM (Merged)
Avatar
JOETECHPRO
  • CERTIFIED EXPERT
  • 705 POSTS
Hey TIMOTHY SHINKAROFF,

So the harness from the VSS to the ECM/cruise control/instrument cluster has been replaced?

Where does the Hondata connect?

You will need to check the wiring, i would start by disconnecting the VSS and the ECM.

Check resistance between -
Pin 3 Yellow/white wire on the VSS
Pin B10 Yellow/blue wire on the ECM

You are looking for a low resistance value (0-3ohms)

Let me know what you get here.

Do you have the check engine light on?

I have attached the wiring diagram again below, it came out low resolution before.

Regards, Joe
Jan 7, 2021 at 10:32 AM (Merged)
Avatar
TEAMDEVOTION24
  • MEMBER
  • 2 POSTS
I just replaced the vehicle speed sensor and to speedometer, trip and odometer still dont work. the tachometer, gas gauge and temperature gauge work. what could be the problem? is it the speedometer itself? is it the shaft inside the tranny that is part of the speed sensor. I didnt replace all of that. I just replaced the plug...
Jan 7, 2021 at 10:32 AM (Merged)
Avatar
KHLOW2008
  • CERTIFIED EXPERT
  • 41,814 POSTS
Hi teamdevotion24,

It could be any of the those mentioned.

Testings would have to be carried out to determine the source. Was the VSs replaced new or used? Was the center pin installed?
Jan 7, 2021 at 10:32 AM (Merged)
Avatar
TEAMDEVOTION24
  • MEMBER
  • 2 POSTS
Yes it is brand new and i tested it in my other 1995 honda civic. Yes the pin was installed. I removed the gear shaft and it looked brand new with no wear on it. So i assume it is electrical. Where do i start? I mean the tach works the gas gauge everything. My cruise turns on but doesnt work. when looking through the book i looked at the wiring diagram and the wiring for the VSS is also part of the cruise control. I know the check engine light comes on but I dont have the money to have it hooked up and checked.
Jan 7, 2021 at 10:32 AM (Merged)
Avatar
KHLOW2008
  • CERTIFIED EXPERT
  • 41,814 POSTS
You can retrieve the trouble code by bridging the SCS connector, turn ignition ON and count the blinking of the CEL to get the code.


https://www.2carpros.com/forum/automotive_pictures/192750_SCS95Civic_2.jpg

I have sent the diagnostic files for VSS truble codes to you via email.
Jan 7, 2021 at 10:32 AM (Merged)