Where is the blower resistor located?

1999 CADILLAC DEVILLE
94,000 MILES • 4.7L • V8 • 2WD
Avatar
TSILVA4
  • MEMBER
  • 5 POSTS
Where is the resistor for the A/C blower motor located on my car listed above?
Aug 19, 2025 at 8:48 AM
Advertisement
Avatar
STEVE W.
  • CERTIFIED EXPERT
  • 15,113 POSTS
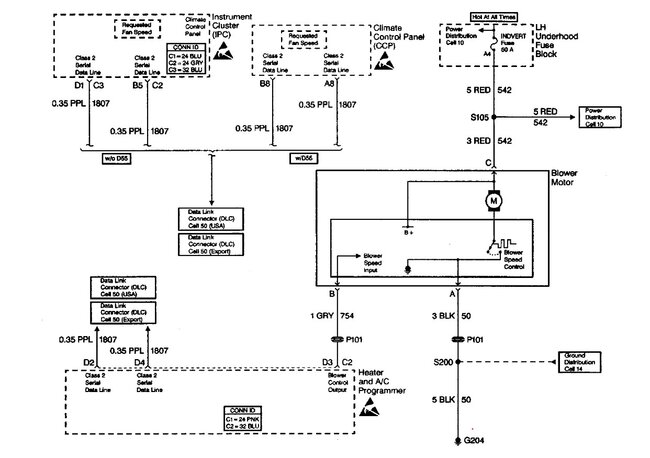
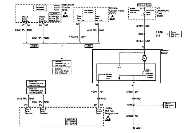
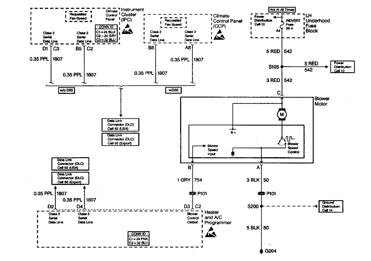
There isn't one for the front blower motor. It uses a solid state pulse width modulation controller to regulate the blower speed. That module is built into the blower motor itself. What seems to be the problem with it?
Aug 19, 2025 at 4:47 PM
Avatar
TSILVA4
  • MEMBER
  • 5 POSTS
The blower comes on low even when the ignition is off and it drains the battery. Then when I run the car, the fan only runs on low.
Aug 20, 2025 at 8:20 AM
Advertisement
Avatar
STEVE W.
  • CERTIFIED EXPERT
  • 15,113 POSTS
OK, to test if it's the blower control you would need to disconnect the connection at connector 2 on the programmer, it is located behind the glove box. That would isolate the blower module. If it still stays on then you know it's the blower motor.
Aug 20, 2025 at 10:55 AM
Avatar
TSILVA4
  • MEMBER
  • 5 POSTS
Do you happen to have a picture of the programmer?
Aug 20, 2025 at 11:54 AM
Avatar
TSILVA4
  • MEMBER
  • 5 POSTS
I found it and discounted both connectors and the fan kept running
Aug 20, 2025 at 2:13 PM
Avatar
TSILVA4
  • MEMBER
  • 5 POSTS
*disconnected
Aug 20, 2025 at 2:14 PM
Avatar
STEVE W.
  • CERTIFIED EXPERT
  • 15,113 POSTS
OK, you have a bad blower motor controller. That is part of the blower motor itself. It is under the hood on the firewall. You remove the brace above it, move the harness out of the way and remove the 3 or 5 screws that secure the blower in place. The new one will have 3 holes only. Reverse the process to install the new one.
Aug 20, 2025 at 5:34 PM