Location of reverse switch

2004 CHEVROLET VENTURE
10,030 MILES • 3.4L • 6 CYL • 2WD • AUTOMATIC
Avatar
CRASHMAN55
  • MEMBER
  • 1 POST
Reverse lights don't work. where is reverse switch location?
Mar 20, 2019 at 7:36 AM
Advertisement
Avatar
JOETECHPRO
  • CERTIFIED EXPERT
  • 705 POSTS
Hey CRASHMAN55,

Have you checked the fuse for the reverse lights?

And also checked the bulbs.

These would be the first and easiest things to do.

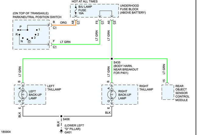
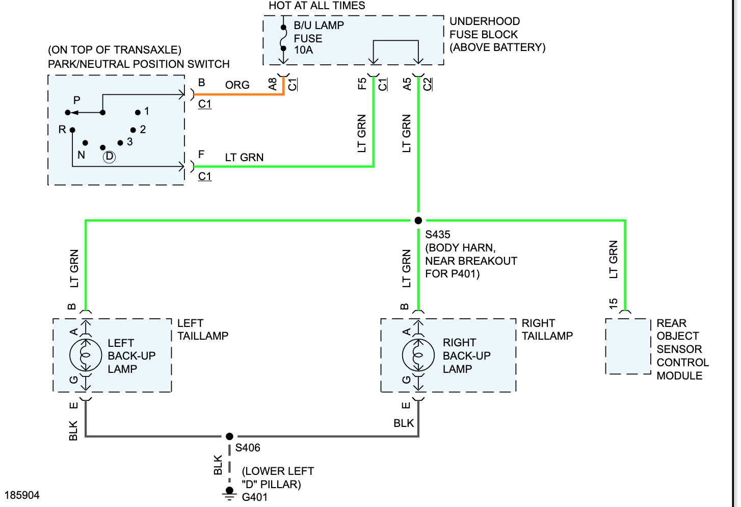
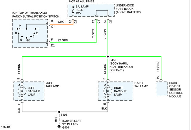
I have attached the wiring diagram the fuse is in the under hood fuse box.

The second picture shows the PNP switch which contains the reverse light switch.

It is located underneath your air inlet/air filter box on top of the transmission.

Hope this helps.

Regards, Joe
Mar 20, 2019 at 1:29 PM
Avatar
CRASHMAN55
  • MEMBER
  • 1 POST
Thanks so much joe you saved me money you picture shows what was missing . there's a plug there also .got to be for the switch that's not there . Thanks so much again. R.Skeens
Mar 21, 2019 at 10:14 AM
Advertisement
Avatar
STRAILER
  • CERTIFIED EXPERT
  • 53,854 POSTS
JOETECHPRO is one of our newest and best! Use 2CarPros anytime, we are here to help. Please tell a friend.
Mar 21, 2019 at 10:15 AM
Avatar
DAVID GARRIDO
  • MEMBER
  • 2 POSTS
Need help my 2018 Silverado reverse light and back up Cam still on all the time .
I belive is the reverse light switch but don’t know where is located Can anyone help ?
Nov 2, 2022 at 12:22 PM
Avatar
JACOBANDNICKOLAS
  • CERTIFIED EXPERT
  • 110,175 POSTS
Hi,

We would be happy to help but I need to ask a favor. Could you repost your question on a new thread? We try to keep the topics and vehicle types specific to one vehicle. That way, it is more helpful to others.

Here is the link to start a new thread:

https://www.2carpros.com/questions/new

I hope you understand.

Take care,

Joe
Nov 2, 2022 at 1:52 PM