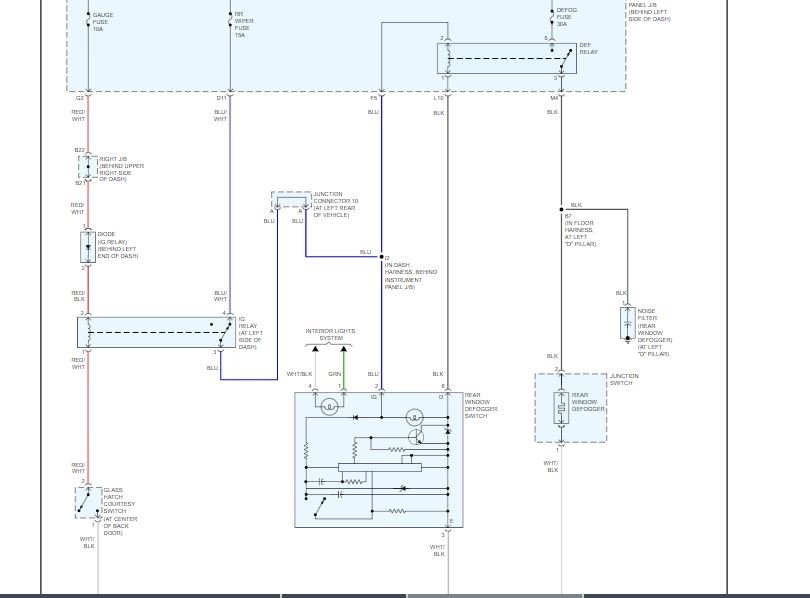
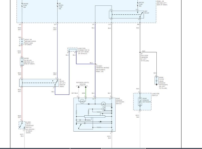
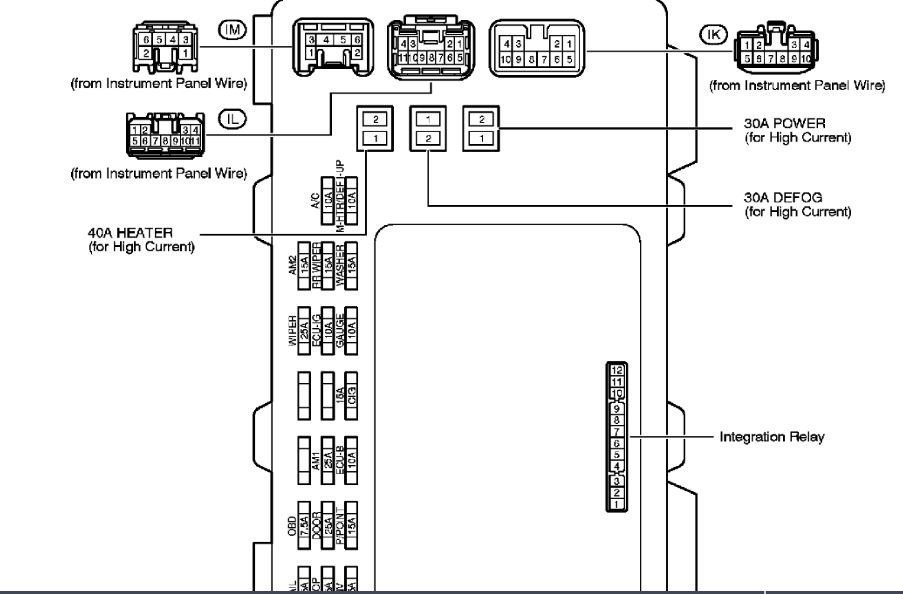
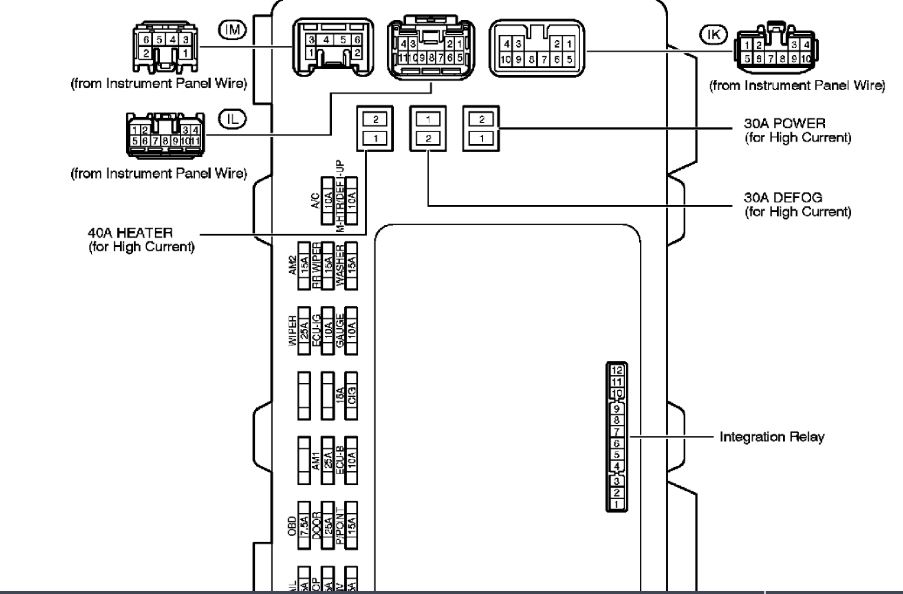
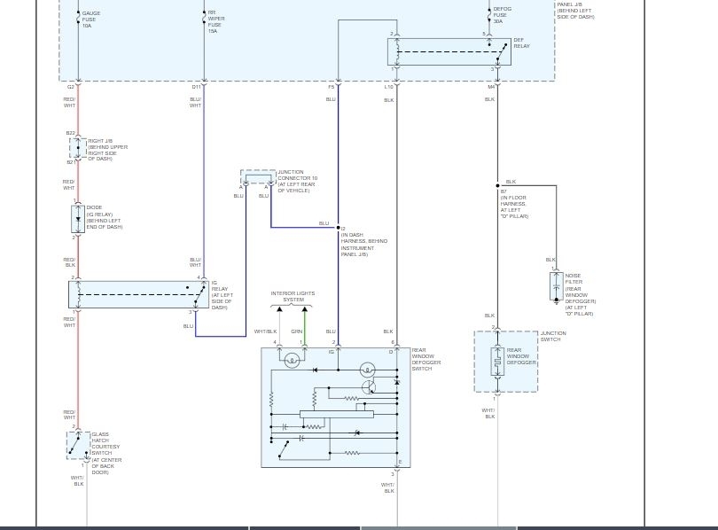
My rear defroster stopped working. dashboard switch (replaced original switch a couple of years ago) seems to be working, soldered attachments from lift gate to grid seem okay and no obvious breaks in grid on window. No current getting to grid. Suspect relay is fried, but can't find any information on where to find it. Not listed on interior or under hood fuse boxes. Might be accessible when coin holder is removed from lower drivers side dash.
Any advice would be greatly appreciated. Frustrating!
Any advice would be greatly appreciated. Frustrating!
Feb 13, 2019 at 5:27 AM



