location of neutral safety switch

2015 CHEVROLET IMPALA
128,392 MILES • 2.5L • 4 CYL • 2WD • AUTOMATIC
Avatar
  • MEMBER
  • 9 POSTS
what is the location of the neutral safety switch
Sep 8, 2025 at 11:39 AM
Advertisement
Avatar
STRAILER
  • CERTIFIED EXPERT
  • 53,855 POSTS
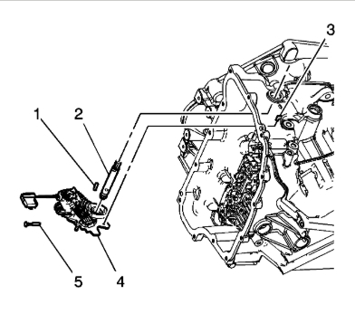
You are going to be bummed out, it is inside the transmission. You will need to remove the valve body cover and the detent housing. Check out the images (below). Let us know how it goes
Sep 8, 2025 at 12:13 PM
Avatar
  • MEMBER
  • 9 POSTS
Would that be where the tcm is located at the driver side front by the transmission oil cap
Sep 8, 2025 at 12:18 PM
Advertisement
Avatar
STRAILER
  • CERTIFIED EXPERT
  • 53,855 POSTS
Yes, in fact it looks like the TCM needs to come out first, great question.
Sep 8, 2025 at 4:51 PM
Avatar
  • MEMBER
  • 9 POSTS
Ok so i have everything tore down but i cannot remove the neutral safety switch to intall the new one and since it's tucked a little inside the transmission i cant see im trying to do everything by feel any tips on how to remove it feels like a bar running horizontal underneath the safety switch with a roller attached any help will do
Sep 12, 2025 at 4:58 AM
Avatar
STRAILER
  • CERTIFIED EXPERT
  • 53,855 POSTS
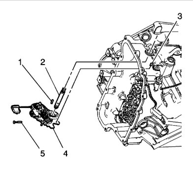
There is a press fit pin that needs to be removed, please check this image out which should help you. Check out the images (below). Let us know how it goes
Sep 12, 2025 at 9:28 AM
Avatar
  • MEMBER
  • 9 POSTS
What tool is used to remove this pin
Sep 15, 2025 at 2:27 PM
Avatar
STRAILER
  • CERTIFIED EXPERT
  • 53,855 POSTS
This would be a forked 90 degree lever tool. You can see it in the image.
Sep 16, 2025 at 9:28 AM
Avatar
  • MEMBER
  • 9 POSTS
Almost got it out but realized this picture is for the wrong safety switch it's a different safety switch that is light green and shorter cable and it has bypass pin in horizontal rod as well as the pull pin
Sep 18, 2025 at 3:39 PM
Avatar
STRAILER
  • CERTIFIED EXPERT
  • 53,855 POSTS
Do you have an image of it so I can see?
Sep 18, 2025 at 4:32 PM
Avatar
  • MEMBER
  • 9 POSTS
Here a picture
Sep 18, 2025 at 4:49 PM
Avatar
STRAILER
  • CERTIFIED EXPERT
  • 53,855 POSTS
I see the new switch but it is hard to tell about the used part, I would wait until you get the part out to see if they match. Are the wiring connectors the same?
Sep 18, 2025 at 4:51 PM
Avatar
  • MEMBER
  • 9 POSTS
Yes it is and the harness length is the same. I have the other switch which it was 2 for this car and the picture you provided is for the black on but this one is green and it has a pin through the rod
Sep 18, 2025 at 4:57 PM
Avatar
STRAILER
  • CERTIFIED EXPERT
  • 53,855 POSTS
Sorry, I am no to sure what you mean by one is black and the other is green, can you please clarify?
Sep 19, 2025 at 7:38 AM
Avatar
  • MEMBER
  • 9 POSTS
One safety switch is black with longer connector which is the picture you sent me the other is green safety switch shorter connector and a pin going through the gear selector rod that goes through the safety switch
Sep 19, 2025 at 9:11 AM
Avatar
STRAILER
  • CERTIFIED EXPERT
  • 53,855 POSTS
I found something that might help, I see there are two different transmission that can be in this car the:

6T70 (M7W) - Automatic Transmission
6T45 (MHG) - Automatic Transmission

So if you check our vin number it should have one of these combinations.

Sep 19, 2025 at 10:25 AM