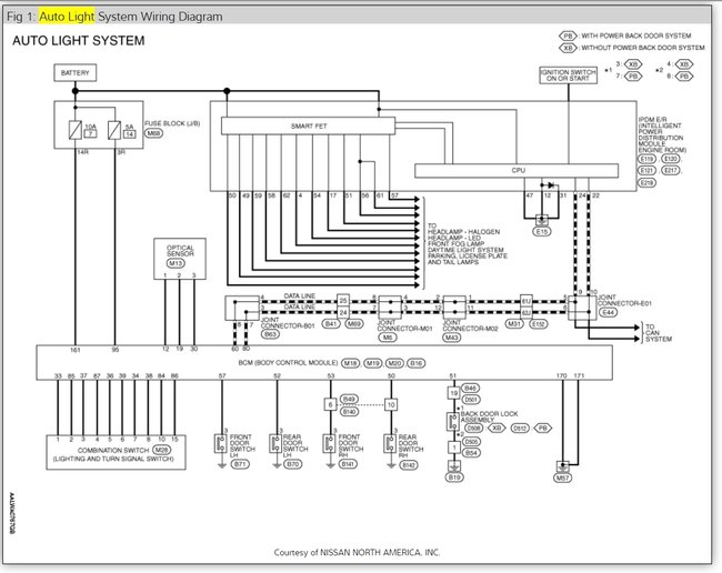
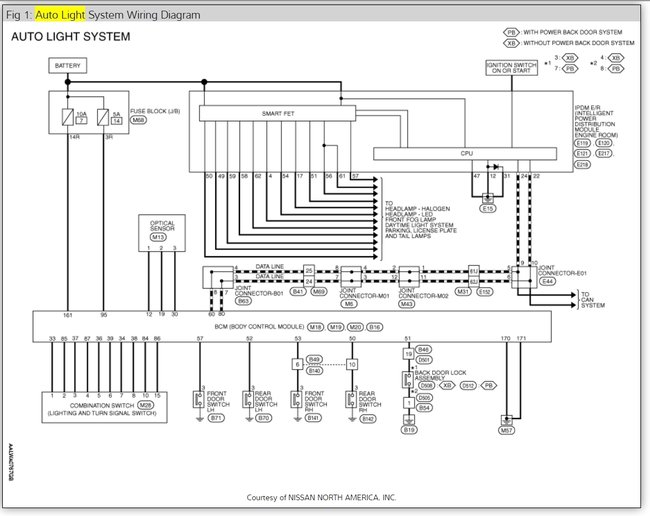
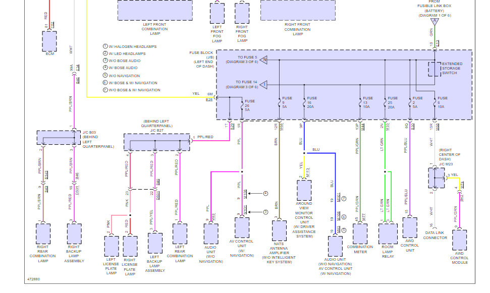
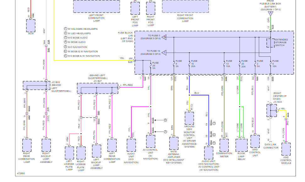
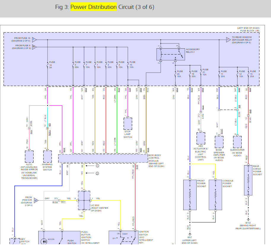
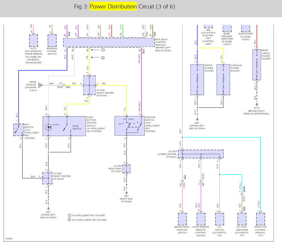
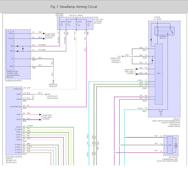
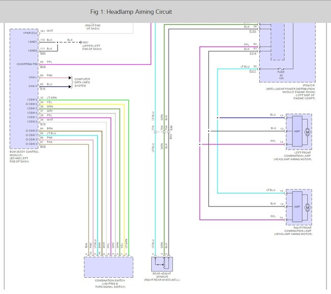
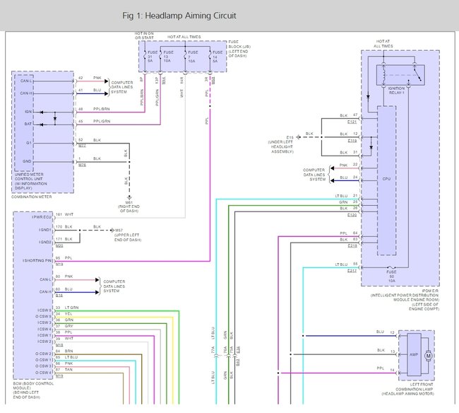
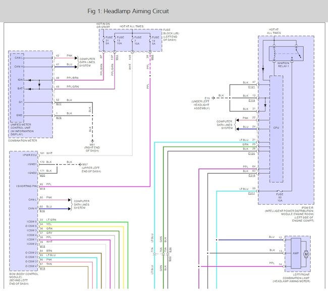
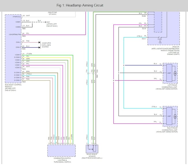
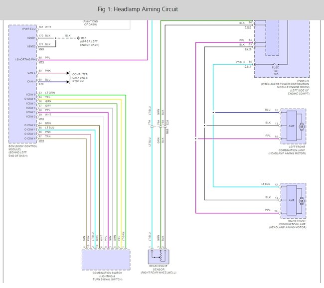
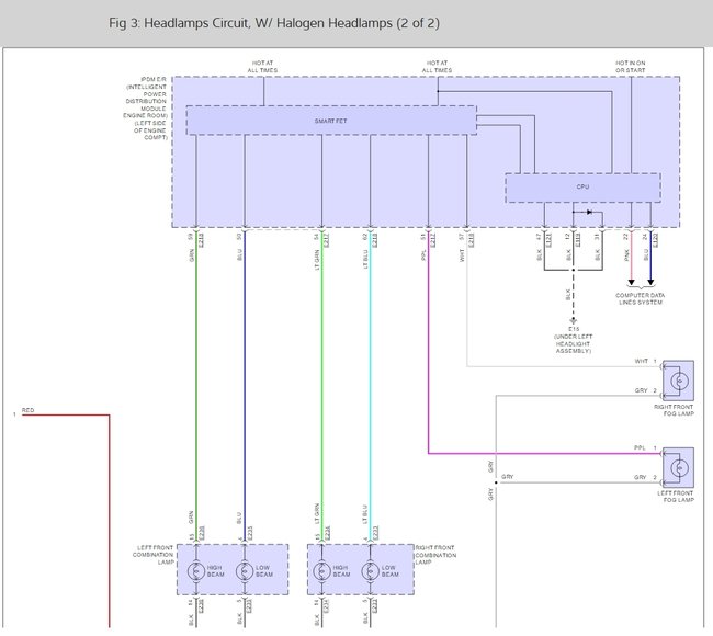
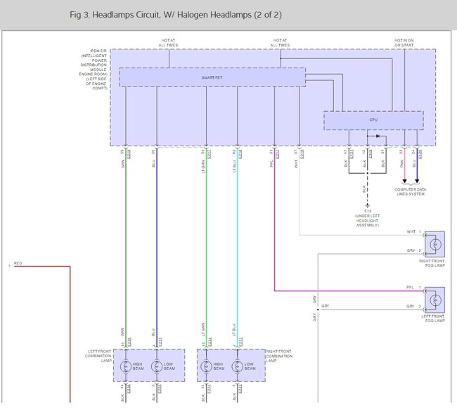
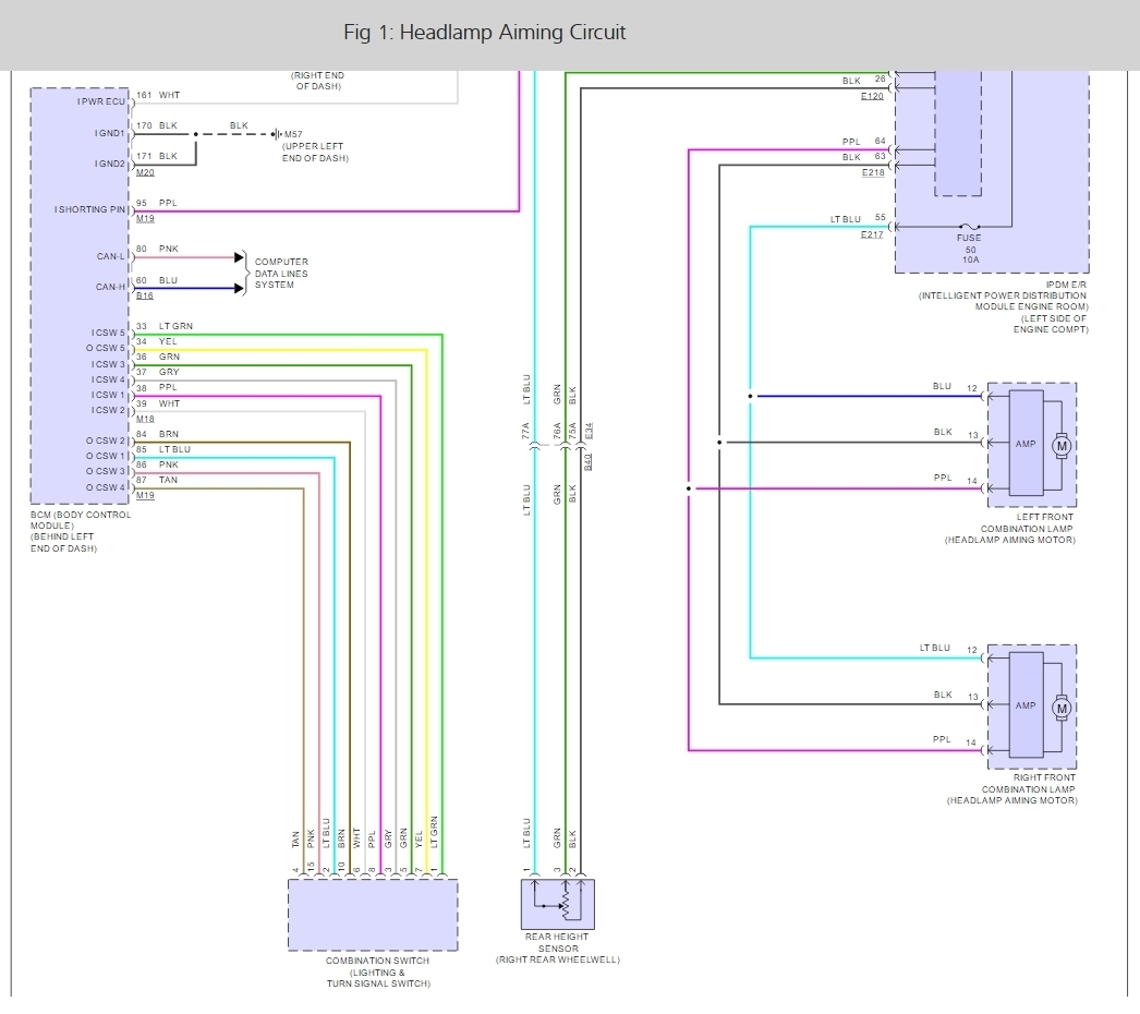
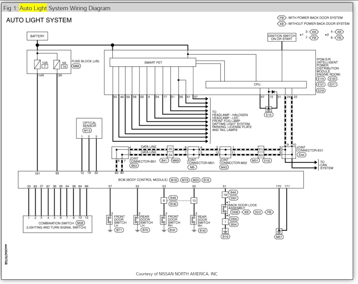
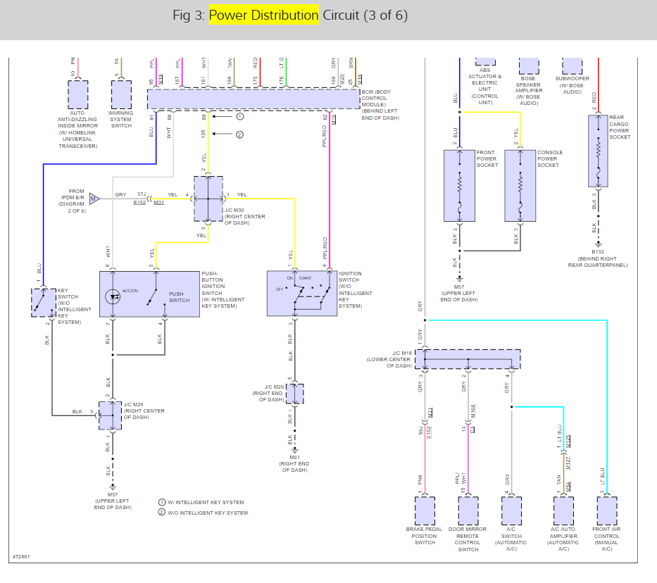
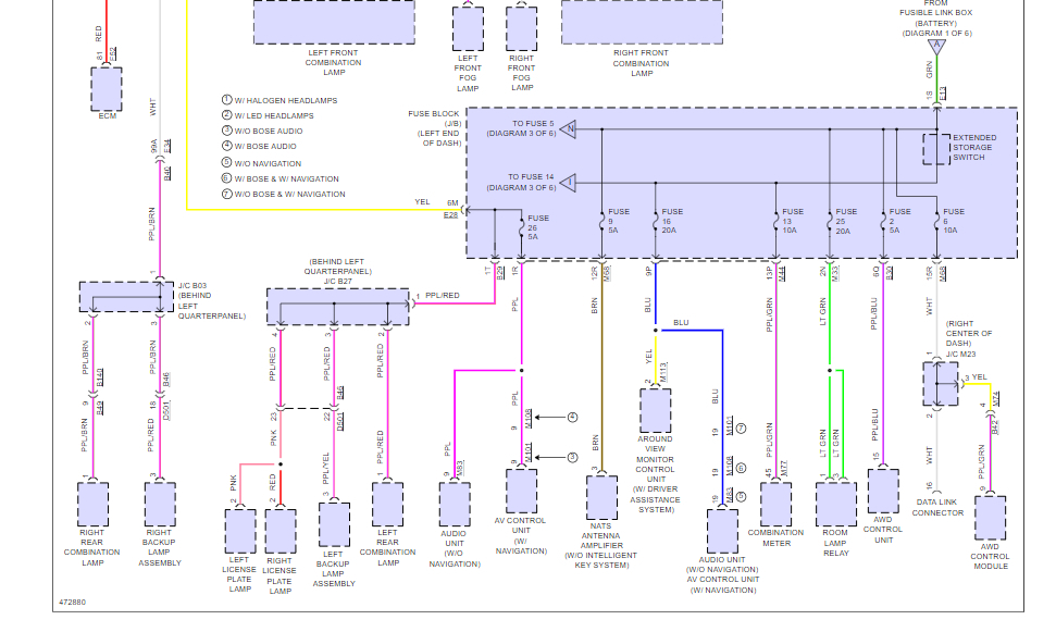
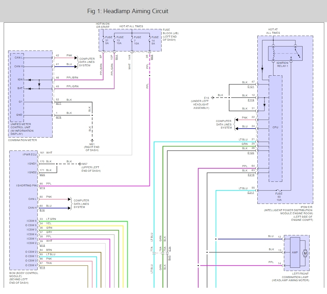
My right side headlamp is out, tested bulb on the other side, okay. Thought might be fuse, and there the fun begins: manual does not list fuses, and the three locations for fuses, does not give headlamps as a description.
Aug 10, 2016 at 3:09 AM



























