Location of engine ECM

1989 LINCOLN TOWN CAR
155,000 MILES • 5.0L • V8 • 2WD • AUTOMATIC
Avatar
  • MEMBER
  • 8 POSTS
Where is the engine control module located and how do I access it?
Aug 11, 2020 at 1:36 PM
Advertisement
Avatar
ASEMASTER6371
  • CERTIFIED EXPERT
  • 52,796 POSTS
Good afternoon,

I attached a picture and the procedure is below.

Why are you replacing the ECM?

It is under the dash on the left side.

Roy

The Electronic Control Assembly (ECA) is located on the left hand hinge pillar.
1. Disconnect electrical connector from ECA.
2. Remove clip attaching ECA to dash panel.
3. Remove ECA.
4. Reverse procedure to install.
Aug 11, 2020 at 2:02 PM
Avatar
  • MEMBER
  • 8 POSTS
I assume I have to remove the dash board to access it, correct?
I am replacing it because for the past 7 months the car has just be quitting on me. The 1st time it happened I checked and found I was getting fuel but no spark. I had to have it towed to my local garage. When it got there it started right up. The next time, same thing. Towed again and this time they changed the ECA relay. Then happened again so I changed the relay (carried a spare in the trunk). Happened again so I put in old relay, no help. Happened again, this time I removed the negative battery terminal for 10 minutes and it started right up. Spoke to my mechanic about it and he too says it could be the ECU itself, he suspected it when he was diagnosing the car earlier.
Your thoughts?
Thank you.
Aug 12, 2020 at 6:27 AM
Advertisement
Avatar
ASEMASTER6371
  • CERTIFIED EXPERT
  • 52,796 POSTS
Okay, as I stated in my response, it is under the dash on the left side. The dash does not have to be removed. All you need to do is go under the dash and look for it. It is attached to a bracket.

It only pays .6 hours in a shop and that is about 36 minutes from start to finish.

Roy
Aug 12, 2020 at 6:35 AM
Avatar
  • MEMBER
  • 8 POSTS
Roy,

Thank you so very much for the info. I have located it just by removing the lower dash panel.
I guess it will just pull out of the firewall connector? (Haven't tried till I get the replacement)

I have ordered the replacement ECM.
Since it is not programmable is there anything I should do after I install it for it to learn the system? Let the engine idle for a while or just drive it?
Thank you again.
Aug 12, 2020 at 10:54 AM
Avatar
ASEMASTER6371
  • CERTIFIED EXPERT
  • 52,796 POSTS
The older cars is easy. The replacements are plug and play and no programming required. there is no learning. All the information is in the processor.

Roy
Aug 12, 2020 at 11:03 AM
Avatar
  • MEMBER
  • 8 POSTS
Well, I have changed the ECM and still the same problem! I get no spark when this happens. I have also previously changed the TFI Module. What's next?
Aug 15, 2020 at 11:18 AM
Avatar
ASEMASTER6371
  • CERTIFIED EXPERT
  • 52,796 POSTS
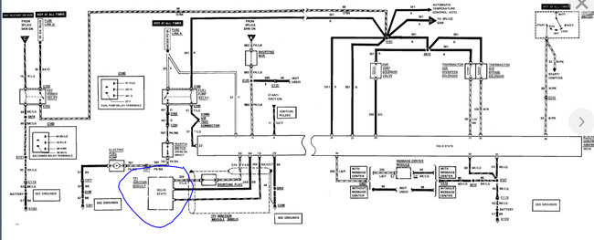
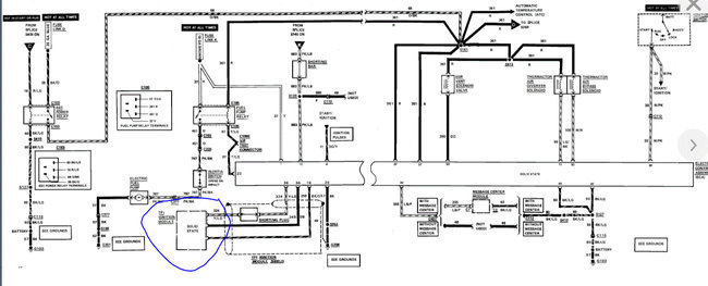
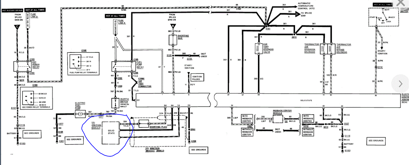
Okay, I attached a wiring diagram for you to view.

Check for power to the ignition module with the key on. Let me know what color wire has battery voltage.

https://www.2carpros.com/articles/how-to-check-wiring

Also, check voltage at the ignition coil positive terminal. That should have battery voltage as well.

Roy
Aug 15, 2020 at 3:48 PM
Avatar
  • MEMBER
  • 8 POSTS
Thank you for the help. I will carry a multi-meter with me for the next time it happens.
The problem is that it happens intermittently, I never know when it will happen.
Most times the car starts right up. If not then I have to pull the negative battery terminal off for 10 minutes then it starts.
Will keep you informed.
Regards
Aug 17, 2020 at 1:03 PM
Avatar
ASEMASTER6371
  • CERTIFIED EXPERT
  • 52,796 POSTS
You are welcome.

Always glad to help.

Roy
Aug 17, 2020 at 1:13 PM
Avatar
  • MEMBER
  • 8 POSTS
Well, it has happened again, no start. This time I had all the test equipment with me. I 1st tried to use my code reader to see if anything showed. However when I did the KOEO I got absolutely nothing, would not even click all the relays as it always does. I did all the test points at the TFI connector and all were okay except for the ground, got an open circuit. I pre-checked all the test points when the car was working and now I read open at the distributor ground! Now ready for this:
I also brought along a spark tester and I have spark!
I also checked for fuel pressure at the rail Schrader valve and there is pressure.
If you have spark and fuel why is there no start.
Car will still not start after sitting for over 1 hour with the battery disconnected.
Any thoughts?
Could it be possibly the anti-theft module? I don't know how that disables the car?
Thank you.
Aug 21, 2020 at 11:34 AM
Avatar
ASEMASTER6371
  • CERTIFIED EXPERT
  • 52,796 POSTS
Okay, the key here is the code check. The fact you cannot get it to go into key on engine off mode tells the ECM is not working at all.

I am surprised you have fuel pressure. My first thought was the power relay on the left front fender by the headlight. The fuel relay, which is green, is there and the other relay is the power relay. I would suspect that being this issue.

Try replacing it or tap on it and see if it starts.

Roy
Aug 21, 2020 at 11:46 AM
Avatar
  • MEMBER
  • 8 POSTS
I have previously replaced both the fuel relay and the PCM relay.
Today I did try to tap them both.
I do have spares and will take them when I go back to the car.
It is currently in the Walgreens parking lot about 3 mile away.
But I did check for voltage at the coil with key on and both terminals had battery voltage.
I disconnected the TFI module and had voltage at all test points except for distributor ground was open.
Will let you know when I go back with spare relays.
Thank you.
Aug 21, 2020 at 12:03 PM
Avatar
ASEMASTER6371
  • CERTIFIED EXPERT
  • 52,796 POSTS
Sounds good.

Roy
Aug 21, 2020 at 12:07 PM
Avatar
  • MEMBER
  • 8 POSTS
Well, I went back with the spare relays, changed them, no difference.
I also brought some starter fluid. When I spray it into the intake it tries to start.
Again, there is pressure at the fuel rail but I guess the injectors are not firing.
How can I check if the injectors are pulsing?
If not what could be causing them not to pulse?
Sorry for being such a PITA but I am at my wits end.
Thank you
Aug 21, 2020 at 4:16 PM
Avatar
ASEMASTER6371
  • CERTIFIED EXPERT
  • 52,796 POSTS
You would need a noid tool. That hooks to the connector for the injector and you crank the engine and see if it flashes. If it does not, the ECM is what commands the injectors to flow fuel.

https://www.2carpros.com/articles/how-fuel-injection-systems-work

https://www.2carpros.com/articles/how-to-test-a-fuel-injector

Roy
Aug 21, 2020 at 4:24 PM