Hello,
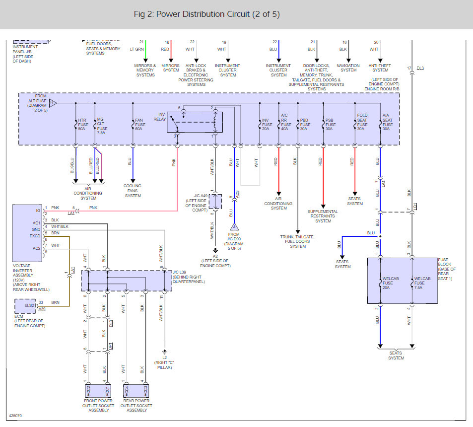
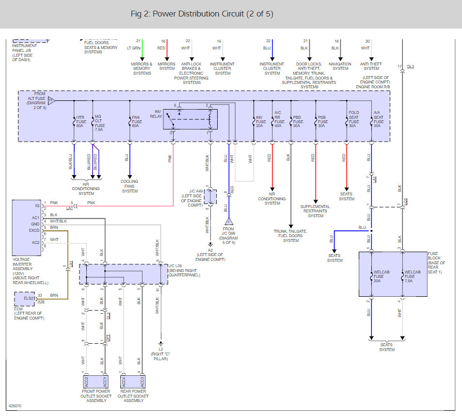
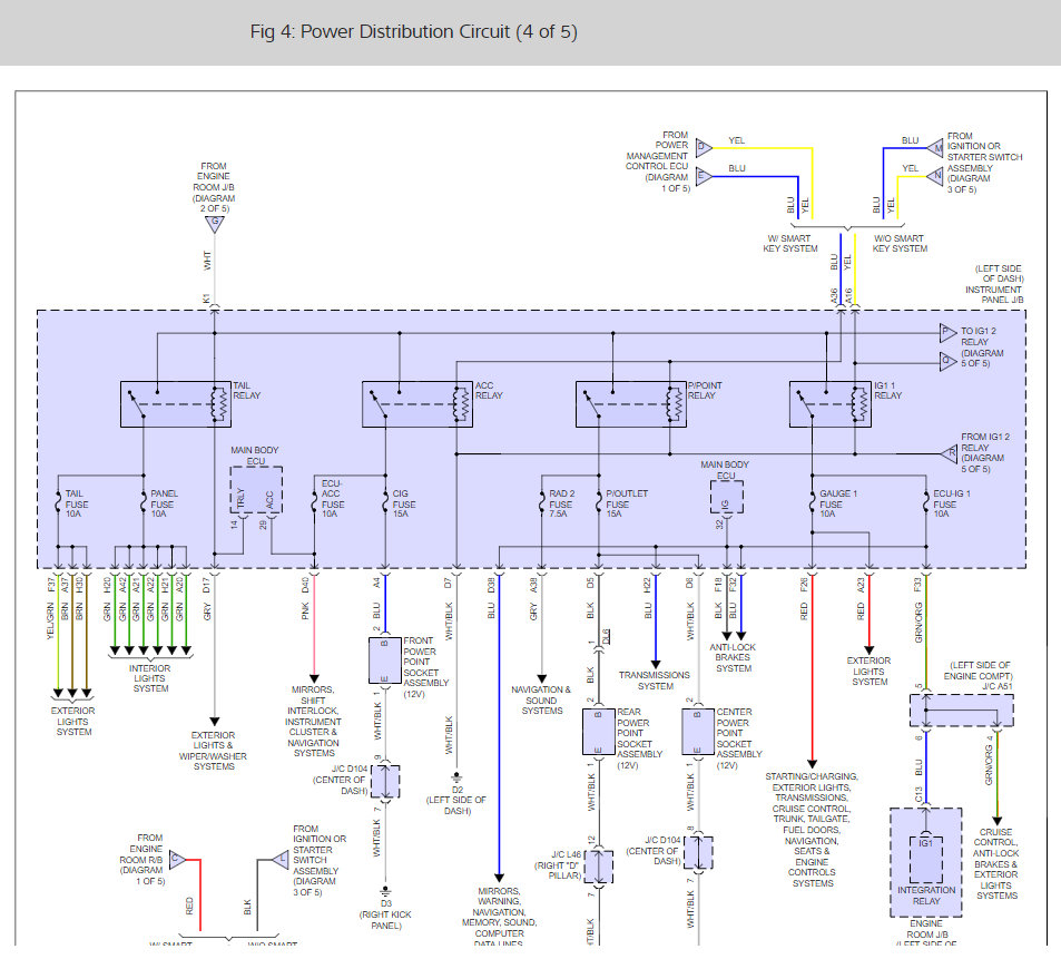
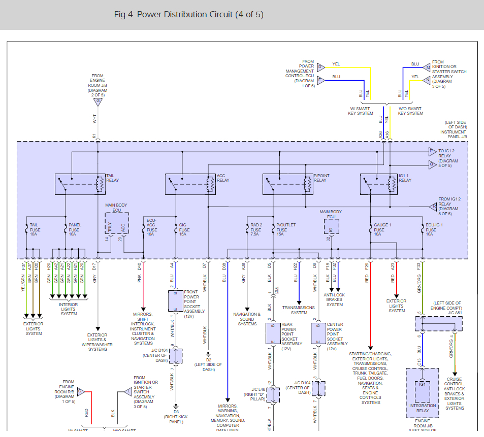
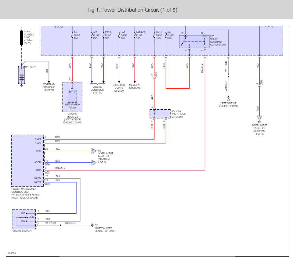
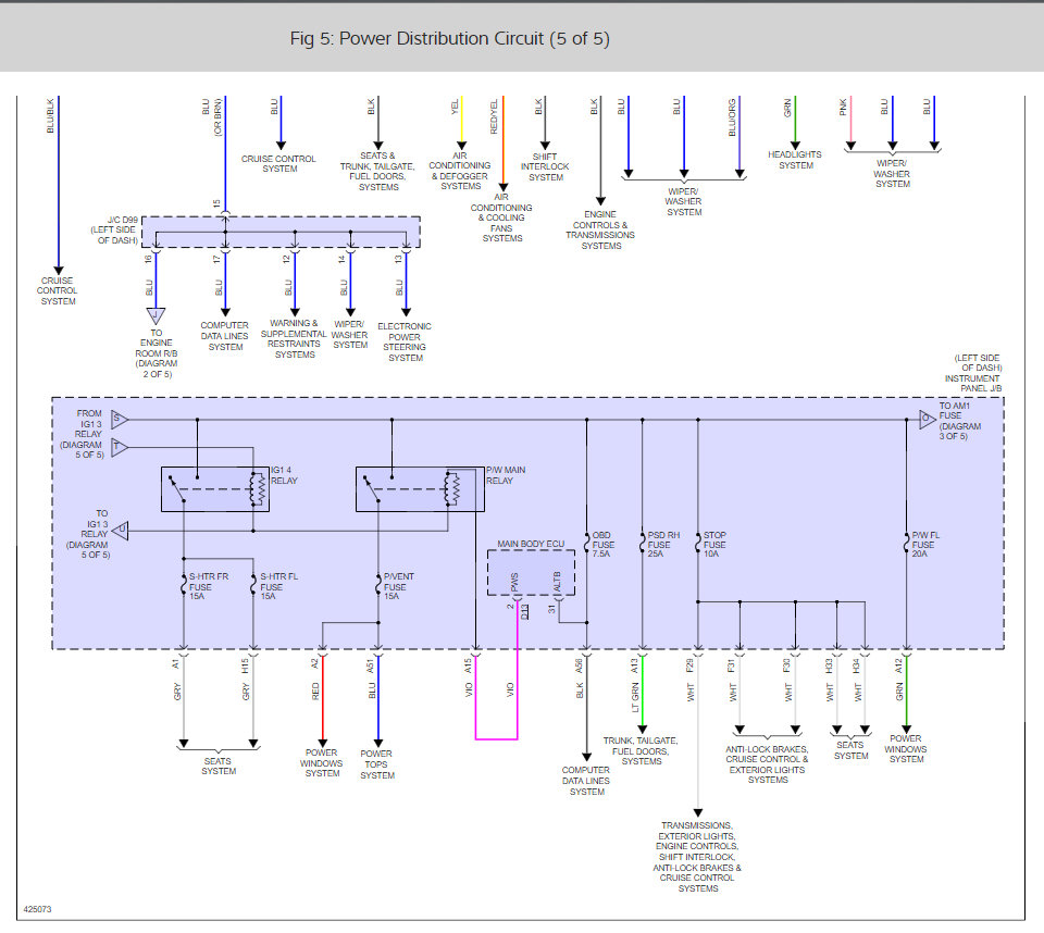
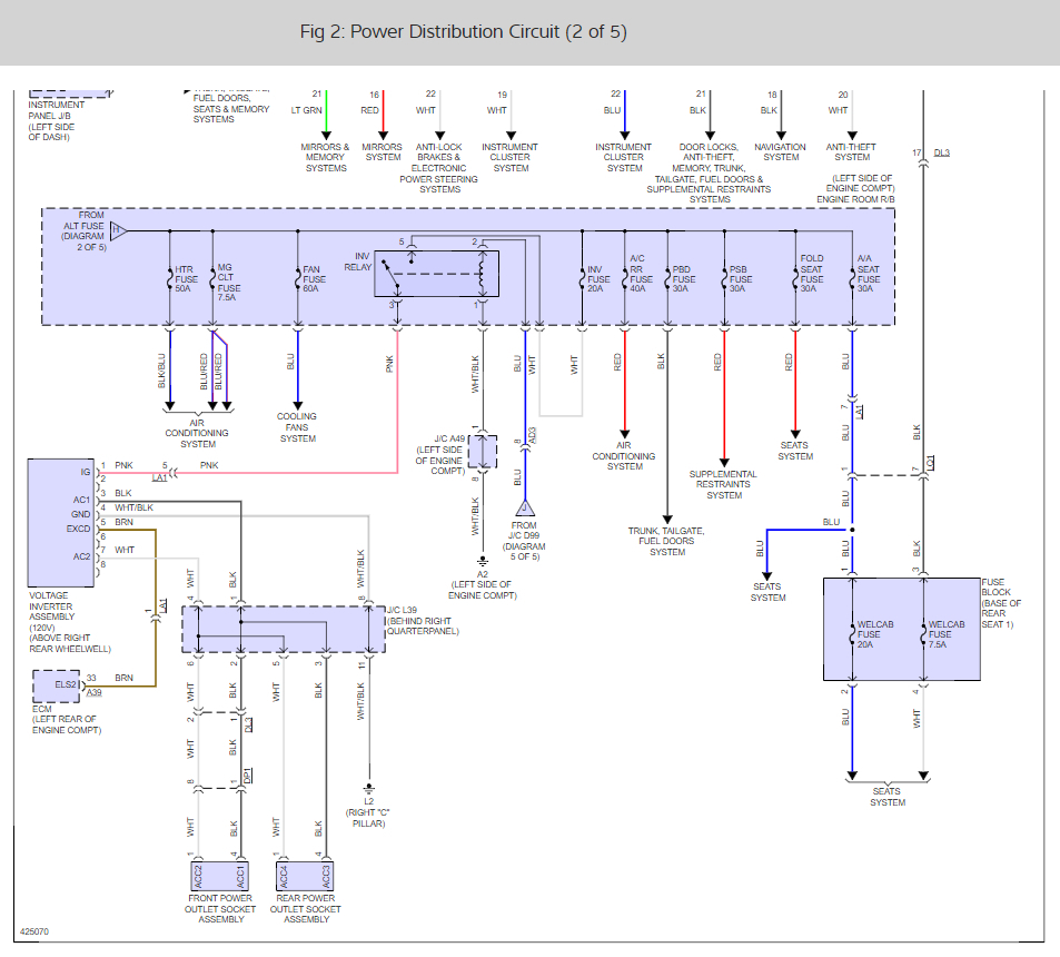
All three power outlets in my van (base trim) stopped working. I replaced the two fuses (driver side fuse box) and they started working. Then a few days later stopped working again. I tried replacing the fuses again, but no power.
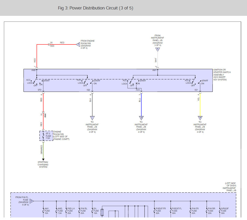
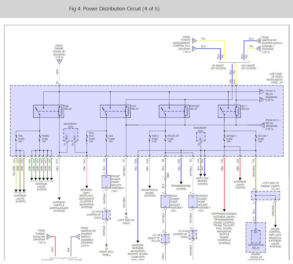
I have seen other forums mention the ACC relay as a possible source, but I cannot seem to locate it. I also do not know how to replace it or if it is a generic relay or I have to get a Toyota part for it.
Thanks for the help!
All three power outlets in my van (base trim) stopped working. I replaced the two fuses (driver side fuse box) and they started working. Then a few days later stopped working again. I tried replacing the fuses again, but no power.
I have seen other forums mention the ACC relay as a possible source, but I cannot seem to locate it. I also do not know how to replace it or if it is a generic relay or I have to get a Toyota part for it.
Thanks for the help!
Sep 21, 2017 at 6:16 AM





























