No sound coming from the stereo speakers, where is the stereo amplifier located?

2006 CHEVROLET HHR
144,000 MILES • 2.4L • 4 CYL • 2WD • AUTOMATIC
Avatar
BOB%
  • MEMBER
  • 70 POSTS
The vehicle listed above is an LT model. The stereo speakers stopped working. However, all the visible functions on the stereo are working, but there is no sound. Could it be the amplifier? If so, where is it located? Your site is awesome and i really appreciate your expert advice. Thank you
Nov 17, 2023 at 8:51 AM
Advertisement
Avatar
STRAILER
  • CERTIFIED EXPERT
  • 53,855 POSTS
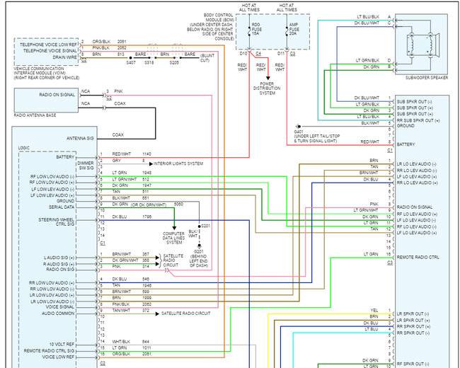
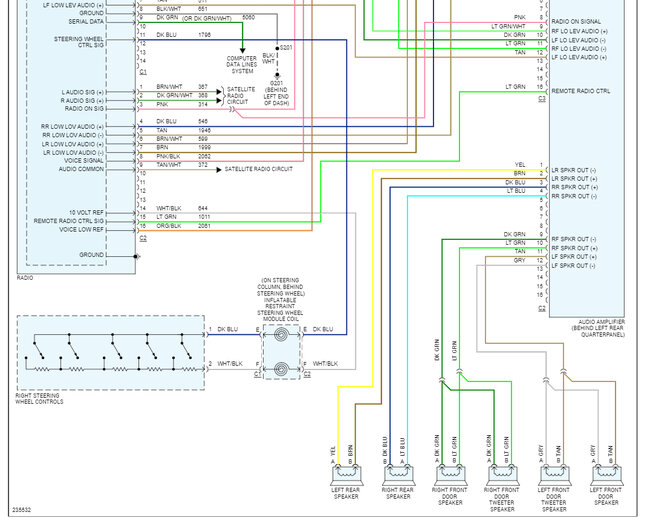
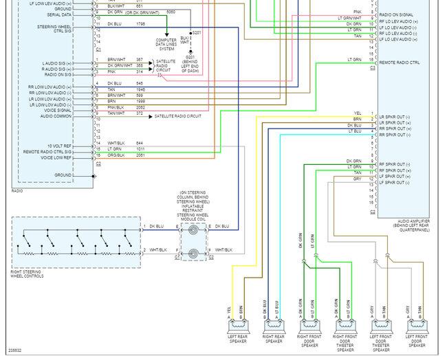
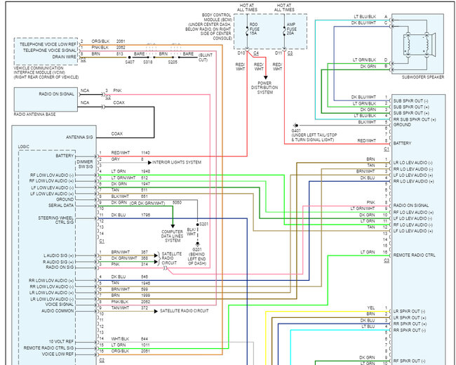
Thank you, we like it too. :) It does sound like the amplifier is not working. They make two modules of radios, one that has an external amp and the other style, the amplifier is inter to the radio in which case the radio will need to be replaced. The location of the external amplifier is behind the left rear quarter panel. There is an amp fuse in the BCM as well I would check which is "AMP" fuse (6). Here is a guide to help you test the fuse and the amplifier location and replacement instructions below. I also included the radio wiring diagrams so you can see how the system works.

https://www.2carpros.com/articles/how-to-check-a-car-fuse

Check out the images (below). Let us know how it goes.

Nov 17, 2023 at 3:05 PM