hi there
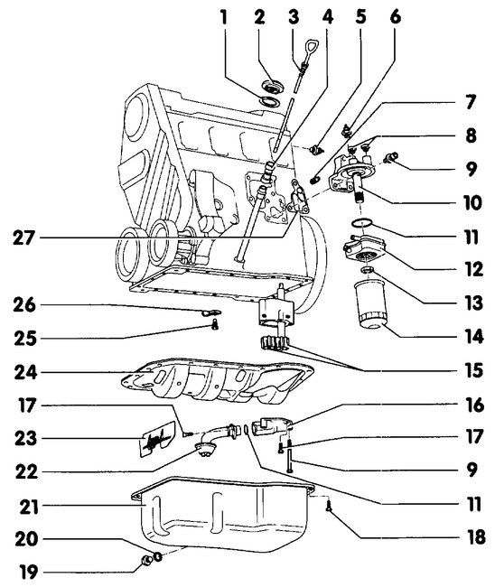
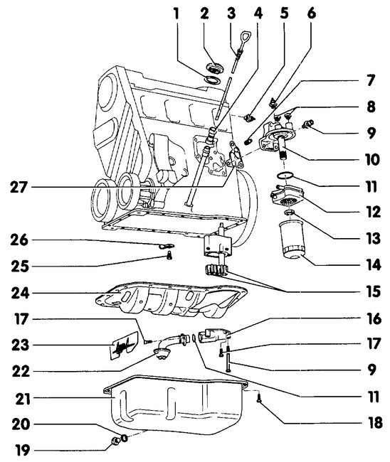
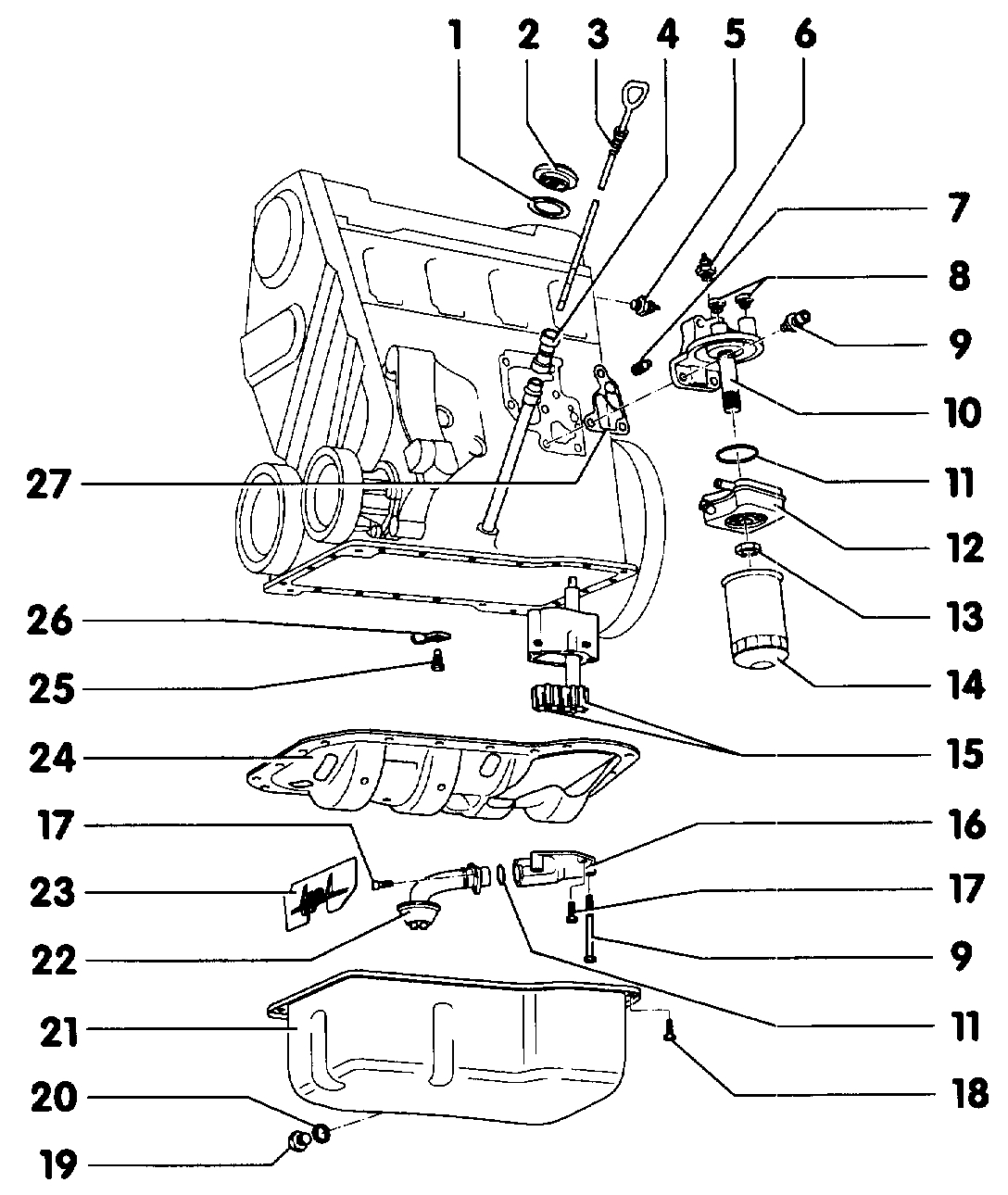
i replaced an o ring seal between the oil cooler and the oil filter and now there is a little bit of coolant mixed in the engine oil with a milky oil cap,,,,do you think i should flush both coolant and oil ? i did not notice any issues at the present but i am wondering if it could cause more damages in the future?
thanks
i replaced an o ring seal between the oil cooler and the oil filter and now there is a little bit of coolant mixed in the engine oil with a milky oil cap,,,,do you think i should flush both coolant and oil ? i did not notice any issues at the present but i am wondering if it could cause more damages in the future?
thanks
Jan 23, 2019 at 6:38 PM
