Hi,
Since the parking lamps work, there is either a break on power to the license plate lamps or they lost ground.
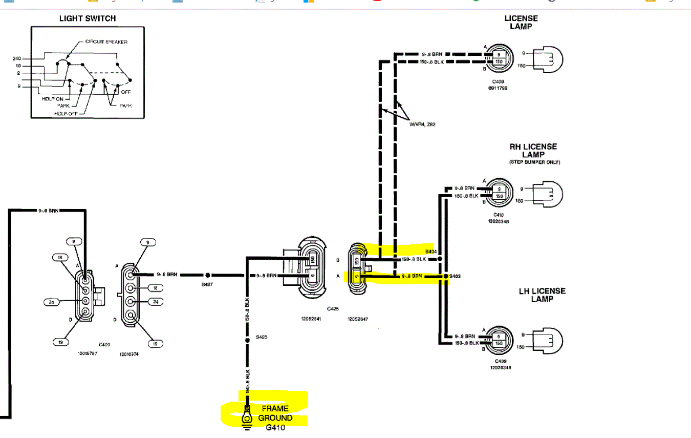
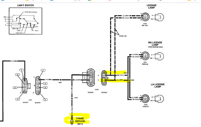
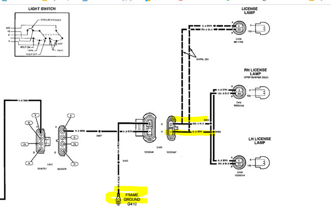
I attached a pic below showing the wiring to them. First, I need you to turn on the parking lights and see if there is power to the brown wire going to the lights. If there is, check to see if there is continuity to ground via the black wire.
If there is power, confirm the socket isn't damaged internally and make sure the bulb is good.
As far as the ground, I highlighted it in the attached pic. If there is no continuity to the ground, we need to either check and repair the existing ground or create a new one.
Again, if the parking lights work, these should work as well. They get power from the same point. Also, pic 2 shows the location of the ground. Make sure it is tight, not corroded, or broken.
Let me know if I can help.
Take care,
Joe
Images (Click to enlarge)
Nov 25, 2020 at 7:05 PM