instrument cluster problems

LINCOLN TOWN CAR
Avatar
IVEY
  • MEMBER
  • 1 POST
2001 LINCOLN TOWN CAR 72,000 miles, automatic transmission. When i turn the ignition switch on for about a tenth of a second the digital information center gives information. it will flash the information but does not blink or you will not see the information. The information than turns to digital lines relaying no information - - - - like this. the speedometer looks analog but is electronic. it does not register the speed at all.the motor is a 4.6 runs good and shifts great none of this is affected. The information center and odometer stay's lit up but shows digital lines only and no information. the ABS light and brake light stays on. I have checked for broken wires bad relays blown fuses, bad connections, replaced the odometer and it still does the same thing as the old cluster with no changes. at this point i cannot drive the car with out knowing how fast i am going. the gas gauge works and the heat gauge works. No cruise control. at this point i am totally lost i need help and the car shows no bad codes


I checked continuity on the wires from the sensors to the end of the abs plug from the rear wheel to the plug under the rear seat also the ohms were the same on the sensors, unplugged cleaned used light electrical grease on pins and connections, I checked all fuses and relay's all okay. Had the car checked it still shows no codes. The problem remains. Any other things I can try? If you can think of anything please let me know thanks for your time.

The very first thing I did was take the wiring harness apart and look for cut burnt or broken wires one wire at a time I checked from one end to the other for continuity and had it, I checked for inline fuses. This I done on all the wires that run across the radiator support and then brake out and go all over. The ABS plug I unplugged and checked from the inside of it to the end of each wire for continuity. I unwrapped all the wires and ran them down and I could not find a problem there, I did this before I ever contacted you. The plug in on the abs seems to slide over the pins real easy so I tightened up the female plugs and put a thin amount of electrical grease on them and plugged it back in and slid the grey plastic lock back and checked it still the same problem. So far I have spent for a real amount of time maybe two hundred hours working on this problem. I am also a decent mechanic but this is out of my league that is why I contacted you. What do you think the problem is in your mind?

I am drawing a blank as far as thoughts, What I cant understand is it is picking the code up for a tenth of a second so it is reading the codes, Stop me if I am wrong, now when it is reading the codes it is impossible to check the speedometer that fast but at least I know the information center is reading the information but not retaining it. Now the fellow I had check the codes, I dint hang around and watch him but he told me that he checked for B and C Codes he charged me $50.00 so I hope he done something for his money. What exactly would the B and C codes tell you anyway? I hate to change the ABS module but I will, I just have never been much for eliminating the problem by changing parts till it was fixed it is very costly. I could always put a bicycle speedometer on it ha ha just kidding. I meant to tell you the car was in a front end collision before this happen, it blew the steering wheel airbag but all I had to do is replace the front bumper. The radiator and support was all fine. Can a small collision or a hard jar make the ABS go out? Does this help at all to help diagnosis the problem. Is there any quick fix or trick you know that will let me know if the ABS is the problem. I thought of jumping all the wires out one at a time because even though I am getting continuity does not mean much. It could be just one strand of wire making contact you know what I mean. If this was your car what would you do at this point? Thank you for your time and answer's.

Thank you!

Help please!
Nov 5, 2007 at 9:55 AM
Advertisement
Avatar
CINDY VANPATTEN
  • MEMBER
  • 1 POST
Replace ABS track control module! Just went through same thing now everything works perfect.
Jul 26, 2016 at 6:26 AM
Avatar
STRAILER
  • CERTIFIED EXPERT
  • 53,855 POSTS
Great addition to this thread! Please feel free to help out whenever you are on the site :)

I have added the guide to show people what they are in for when doing the job and a diagram (below) that show what it is like on their car.

https://www.2carpros.com/articles/how-to-replace-a-abs-controller

Please let us know if you need anything else to get the problem fixed.

Cheers, Ken
Dec 27, 2017 at 4:43 PM
Advertisement
Avatar
JJAAAY
  • MEMBER
  • 1 POST
I have a problem with replacing the ABS track module to solve the issue. I have the same problem with a 2004 lincoln towncar signature. When the Oodmeter, Speedometer, and MC lights are all dashes I cannot get access to the ABS module with my x431 obd tester. Says "ABS w/tc not installed"

The difference is that when the dash lights do come on, after some random movement, i.e hit a bump, put on the directional, change the radio station, or cold 1st morning start. Then connecting my x431 obd tester with the engine running I get access to the ABS module and the 4 wheel sensors and the ABS valve. All check out fine ! No faults !

I have replaced the alternator (new) and battery (new) and cleaned terminals and replaced the positive one. Also cleaned the ground connections to the body, frame, and engine block. As this problem is symptomatic of a bad ground.

I'm beginning to suspect a bad ECM a bad ground to/from the ECM. I'm not looking forward to a point to point wiring check, this is a relative's car so gratis, but I'm thinking the same reference voltage supplying the dash goes thru the ABS circuit or vice versa.

Anyone solve this problem other than changing the ABS track module?
Mar 23, 2018 at 3:19 PM
Avatar
STRAILER
  • CERTIFIED EXPERT
  • 53,855 POSTS
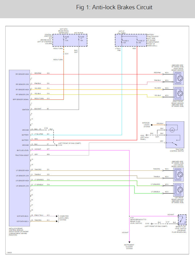
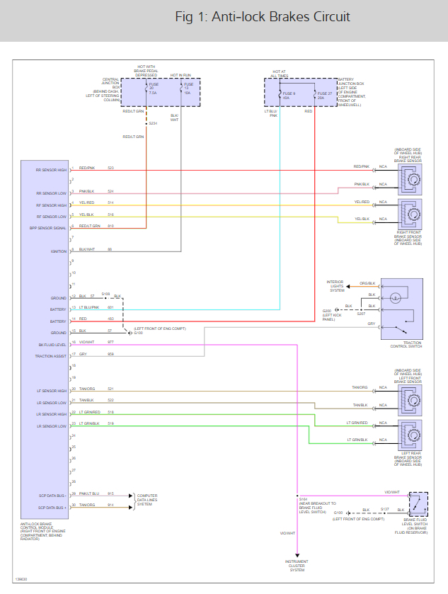
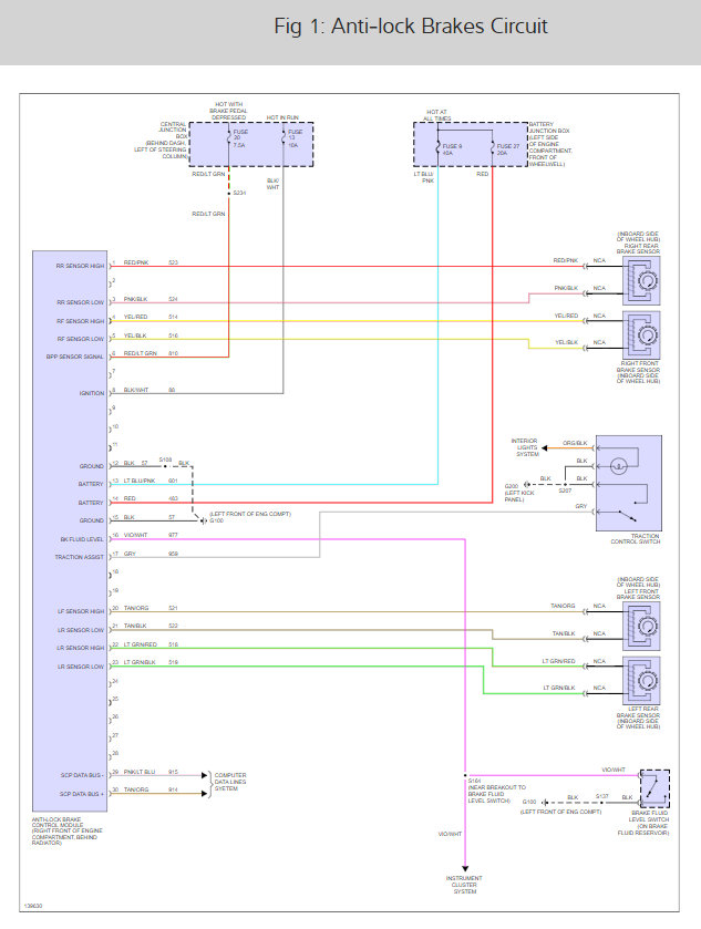
It sounds like you are losing power somewhere there are 4 fuses that run the system you could have a bad connection at one of them. Here is a guide to help you test the fuses and the wiring for the system.

https://www.2carpros.com/articles/how-to-check-a-car-fuse

and

https://www.2carpros.com/articles/how-to-check-wiring

Check out the diagrams (Below)

Please let us know what you find. We are interested to see what it is.

Cheers, Ken
Mar 25, 2018 at 11:18 AM