Good morning,
Low voltage will definitely cause this issue.
Did you have the battery tested as well as the charging system?
https://www.2carpros.com/articles/car-battery-load-test
https://www.2carpros.com/articles/how-to-check-a-car-alternator
Do you have a factory or aftermarket alarm system?
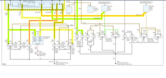
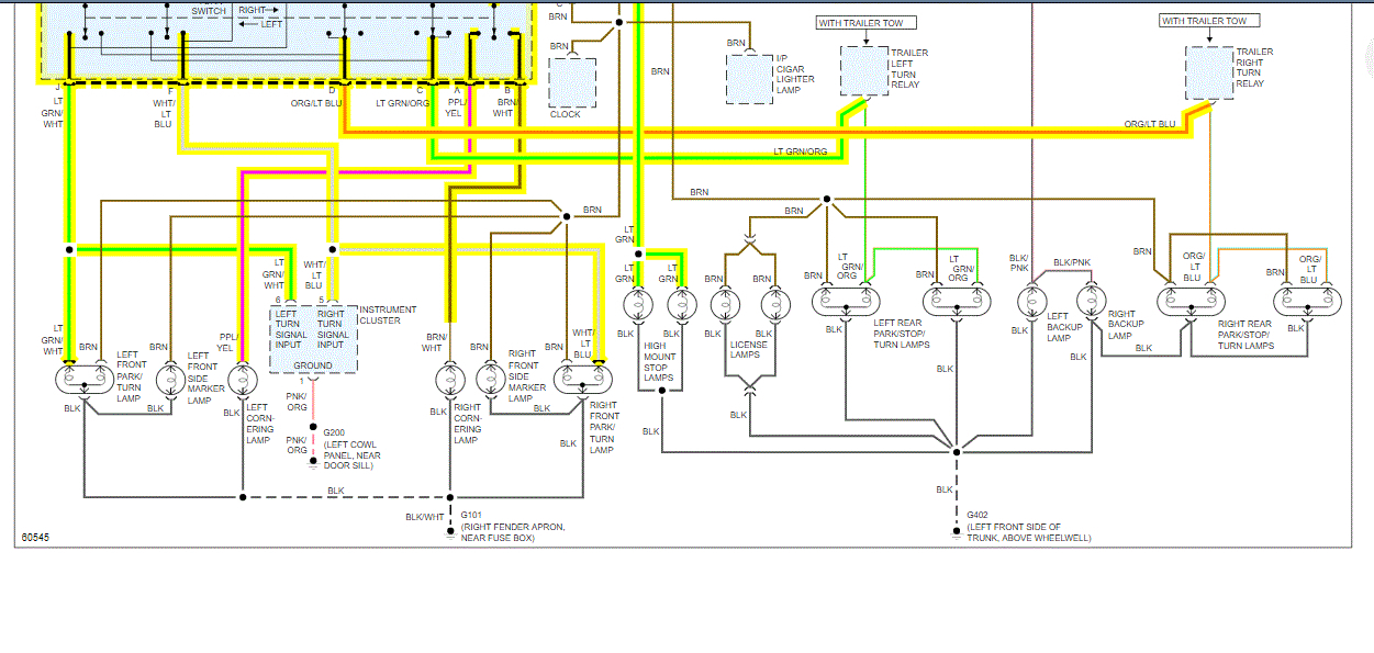
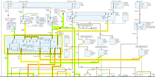
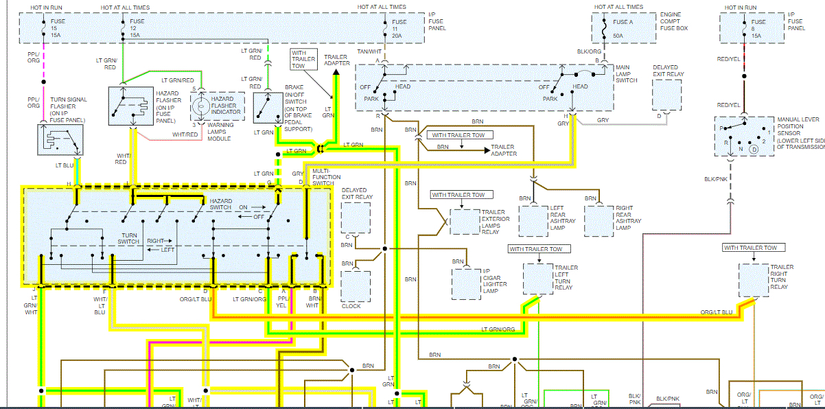
This does not have a light control module like the newer ones had. They relied on the multi-function switch for the light operations.
https://www.2carpros.com/articles/how-to-check-wiring
I would suspect the switch is the issue.
Roy
REMOVAL
1. Disconnect battery ground cable.
2. Place tilt column to lowest position and remove tilt lever.
3. Remove ignition lock cylinder.
4. Remove shroud attaching screws, then the upper and lower shroud.
5. Remove wiring harness retainer, then disconnect electrical connectors.
6. Remove multi-function switch to steering column attaching screws, then the multi-function switch.
INSTALLATION
1. Connect switch electrical connectors.
2. Install switch and retaining screws. Torque screws to 18-27 in lb.
3. Install wiring harness retainer.
4. Install upper and lower trim shrouds. Torque screws to 6-10 in lb.
5. Install ignition lock cylinder.
6. Install tilt lever. Torque retaining bolt to 6-9 in lb.
7. Connect battery ground cable.
8. Check steering column and switch for proper operation.
Images (Click to enlarge)
Aug 10, 2020 at 5:00 AM