1999 Lincoln Town Car Wipers and Wiper Motor not working

1999 LINCOLN TOWN CAR
Avatar
ERIC OSTROOT
  • MEMBER
  • 2 POSTS
Electrical problem
1999 Lincoln Town Car V8 Two Wheel Drive Automatic 134K miles

My wiper motor does not run, ever. No nothing.

The fuse that you told me to check, #16 is fine, and as I don't have a manual, I don't know where to start.

I know the wiper motor has been replaced before, but don't know when.

Is there an electrical connector I can ohm out to isolate the issue? The motor appears to be buried which seems to require pulling the wipers, the cover below the windshield, etc.

Thank you.
Sep 21, 2009 at 1:38 PM
Advertisement
Avatar
BMRFIXIT
  • CERTIFIED EXPERT
  • 19,053 POSTS
Gain access to the wiper motor
unplug and check for power
check for good ground at the wiper motor
Sep 22, 2009 at 8:32 PM
Avatar
LEETILSON
  • MEMBER
  • 1 POST
Where can I look up how to gain access to the Wiper Motor, how to unplug it and check for power and a ground?
Dec 29, 2016 at 4:20 PM
Advertisement
Avatar
STRAILER
  • CERTIFIED EXPERT
  • 53,855 POSTS
Hey Guys,

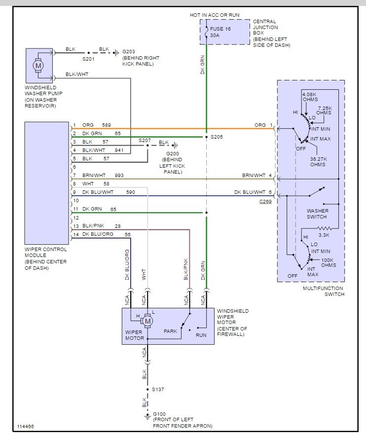
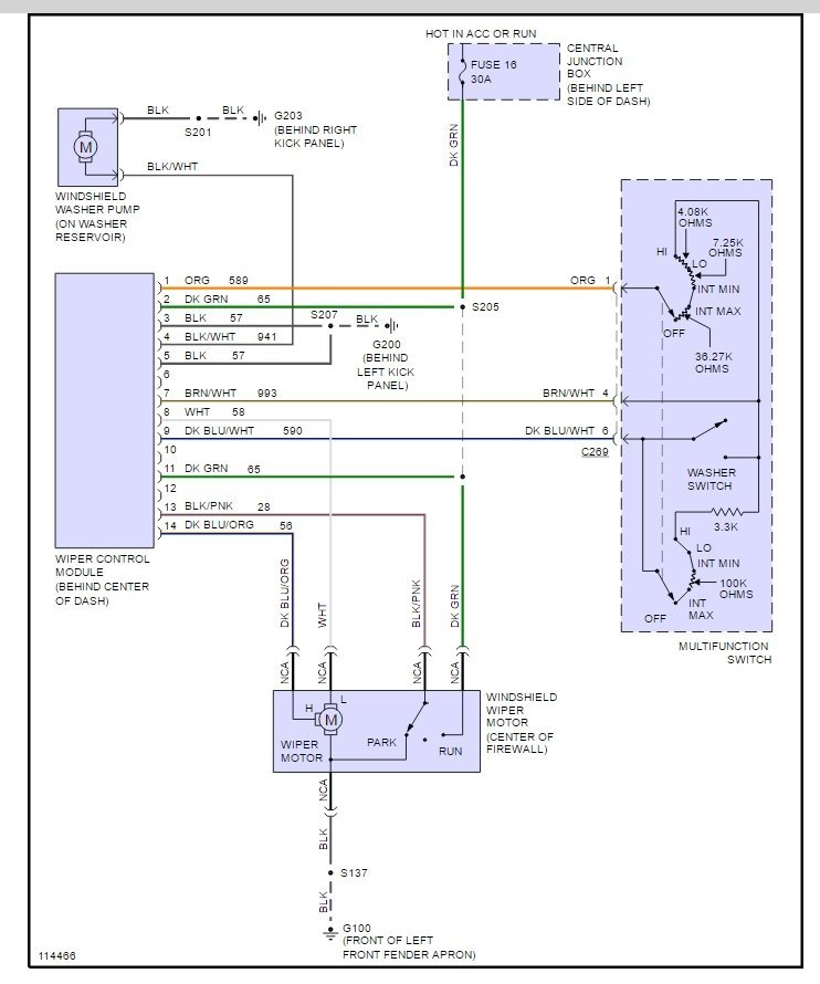
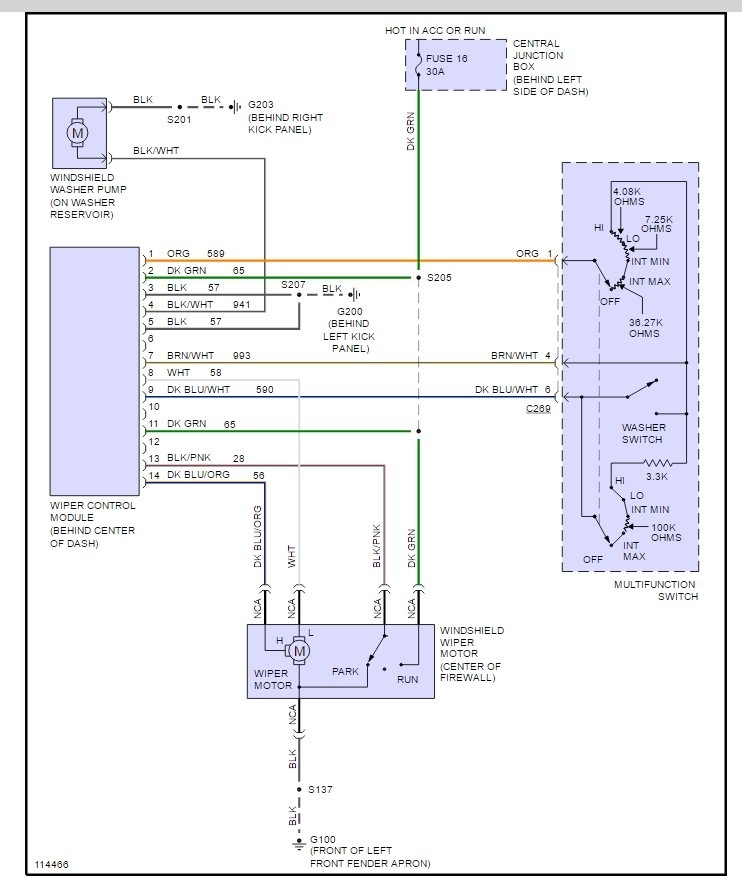
Begin by removing the wiper arms and plastic cover over the wipers. Test using a test light and use the guides below.

https://www.2carpros.com/articles/how-to-use-a-test-light-circuit-tester

Please run some tests and get back to us so we can continue helping you.

Best, Ken

Jan 3, 2017 at 1:38 PM