AC Charge

1996 LINCOLN TOWN CAR
Avatar
KEVRAP1
  • MEMBER
  • 4 POSTS
Air Conditioning problem V8 Two Wheel Drive Automatic 99000 miles

Where is the hose to charge the AC on a 1996 Lincoln Town Car?
Aug 18, 2009 at 12:40 PM
Advertisement
Avatar
STRAILER
  • CERTIFIED EXPERT
  • 53,854 POSTS
Hello,

The low side charge port is on the accumulator #8, here is a couple of guides and a diagrams (below) to help you get the recharge done.

https://www.2carpros.com/articles/air-conditioner-how-to-add-freon

and

https://www.2carpros.com/articles/how-a-car-air-conditioner-works


Please let us know if you need anything else to get the problem fixed.

Cheers, Ken
Jul 13, 2017 at 6:19 PM
Avatar
CHAMPION2165
  • MEMBER
  • 3 POSTS
Air Conditioning problem
1996 Lincoln Town Car V8 Two Wheel Drive Automatic 200000 miles

i bough a can of 134 with the hoses but i cant find the low side port to connect the port next to the high voltage fuse box is to big will not fit. can you tell me were to find the port
Jul 13, 2017 at 6:20 PM (Merged)
Advertisement
Avatar
RASMATAZ
  • CERTIFIED EXPERT
  • 75,992 POSTS
Hi champion2165, Welcome to 2carpros and TY for the donation

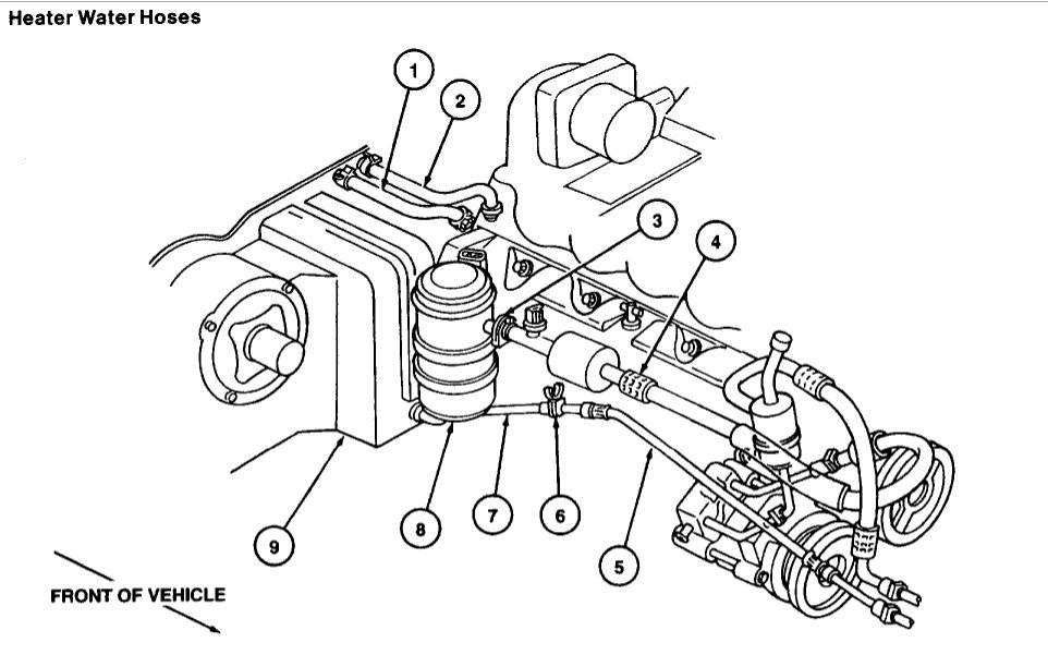
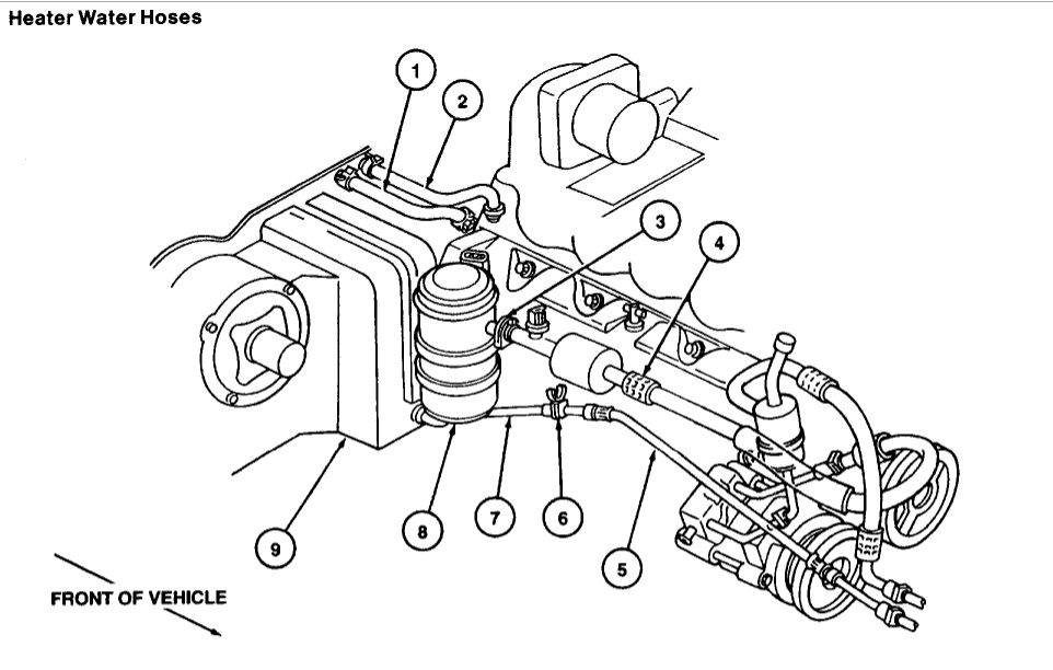
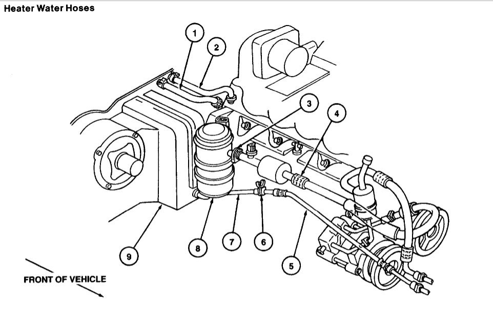
The low pressure service port is located on the accumulator.

The accumulator looks like this: (below)
Jul 13, 2017 at 6:20 PM (Merged)
Avatar
HRCOM
  • MEMBER
  • 1 POST
Air Conditioning problem
1998 Lincoln Town Car V8 Two Wheel Drive Automatic 91000 miles


i believe my 1998 town car uses 134 coolant. i have the gauge to add coolant but the only place it will go on is the black cylinder located on the passenger side on the engine near the firewall. i was told it should be on the line. also it reads 200 psi and the dial goes all the way into the red. does the unit need to be running or off.
thank you

Jul 13, 2017 at 6:20 PM (Merged)
Avatar
WHISTLERADIO
  • MEMBER
  • 1 POST
Air Conditioning problem
1989 Lincoln Town Car V8 Two Wheel Drive Automatic 182000 miles

I tried to recharge my air conditioner and the pressure gauge showed red and would not recharge. There is no blockage in the lines and I replaced the compressor, but still shows "red". When first replaced, the compressor, of course, with no pressure, didn't come on, but as i tried to add more refrigerant, it started to come on and off, like it was low, but i can't add any, because the pressure gauge shows "red".
This is for my 1989 Lincoln Town Car Stretch Limo, and the a/c worked fine last summer. The only other on-going a/c problem that i have had since i bought this car two years ago it that when you acceleration the air stops blowing and it feels like the heat comes on and then when you get up to speed it starts blowing again.(I'm sure this is a different problem, since the a/c worked well even when this was happening) Thanks.
Jul 13, 2017 at 6:20 PM (Merged)
Avatar
MERLIN2021
  • CERTIFIED EXPERT
  • 17,250 POSTS
Sounds like a blockage, you need to disconnect all fittings and blow through the parts, one will not allow air flow, usually it's the receiver drier...
Jul 13, 2017 at 6:20 PM (Merged)
Avatar
GAMBLINGFRED
  • MEMBER
  • 5 POSTS
Air Conditioning problem
2000 Lincoln Town Car V8 Two Wheel Drive Automatic 138,00 miles

My Lincoln has always (I bought at 48,000 miles) had a slow response to air conditioner start up. about 10 minutes or 8-10 miles at hwy speed. The unit works fine once running & blows very cold air. The system is fully charged & functions properly once it decides to work.
Jul 13, 2017 at 6:20 PM (Merged)
Avatar
MERLIN2021
  • CERTIFIED EXPERT
  • 17,250 POSTS
This is an auto temp system, the only thing you can try is to clean the interior sensor, use a can of computer duster and blow out the sensor, it's on the thin part of the dash under the gauges. look for the small grills cut into the dash. If there is a problem Run the self diagnostic test on it by turning the key to on, then press off and floor at the same time, then within 2 secs, press auto, If there is a problem a trouble code will appear on the display...To exit self test, press the BLUE, cooler button this also retains error codes, To erase codes and exit, press defrost, choose one of these before you power down the system... Test with engine at 120 degrees or more, and cabin between 40-90 degrees.Post any codes recorded here and I let you know what's defective...The test takes a few minutes and the display will show a tracer bar moving around, when it stops, the code(s) will display.
Jul 13, 2017 at 6:20 PM (Merged)
Avatar
GAMBLINGFRED
  • MEMBER
  • 5 POSTS
Hi; code came up -188 ....Thanks Fred
Jul 13, 2017 at 6:20 PM (Merged)
Avatar
MERLIN2021
  • CERTIFIED EXPERT
  • 17,250 POSTS
Good news Fred, this means your system passed, no problem found.
Jul 13, 2017 at 6:20 PM (Merged)
Avatar
GAMBLINGFRED
  • MEMBER
  • 5 POSTS
Hi: I still have the same trouble, although the air works perfectly once it starts I still have a 10 minute response time after it is turned on any suggestions would be great. Thanks.....Fred
Jul 13, 2017 at 6:20 PM (Merged)
Avatar
MERLIN2021
  • CERTIFIED EXPERT
  • 17,250 POSTS
Fred I own an 03 Town car, and if the interior is hot, left in the sun with the windows up, the interior gets over 120 degrees, I also have a thermometer in one of the A/C registers, the temp slowly comes down and like yours, it eventually reaches 40 degrees and cools very well. I did have a small freon leak in my receiver drier, Lincoln wraps it in a foam blanket, and they tend to rust out, My car only has 22,000 miles on it, and it rusted thru, the cure could be checking for a leak, and if found, replace the receiver drier, and recharge it at a shop with an A/C charging machine(station), this will vacuum the system, hold in vacuum to test for leaks, then recharge with the exact amount of R134a refrigerant. This fixed mine from mediocre, to top notch. Charging to exact specs is not possible with the hand held cans sold in parts stores, and this is critical, pay the money I did and I work on them!
Jul 13, 2017 at 6:20 PM (Merged)
Avatar
GAMBLINGFRED
  • MEMBER
  • 5 POSTS
I will try this my A/C fellow is on holiday for next 10 days so I'll have him try this & let you know how it works, Thanks.....Fred

P.S. Fords climate system has always been a headache, every lincoln I've owned starting with a 1976, 83, 85, 90 & now my 2000 has had issues, otherwise I think they're one of the best buys in autos!
Jul 13, 2017 at 6:20 PM (Merged)
Avatar
MERLIN2021
  • CERTIFIED EXPERT
  • 17,250 POSTS
I drive 22 miles each way to work, and I freeze 10 miles from the house... They do say if your a/c isnt cold, it will be that way a long time! They are getting better though, I've owned Marks and TC's since 68!
Jul 13, 2017 at 6:20 PM (Merged)
Avatar
LARRY5260B
  • MEMBER
  • 1 POST
Air Conditioning problem
1988 Lincoln Town Car V8 Two Wheel Drive Automatic 62,000 miles
----------------------------------------------------------------
when the car is idling the heat and a/c work good. when you start to drive the heat transfers to defrost, the same with the a/c. i have check all vacuum lines that i can see, even under dash and above dash all the vacuum lines are connected. what is the problem!

Jul 13, 2017 at 6:20 PM (Merged)
Avatar
MERLIN2021
  • CERTIFIED EXPERT
  • 17,250 POSTS
The problem is the vacuum supply line or the reserve tank under the hood! Check the thin black line that goes into the car, it has a break in it between the check valve or the reserve tank and manifold where it is supplied...one of these three parts is leaking...
Jul 13, 2017 at 6:20 PM (Merged)
Avatar
JAMES F. FRICK
  • MEMBER
  • 1 POST
1994 Lincoln Town Car V8 Two Wheel Drive Automatic 103300 miles

What is the R134a capacity for the a/c ?
I am attempting to recharge.
Jul 13, 2017 at 6:20 PM (Merged)
Avatar
RASMATAZ
  • CERTIFIED EXPERT
  • 75,992 POSTS
Freon 38-39 ounces
Jul 13, 2017 at 6:20 PM (Merged)