keyless code pad not working

2001 LINCOLN CONTINENTAL
Avatar
SUZY18US
  • MEMBER
  • 2 POSTS
Electrical problem V8 Front Wheel Drive Automatic 160 miles
----------------------------------------------------------------
when I enter the code on the keypad it doesn't light up when you touch the pad, and the door doesn't unlock. and I have tried making a new code and it doesn't work. How do i go about trying to fix it?????
Aug 21, 2008 at 1:25 PM
Advertisement
Avatar
STRAILER
  • CERTIFIED EXPERT
  • 53,855 POSTS
Hello,

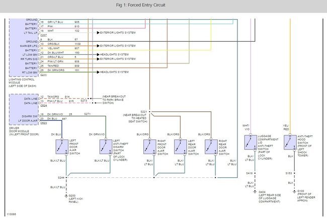
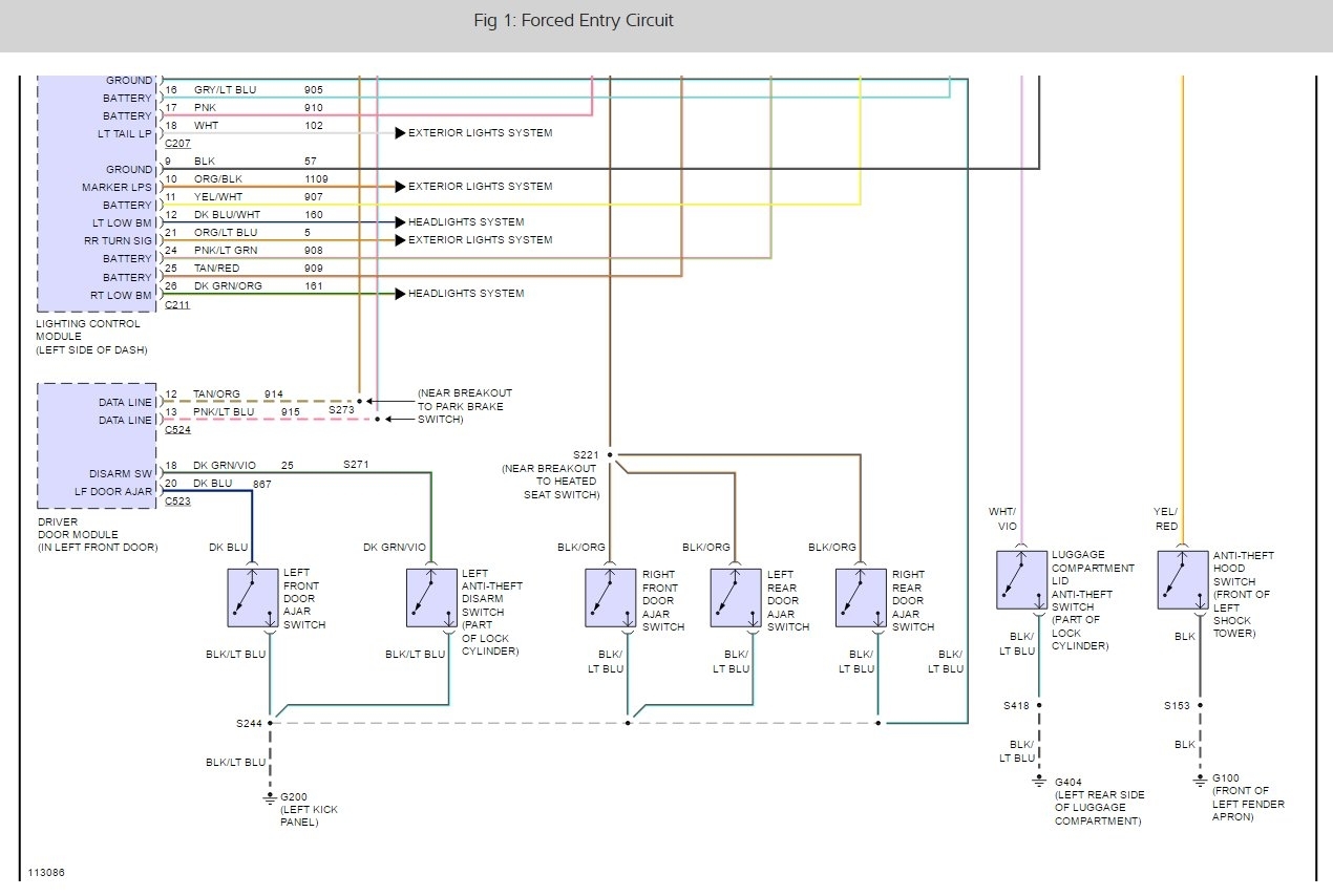
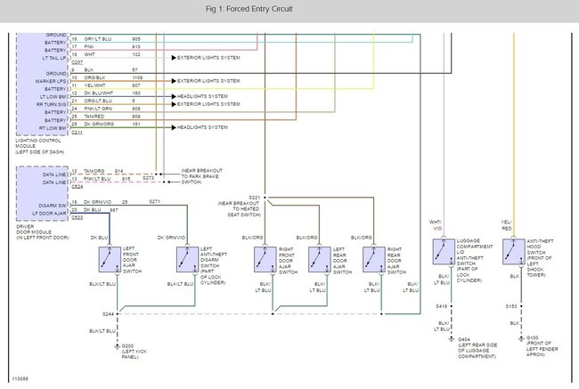
There are several fuses that need to be checked to make sure the system is getting power, here is a wiring diagram and a guide to help you get the problem fixed. If the fuses check out okay I would suspect the drivers door module has gone out.

https://www.2carpros.com/articles/how-to-check-a-car-fuse


Please run this test and get back to us so we can continue helping you.

Cheers, Ken




May 2, 2017 at 10:25 AM