the lights inside my car will not come on , I think it is a fuse but I do not have a book , can u help me . Thank you
Feb 16, 2008 at 5:41 PM
Advertisement
2CARPRO JACK
CERTIFIED EXPERT
11,533 POSTS
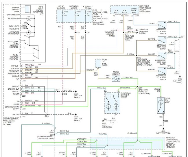
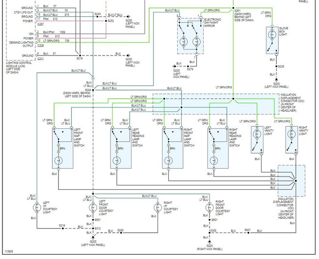
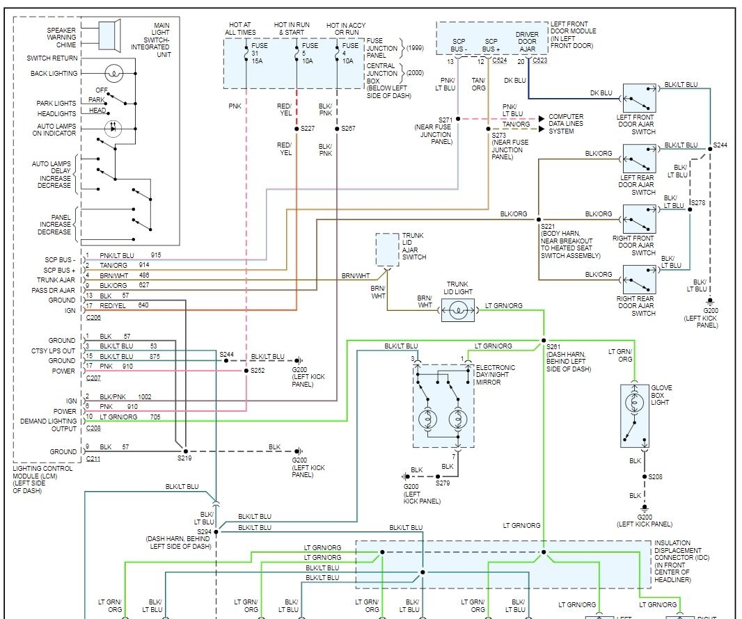
Will they come on if you open a door other than the drivers? check fuses 4,5,31. Everything goes through the LCM (lighting control module). If all door switches test good and fuses, the LCM is most likely the culprit
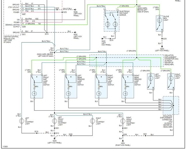
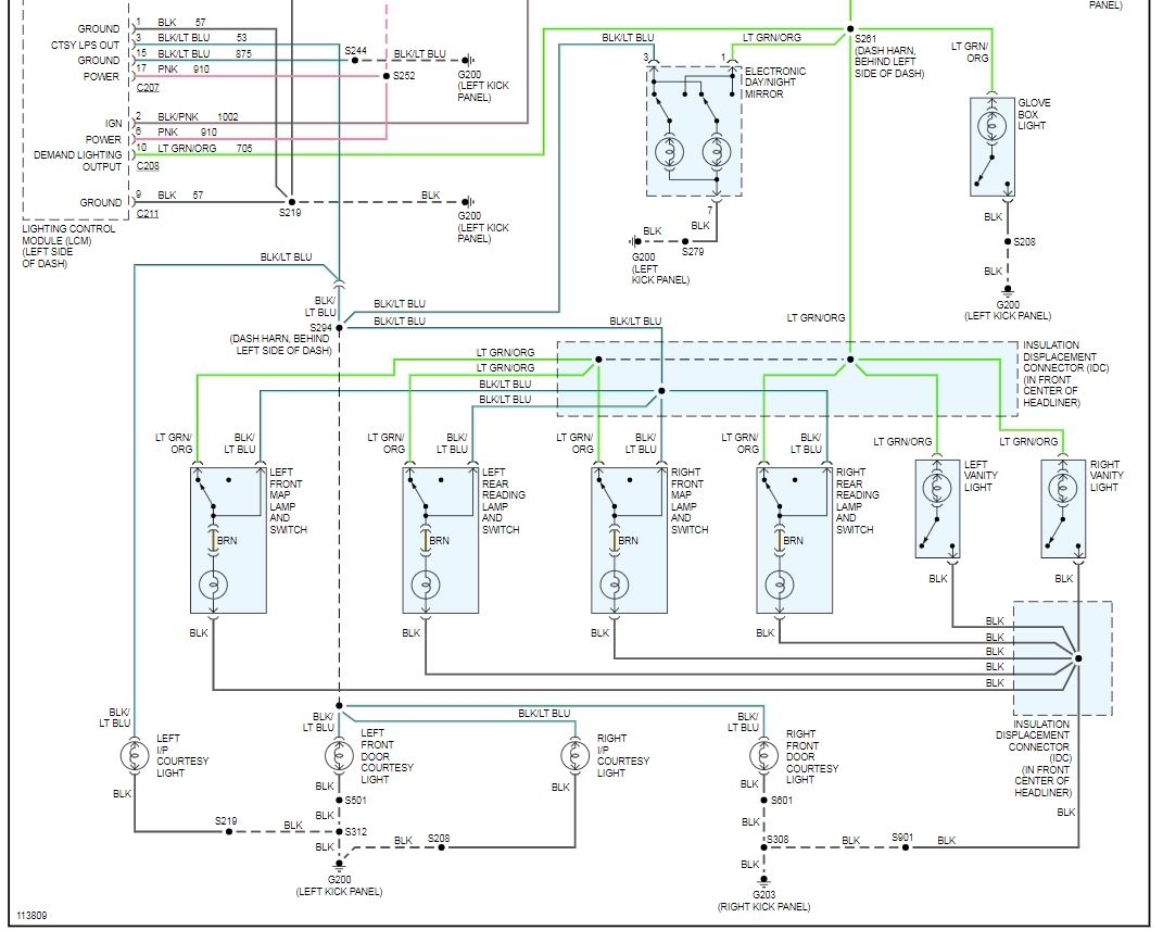
The full wiring diagrams for your interior lights are attached below
Images (Click to enlarge)
Feb 17, 2008 at 8:40 AM
FH
MEMBER
1 POST
After the car is stopped, keys removed doors closed, withou or without being locked;
the interior lights will dim and go off and then in about 15 seconds gradually come back on.This cycle repeats indefinitely.
Nov 23, 2018 at 9:02 AM
(Merged)
Advertisement
RACEFAN966
CERTIFIED EXPERT
5,029 POSTS
It sounds like the GEM Module. It is what controls all the lighting and some other stuff.
Nov 23, 2018 at 9:02 AM
(Merged)
ALAN_WATSON
MEMBER
4 POSTS
I would like to know what are the color of the wires going to my door latches that turn off my interior lights. I donated 10 dollars the last time and got an answer about door locks.
Nov 23, 2018 at 9:02 AM
(Merged)
DOCFIXIT
CERTIFIED EXPERT
18,828 POSTS
Hi
Left front door switch white/light blue is to door moduel illumination module. Black wire ground.
Hope this helps
Thanks for donate