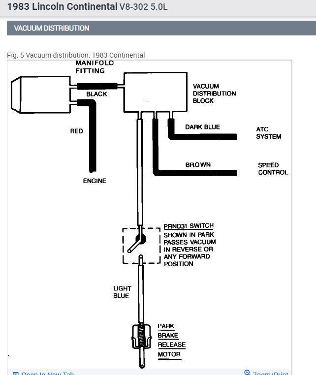
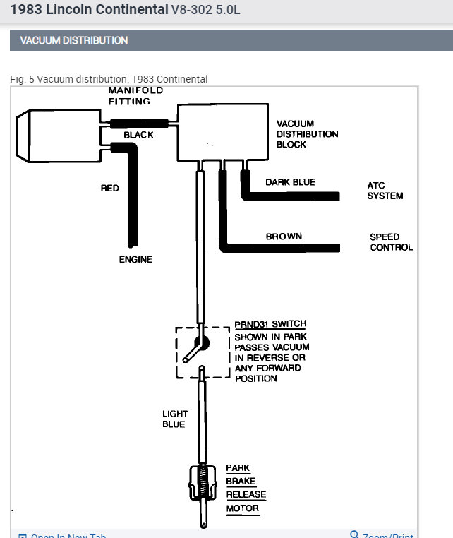
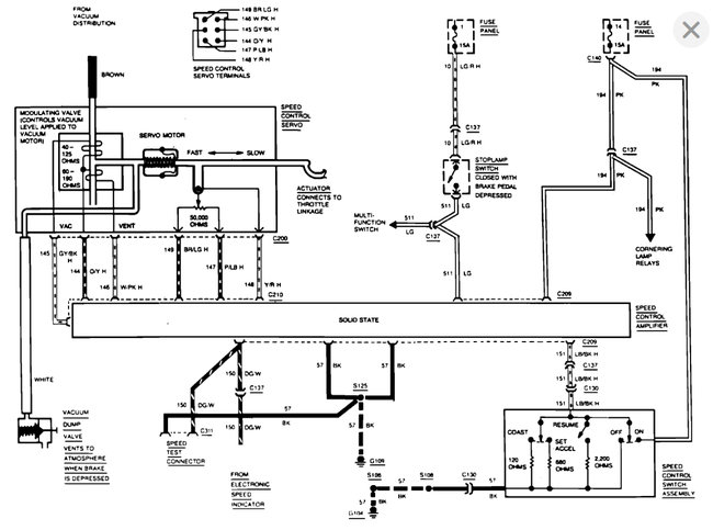
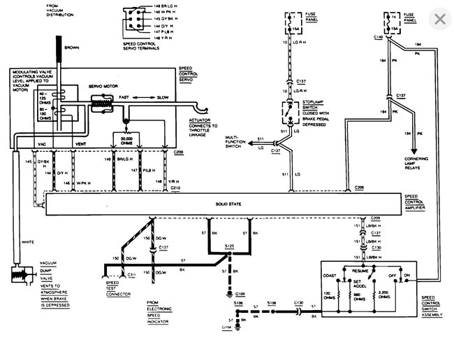
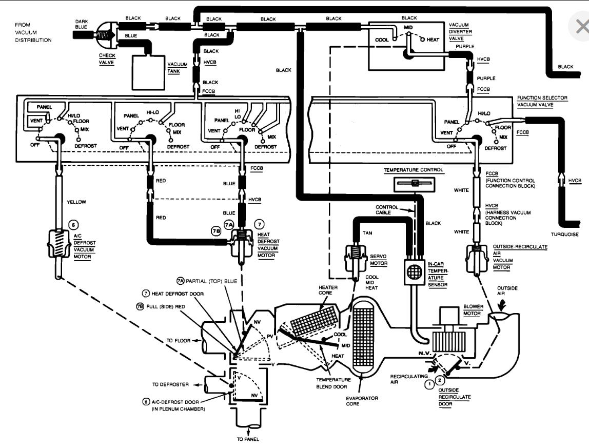
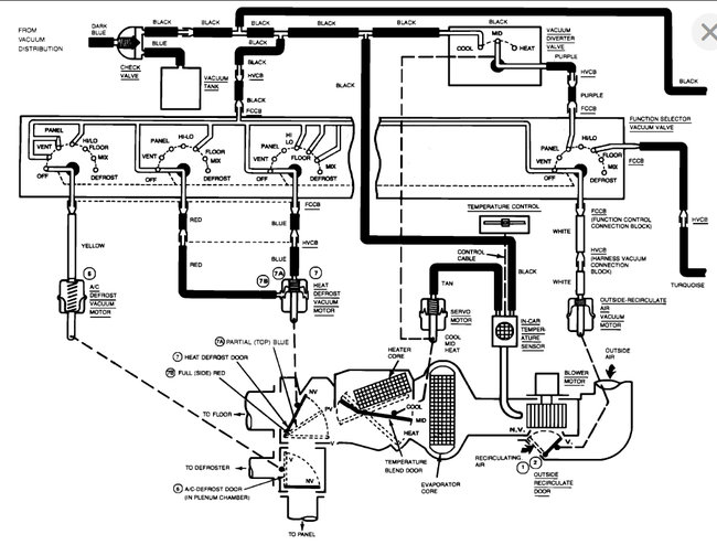
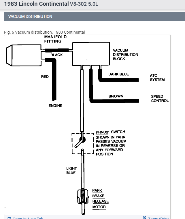
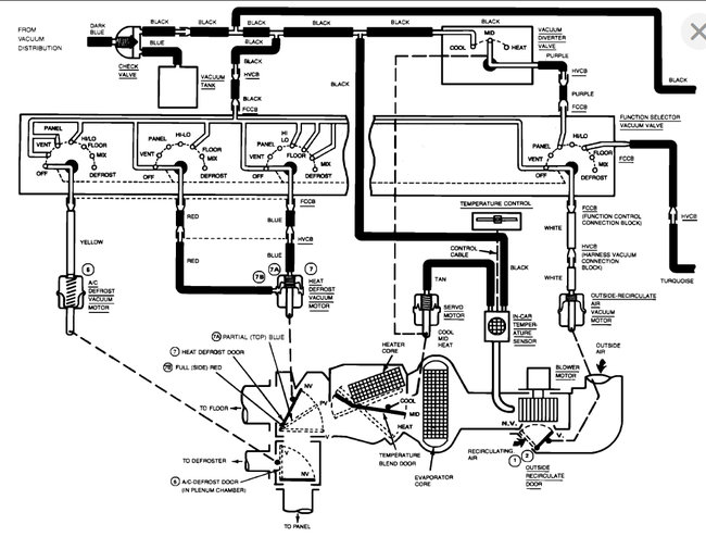
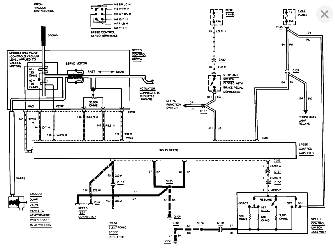
My girlfriend took her car to a mechanic to put in some wheel bearings, now the car shakes in idle and is getting poor engine performance, looks like some of the vacuum hose connectors have been broken, I don't know Lincoln's all to well so I don't know where all the lines connect. Can you help me?
Apr 30, 2009 at 9:35 AM





