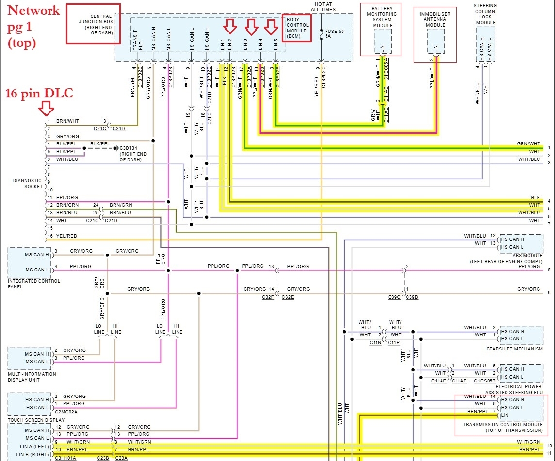
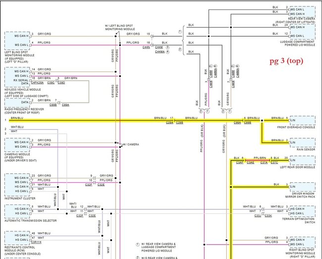
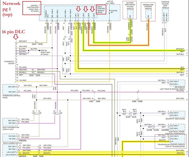
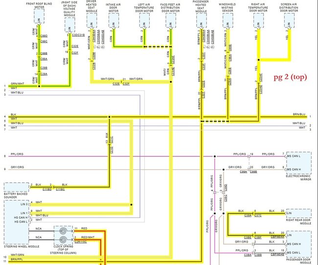
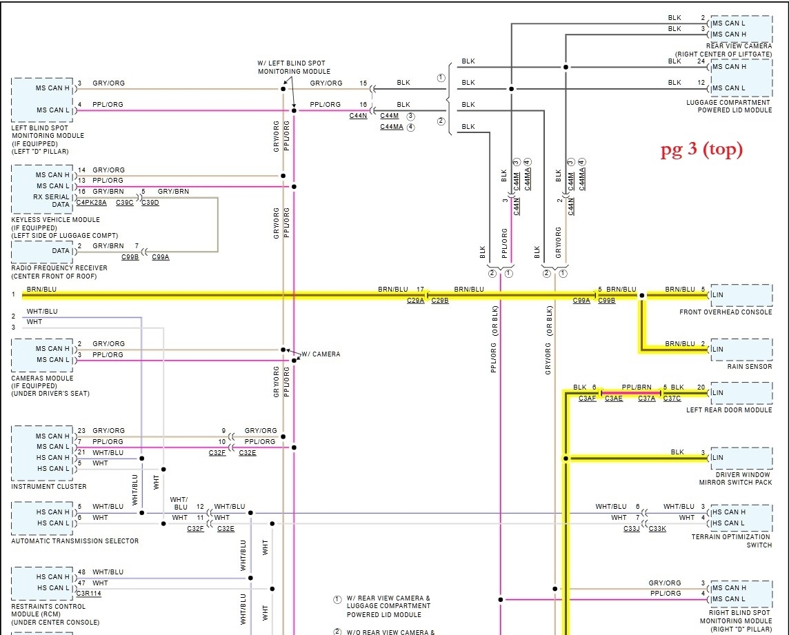
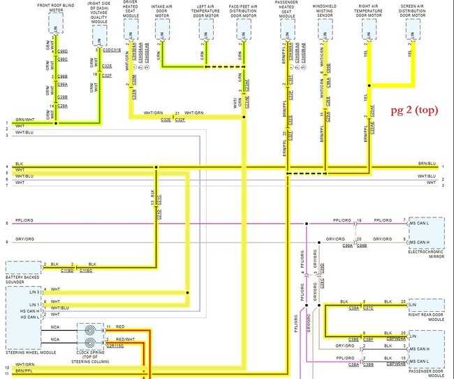
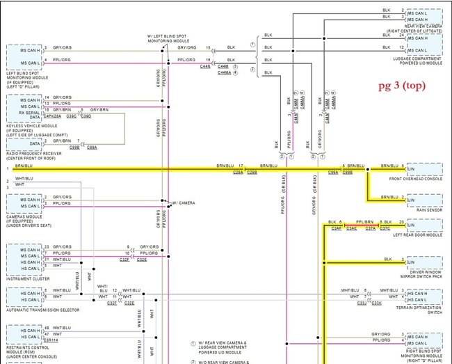
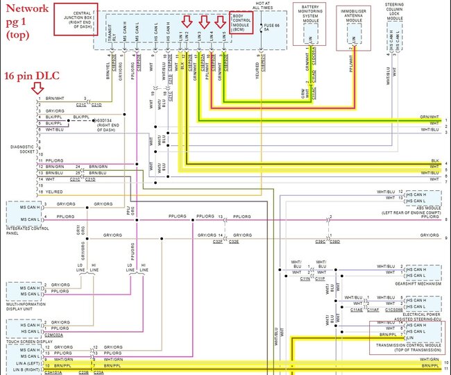
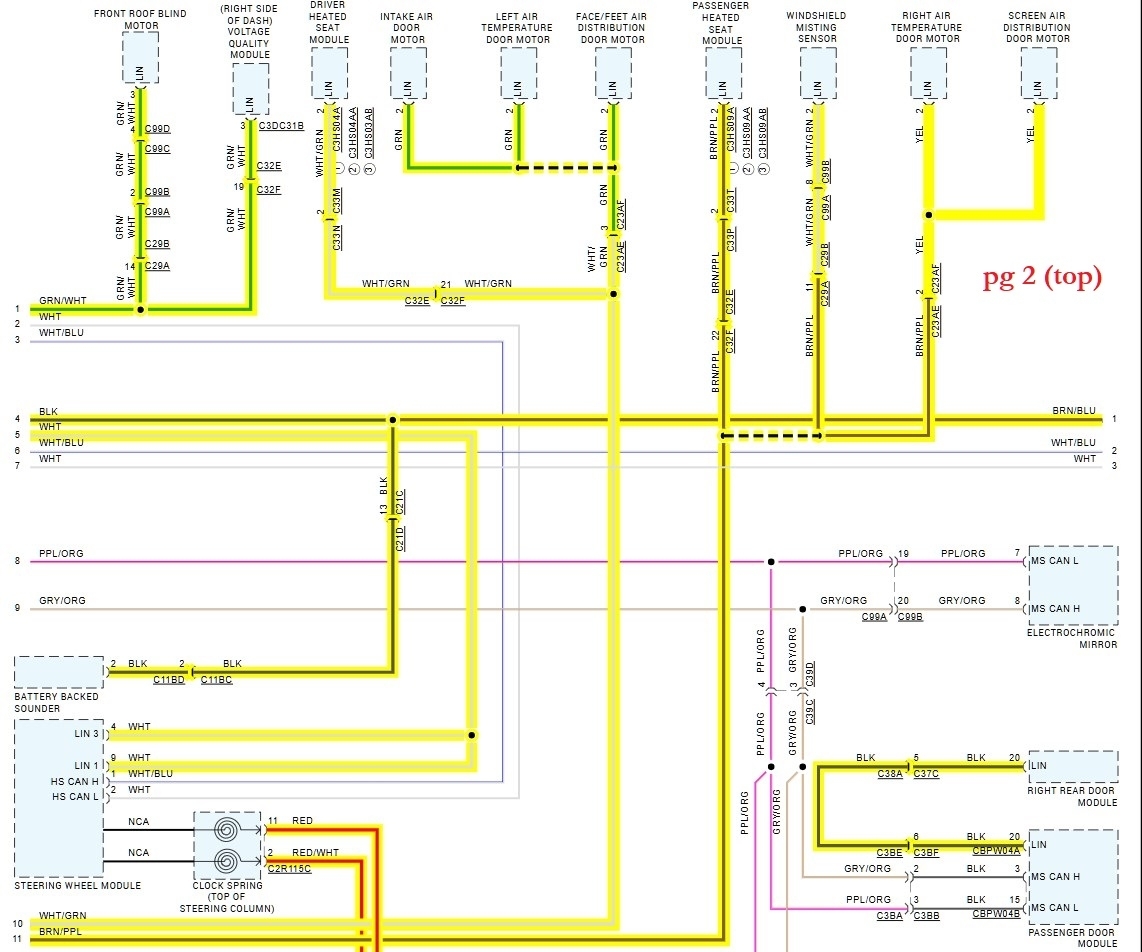
Hello, is there a specific module that is setting the LIN Bus code? A quick look at the network wiring diagrams show there are multiple Lin bus networks for this vehicle. To begin with, Lin Bus is a 1 wire network that is 0-12volt signal, The Body Control Module (BCM) shows 5 Lin Bus networks coming from it. So far I think I count 34 modules on the Lin, but these modules will also talk on other networks as well, depending on how critical they are. Ill get these diagrams ready and highlight all the Lin wires, Theres 3 pages of Network diagrams, so it will take a couple minutes.
Dec 2, 2025 at 6:58 PM